KE-2050_KE-2050R_KE-2055R_KE-2060_KE-2060R-Rev14-.pdf - 第139页
- - REF .NO NOTE PA R T NO D E S C R I P T I O N Q t y 1 400-7 36 6 5 AN T EN N A ARRA Y 8 .5 MM P IT C H / 80 P OSI TI O N 1 2 400-7 97 8 2 SH E I L D B R ACKE T 80 1 3 H X - 002 68 0 0 -0 0 C ON DUCTIV E TA PE 0.43 5…

- -
67.RFID COMPONENTS (REPLACING OVERALL CHANGER TRUCK)
1
2
4 3
4
9
8
1 0
1 1
1 2
1 3
5
6
7

- -
REF.NO NOTE PART NO D E S C R I P T I O N Qty
1 400-73665 ANTENNA ARRAY 8.5MM PITCH / 80 POSITION 1
2 400-79782 SHEILD BRACKET 80 1
3 HX-0026800-00 CONDUCTIVE TAPE 0.435
4 SM-3041052-TN SCREW M4 L=10 6
5 HX-0034400-00 HARNESS PARTS 5
6 EA-9500B01-00 CABLE BAND 5
7 400-73893 CABLE SUPPORT BRACKET 1
8 HK-0651200-60 CONNECTOR 1
9
#01
400-65035 BANK COVER(EN-RFID) 1
10
#01
400-65036 BANK FLAP(EN-RFID) 1
11 SM-6030552-KS SCREW 4
12 NM-6030001-SC NUT M3 4
13 SM-3041052-TN SCREW M4 L=10 4

- -
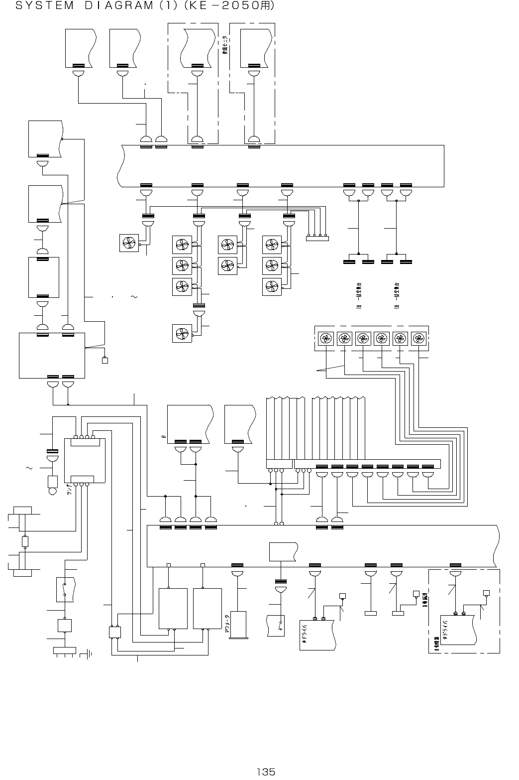
68.SYSTEM DIAGRAM (1)(FOR KE-2050)
1 - 3 C
F G - T A P
F R O N T
7 - 3 B
7 - 5 B
D C 1 2 V
R E A R L C D
O P T I O N ( )
C N 1 4
O P T I O N ( C V S )
V E R I F Y P C B
S 8 - 5
8 - 1 B
C N 2 9
C N 1 1
C N 7 0 9
V C S M O N I T O R
8 - 3 A
C N 0 4
2 - 4 A
C N 1
C A R R Y P C B
C N 0 2
C N 2 6
C N 2 1
C N 0 3
8 - 3 C
( ) ( F )
( ) ( F )
8 - 4 B
C N 0 1
C N 2 0
C N 2 5
C N 0 0
Z E X T P C B
C N 3 3
C N 3 2 Z 4 - C N 5 B
3 - 1 C
Z 4 - C N 5 A
X Y - C N 4
S Y N Q N E T - R E L A Y P C B
2 - 2 A
C N 1 8
C N 0 9
B A S E F A N R
C N 0 6 7
C N 0 8
B A S E F A N L
C N 0 6 6
C N 0 6 5
C N 0 6 4
C N 0 7
C N 1 2
C N 1 1
C N 1 0
C N 9
C N 8
C N 7
2 - 5 A
C E N T M O T O R
D R I V E R
C N 6 5 5
C N 2 8
C N 2
C N 2 7
C N 1
C N 2 4
T B 2
T B 1
V M E B A C K B O A R D
C P C I B A C K B O A R D
3 - 3 C
6 - 1 A
4 - 3 C
5 - 1 A
3 - 2 D
4 - 3 D
3 - 4 B
1 - 5 B
7 - 4 C
2 - 1 B
7 - 4 A
C T R L P W R
S A F E T Y
L I G H T C T R L
B A S E - F E E D E R
I / O C T R L
I P - X 3 B
M C M ( L )
V E R I F Y I / F
B U S - B R I D G E
R S 2 3 2 C E X T E N T I O N
X M P - C P C I
C P U
P W R -
C N 3 B
C N 0 0 2
O P T I O N ( )
C N 1 5
5
( 1 / 2 )
M A I N S W
( 2 / 2 )
T F 2
T F 1
2 - 2 B2 - 2 A
7 - 3 A
C D - R O M
F G - T A P
R E A R
F G - T A P
F R O N T
F G - T A P
R E A R
F G - T A P
F R O N T
C N 0 9 6
T B 2
F G - T A P
R E A R
1 - 4 A
A C 2 0 0 V
I N P U T
P O W E R U N I T
T B 1
N F B
P O W E R U N I T
Y L M O T O R F A N
F G - T A P
R E A R
C O N T R O L U N I T T O P F A N
C N 0 6
P W R -
C N 3 A
C A P
- C N 1
A M P L
- C N 1
C N 0 6 3
X R / Y R D R I V E RX L / Y L D R I V E R
X Y D R I V E R
C O N U N I T
X Y D R I V E R
P O W E R U N I T
C N 0 0 1
U P S
( 1 / 3 )
M A I N S W
( 1 / 2 )
1 - 1 C
1 - 1 D
Y R M O T O R F A N
T B
T B
5
( 1 / 2 )
B U ( L ) D R I V E R
C N 0 3
D R I V E R
P W R - O N
C N 0 6 0
A C I N P U T
U N I T
T B 1
M T C P W R
( L )
C N 0 6
M T C P W R
( R )
C N 0 7
1 - 1 A
2 - 5 B
2 - 5 B
U
V
W
C N 1 0
F G
P W R
- C N 1
P W R
- C N 2
C A P
- C N 2
A M P R
- C N 1
C O N T R O L U N I T
B T M F A N
2
1
3
4
5
6 8
5 6
5 7
9
1 0
1 1
1 2
1 4
1 3
1 5
1 6 1 7 1 8
1 9
2 0
2 1
2 3
2 4
2 5 2 6
2 7
3 0
2 9
3 1
3 13 13 1 3 1
3 2 3 3
3 5
3 6
3 7
3 8
3 9 5 8
4 0
4 1
4 2
4 3
4 4
4 5
4 6
4 7
4 8
4 9 5 0
2 8
5 2
3 4 5 3 5 5
2 2
5 1