KE-2050_KE-2050R_KE-2055R_KE-2060_KE-2060R-Rev14-.pdf - 第160页
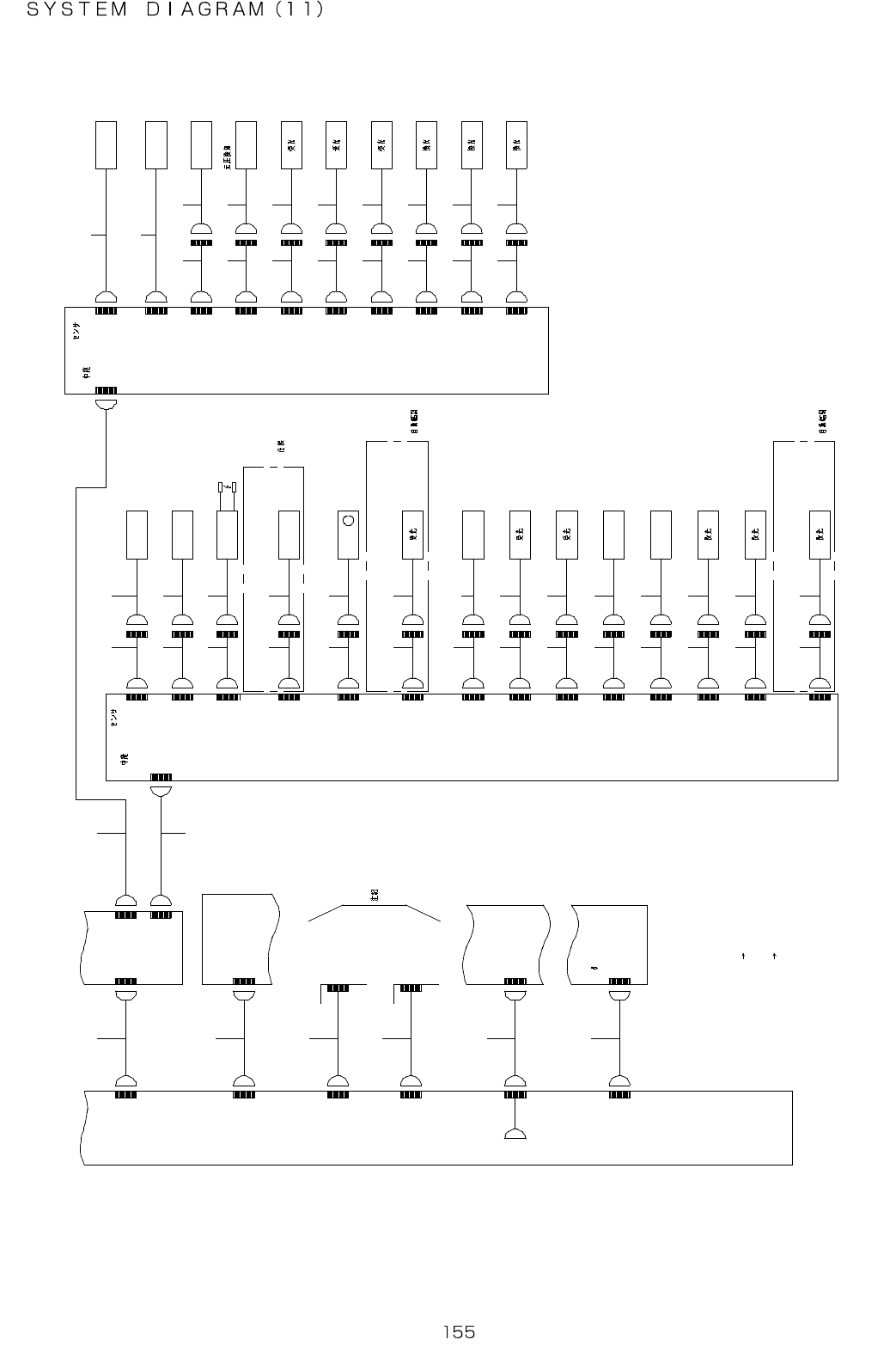
- - 78.S Y ST EM DIA G R AM (1 1) C N 5 3 - 2 C C N 1 Z 4 - C N 1 L S 1 - 5 Z E X T P C B 2 1 - 2 A 2 0 5 1 S Y N Q N E T R E L A Y P C B C N 3 L S 1 - 6 X Y - C N 1 C N 1 2 - 2 D 1 C O V E R C N 0 3 L S 1 - 2 C N 2 S …

- -
REF.NO NOTE PART NO D E S C R I P T I O N Qty
1 400-02088 BANK F CABLE ASM. 1
2 400-02089 BANK R CABLE ASM. 1
3 400-02104 MTC I/F(L) CABLE ASM 1
4 400-02090 SIGNAL LIGHT CABLE ASM. 1
5 400-03265 SIGNAL TOWER ASM 1
6 400-02081 TEMP VAC CABLE ASM. 1
7 400-02075 CRY BASE CABLE ASM. 1
8 400-02244 BANK FL CABLE ASM. 1
9 400-02243 BANK FR CABLE ASM. 1
10 400-02245 BANK RL CABLE ASM. 1
11 400-02246 BANK RR CABLE ASM. 1
12 400-02167 BANK UP(F)SENS ASM. 1
13 400-02168 BANK UP(F)CABLE ASM. 1
14 400-02169 BANK UP (R) SENS ASM 1
15 400-02170 BANK UP(R)CABLE ASM. 1
16 E9819-729-0A0 MINI PAT CABLE ASM 1
17 400-02285 MINI PAT F RLY CABLE ASM. 1
18 E9819-729-0A0 MINI PAT CABLE ASM 1
19 400-02286 MINI PAT R RLY CABLE ASM. 1
20 400-02084 IN MTR CABLE ASM. 1
21 E9454-729-MA0 IN MOTOR ASM. 1
22 400-02083 OUT MTR CABKE ASM. 1
23 E9456-729-MA0 OUT MOTOR ASM. 1
24 400-02082 CARRY MTR FD WIRE ASM. 1
25 400-02079 CARRY SV CABLE ASM. 1
26 400-02080 CARRY SV WIRE ASM. 1
27 400-02179 CAL BLOCK CABLE ASM. 1
28 400-02125 CAL VCUM SV ASM. 1
29 400-02180 CAL VCUM CABLE ASM. 1
30 400-02126 CAL VACUUM SENSOR ASSY 1
31 400-02337 CARRY PWR CABLE ASM. 1
32 400-02119 BASE TEMP CABLE ASM. 1
33 400-02087 FPI F CABLE ASM. 1
34 400-02086 FPI R CABLE ASM. 1
35 400-02249 FPI LED CABLE ASM. A 1
36 400-02250 FPI LED CABLE ASM. B 1
37 400-02052 BASE MTC CABLE ASM. 1

- -
78.SYSTEM DIAGRAM (11)
C N 5
3 - 2 C
C N 1
Z 4 - C N 1L S 1 - 5
Z E X T P C B
2 1 - 2 A
2 0 5 1
S Y N Q N E T
R E L A Y P C B
C N 3
L S 1 - 6 X Y - C N 1
C N 1
2 - 2 D
1
C O V E R
C N 0 3
L S 1 - 2
C N 2
S M E M A ( R )
C N 1
L S 1 - 1
7 - 1 A
C N 4
C N 7 0 4L S 1 - 3
C N 3
O P E R A T I O N P C B .
C N 1 1
C N 6 1 1
S A F E T Y P C B
1 - 3 C
C N 4
L S 1 - 4
C N 0 2
S M E M A ( L )
C O V E R
C N 6 2 2
C N 2 2
C N 6 2 1
C N 2 1
C N 1
C N 4 0 1
5 - 4 D
C A R R Y P C B .
C N 2 0
C N 4 2 0 R C N 4 3 4
F E E D E R D E T E C T S E N S O R
C N 1 9
C N 4 1 9 R C N 4 3 3
F E E D E R F L O A T S E N S O R ( R R )
C N 1 8
C N 4 1 8 R C N 4 3 2
F E E D E R F L O A T S E N S O R ( F F )
C N 4 1 5 R C N 4 3 1
C N 1 5
F E E D E R F L O A T S E N S O R ( R F )
C N 1 4
C N 4 3 0C N 4 1 4 R
F E E D E R F L O A T S E N S O R ( F R )
F E E D E R D E T E C T S E N S O R
C N 4 1 3 R C N 4 2 9
C N 1 3
C N 0 8C N 4 1 2 R
C N 1 2
S E N S O R
C N 4 0 9 R C N 4 4 5
C N 9
A W C O R G S E N S O R
A T C C L O S E S E N N S O R ( L )
C N 4 0 3 R
C N 3
C N 4 0 2 R
C N 2
A T C O P E N S E N N S O R ( L )
C A R R Y
P C B ( R )
B A C K U P P I N S E N S O R
C N 4 2 0 L C N 4 4 3
O P T I O N
( )
C N 2 0
C N 1 9
C N 4 2 8C N 4 1 9 L
F E E D E R F L O A T S E N S O R ( R F )
C N 4 1 8 C N 4 2 7
F E E D E R F L O A T S E N S O R ( F R )
C N 1 8
C N 4 4 0C N 4 1 7 L
C N 1 7
C N 4 1 6 L C N 4 4 1
C . O U T S E N S O R ( L )
C N 1 6
C N 4 2 6C N 4 1 5 L
F E E D E R F L O A T S E N S O R ( R R )
C N 1 5
F E E D E R F L O A T S E N S O R ( F F )
C N 4 1 4 L C N 4 2 5
C N 1 4
C N 4 0 9 L
C N 9
B U O R G S E N S O R
O P T I O N
( )
C N 4 4 4C N 4 0 8 L
C N 8
B A C K U P P I N S E N S O R
C N 4 4 2C N 4 0 7 L
C N 7
T P I N S E N S O R ( L )
E N
C N 4 4 6C N 4 0 5 L
C N 5
B U L O C K S E N S O R
C N 4 0 4 L C N 4 3 9
C N 4
W A I T S E N S O R
C N 4 3 8C N 4 0 3 L
C N 3
O U T S E N S O R
C N 4 0 2 L
C N 2
C A R R Y
P C B ( L )
I N S E N S O R
C N 4 3 7
C N 1
C N 4 2 1
S T O P S E N S O R ( L )
1 2 3 4 5 6
7 8
1 0
9
1 2
1 1
1 4
1 3
1 6
1 5
1 8
1 7 1 9
2 0 2 1
2 2
2 3
2 4
2 5
2 6
2 7
2 8
2 9
3 0
3 1
3 2
3 3
3 4
3 5
3 6 3 7
3 9
3 8 4 0
4 1
4 2
4 3
4 4
4 5
4 6
4 7
4 8
4 9
5 0
5 1
5 2
5 3
C N 4 0 9 L
5 4
N O T E 2
F L O A T S E N S O R i s a s e t o f E m i t t e r a n d R e c e i v e r .
S u f f i x _ 1 : E m i t t e r
S u f f i x _ 2 : R e c e i v e r
N O T E 2
N O T E 2
N O T E 2
N O T E 2
N O T E 2
N O T E 2
N O T E 2
N O T E 2
N O T E 2
N O T E 2
N O T E 1
C A B L E C O N N E C T I O N P O I N T
C A R R Y D I R E C T I O N L R
E 9 3 7 8 : C N 1
2 3 3 4 : C N 2
C A R R Y D I R E C T I O N R L
E 9 3 7 8 : C N 2
2 3 3 4 : C N 1

- -
REF.NO NOTE PART NO D E S C R I P T I O N Qty
1 400-02078 CRY SAFE CABLE ASM. 1
2 400-02202 SAFETY CABLE ASM. 1
3 E9378-729-0A0 SMEMA CABLE (L) ASM. 1
4 400-02334 SMEMA CABLE (R) ASM 1
5 400-02077 SAFETY LMT CABLE ASM. 1
6 400-02071 SAFETY ALM CABLE ASM. 1
7 400-02073 CRY SENSOR(R)CABLE ASM. 1
8 400-02074 CRY SENSOR(L)CABLE ASM. 1
9 400-02209 IN SENS CABLE ASM. 1
10 400-02208 IN_SENS_ASM 1
11 400-02211 OUT SENS CABLE ASM. 1
12 400-02210 OUT SENS ASM. 1
13 400-02213 WAIT SENS CABLE ASM. 1
14 400-02212 WAIT SENS ASM 1
15 400-02242 BU LOCK CABLE ASM 1
16 400-02241 BU LOCK SENS ASM. 1
17 400-02123 T.PIN CABLE ASM. 1
18 400-02122 T.PIN SENS ASM. 1
19 400-02240 BU PIN RCV CABLE ASM. 1
20 400-02239 BU PIN RECEIVE SENS ASM 1
21 400-02124 BU ORG SENS ASM. 1
22 400-02158 FD FLOAT(FF)RCV CABLE ASM. 1
23 401-53653 FD-FLOAT(FF) SENS SET ASM 1
24 400-02164 FD FLOAT(RR)RCV CABLE ASM. 1
25 401-53656 FD-FLOAT(RR) SENS SET ASM 1
26 400-02236 C.OUT SENS CABLE ASM. 1
27 400-02235 C.OUT SENS ASM. 1
28 400-02215 STOP SENS CABLE ASM. 1
29 400-02214 STOP SENS ASM. 1
30 400-02159 FD FLOAT(FR)CABLE ASM. 1
31 401-53654 FD-FLOAT(FR) SENS SET ASM 1
32 400-02161 FD FLOAT(RF)CABLE ASM. 1
33 401-53655 FD-FLOAT(RF) SENS SET ASM 1
34 400-02238 BU PIN CABLE ASM. 1
35 400-02237 BU PIN SENS ASM 1
36 400-02128 ATC OPEN SENS ASM 1
37 400-02127 ATC CLOSE SENS ASM 1
38 400-02121 AWC ORG CABLE ASM. 1
39 400-02120 AWC ORG SENS ASM 1
40 400-02178 AIR PRESSRE CABLE ASM. 1
41 400-02333 AIR PRESSURE METER ASM. 1
42 400-02166 FD SENS RCV CABLE ASM 1
43 401-53657 FD SENS SET ASM 1
44 400-02160 FD FLOAT(FR)RCV CABLE ASM. 1
45 401-53654 FD-FLOAT(FR) SENS SET ASM 1
46 400-02162 FD FLOAT(RF)RCV CABLE ASM. 1
47 401-53655 FD-FLOAT(RF) SENS SET ASM 1
48 400-02157 FD FLOAT(FF)CABLE ASM. 1
49 401-53653 FD-FLOAT(FF) SENS SET ASM 1
50 400-02163 FD FLOAT(RR)CABLE ASM. 1
51 401-53656 FD-FLOAT(RR) SENS SET ASM 1
52 400-02165 FD SENS CABLE ASM. 1
53 401-53657 FD SENS SET ASM 1
54 400-02345 BU ORG RLY CABLE ASM 1