KE-2050_KE-2050R_KE-2055R_KE-2060_KE-2060R-Rev14-.pdf - 第143页
- - REF.NO NOTE P A R T NO D E S C R I P T I O N Qty 1 40 0 -02 0 55 BRE AK ER I N PUT CABL E A SM . 1 2 40 0 -02 0 67 BRE AK ER OU T CA BLE AS M . 1 3 40 0 -02 0 64 MA IN S W OUTPUT CAB L E A S M . 1 4 40 0 -02 0 62 M…

- -
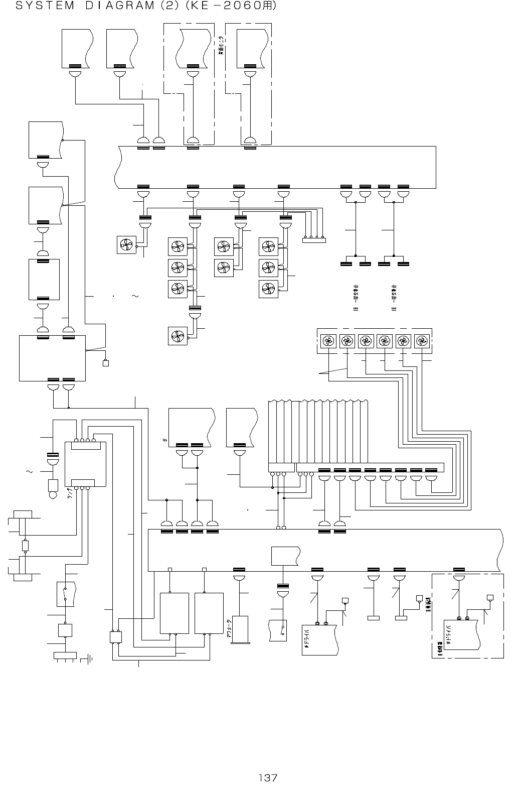
69.SYSTEM DIAGRAM (2)(FOR KE-2060)
1 - 3 C
F G - T A P
F R O N T
7 - 3 B
7 - 5 B
D C 1 2 V
R E A R L C D
O P T I O N ( )
C N 1 4
O P T I O N ( C V S )
V E R I F Y P C B
S 8 - 5
8 - 1 B
C N 2 9
C N 1 1
C N 7 0 9
V C S M O N I T O R
8 - 3 A
C N 0 4
2 - 4 A
C N 1
C A R R Y P C B
C N 0 2
C N 2 6
C N 2 1
C N 0 3
8 - 3 C
( ) ( F )
( ) ( F )
8 - 4 B
C N 0 1
C N 2 0
C N 2 5
C N 0 0
Z E X T P C B
C N 3 3
C N 3 2 Z 4 - C N 5 B
3 - 1 C
Z 4 - C N 5 A
X Y - C N 4
S Y N Q N E T - R E L A Y P C B
2 - 2 A
C N 1 8
C N 0 9
B A S E F A N R
C N 0 6 7
C N 0 8
B A S E F A N L
C N 0 6 6
C N 0 6 5 C N 0 6 4
C N 0 7
C N 1 2
C N 1 1
C N 1 0
C N 9
C N 8
C N 7
2 - 5 A
C E N T M O T O R
D R I V E R
C N 6 5 5
C N 2 8
C N 2
C N 2 7
C N 1
C N 2 4
T B 2
T B 1
V M E B A C K B O A R D
C P C I B A C K B O A R D
3 - 3 C
6 - 1 A
4 - 3 C
5 - 1 A
3 - 2 D
4 - 3 D
3 - 4 B
3 - 4 C
1 - 5 B
7 - 4 C
2 - 1 B
7 - 4 A
C T R L P W R
S A F E T Y
L I G H T C T R L
B A S E - F E E D E R
I / O C T R L
I P - X 3 B
M C M ( L )
M C M ( R )
V E R I F Y I / F
B U S - B R I D G E
R S 2 3 2 C E X T E N T I O N
X M P - C P C I
C P U
P W R -
C N 3 B
C N 0 0 2
O P T I O N ( )
C N 1 5
5
( 1 / 2 )
M A I N S W
( 2 / 2 )
T F 2
T F 1
2 - 2 B2 - 2 A
7 - 3 A
C D - R O M
F G - T A P
R E A R
F G - T A P
F R O N T
F G - T A P
R E A R
F G - T A P
F R O N T
C N 0 9 6
T B 2
F G - T A P
R E A R
1 - 4 A
A C 2 0 0 V
I N P U T
P O W E R U N I T
T B 1
N F B
P O W E R U N I T
Y L M O T O R F A N
F G - T A P
R E A R
C O N T R O L U N I T T O P F A N
C N 0 6
P W R -
C N 3 A
C A P
- C N 1
A M P L
- C N 1
C N 0 6 3
X R / Y R D R I V E RX L / Y L D R I V E R
X Y D R I V E R
C O N U N I T
X Y D R I V E R
P O W E R U N I T
C N 0 0 1
U P S
( 1 / 3 )
M A I N S W
( 1 / 2 )
1 - 1 C
1 - 1 D
Y R M O T O R F A N
T B
T B
5
( 1 / 2 )
B U ( L ) D R I V E R
C N 0 3
D R I V E R
P W R - O N
C N 0 6 0
A C I N P U T
U N I T
T B 1
M T C P W R
( L )
C N 0 6
M T C P W R
( R )
C N 0 7
1 - 1 A
2 - 5 B
2 - 5 B
U
V
W
C N 1 0
F G
P W R
- C N 1
P W R
- C N 2
C A P
- C N 2
A M P R
- C N 1
C O N T R O L U N I T
B T M F A N
2
1
3
4
5
6 8
5 6
5 7
9
1 0
1 1
1 2
1 4
1 3
1 5
1 6 1 7 1 8
1 9
2 0
2 1
2 3
2 4
2 5 2 6
2 7
3 0
2 9
3 1
3 13 13 1 3 1
3 2 3 3
3 4 5 3 5 5
3 5
3 6
3 7
3 8
3 9 5 8
4 0
4 1
4 2
4 3
4 4
4 5
4 6
4 7
4 8
4 9 5 0
5 1
2 2
5 2
2 8

- -
REF.NO NOTE PART NO D E S C R I P T I O N Qty
1 400-02055 BREAKER INPUT CABLE ASM. 1
2 400-02067 BREAKER OUT CABLE ASM. 1
3 400-02064 MAIN SW OUTPUT CABLE ASM. 1
4 400-02062 MTC POWER WIRE L ASM 1
5 400-02063 MTC POWER WIRE R ASM 1
6 E9221-729-0A0 PWR ON LIGHT ASM. 1
7
#01
E9221-729-HA0 PWR ON LIGHT ASM. 1
8
#01
HE-0004500-00 INDICATION LIRGT 1
9 400-02057 TF1 FG CABLE ASM. 1
10 400-02056 INPUT UNIT FG CABLE ASM. 1
11 400-02060 TF2 INPUT CABLE ASM. 1
12 400-02059 TF1 INPUT CABLE ASM. 1
13 400-02193 XY SERVO POWER WIRE ASM. 1
14 400-02217 ZT SERVO POWER WIRE ASM. 1
15 400-02199 CD ROM POWER CABLE ASM. 1
16 400-02327 PS CTRL POWER CABLE ASM. 1
17 400-02330 CPCI CTRL POWER CABLE ASM. 1
18 400-02328 BACKBOARD MONITOR CABLE ASM. 1
19 400-02329 BACKBOARD SIGNALCABLE ASM. 1
20 400-02115 HOURMETER ASM. 1
21 400-02101 UPS SW CABLE ASM. 1
22 400-02110 BU DRV POWER CABLE ASM. 1
23 400-02111 BU DRV FG WIRE ASM. 1
24
#01
400-02112 BU DRV FG WIRE ASM.(EN) 1
25 400-02100 CENT MOTOR PWR CABLE ASM. 1
26 400-02118 VCS MONITOR PWR CABLE ASM. 1
27
#01
400-02306 VCS MONITOR PWR CABLE ASM. 1
28 400-02109 AWC DRV POWER CABLE ASM. 1
29 400-02113 AWC DRV FGWIRE ASM. 1
30
#01
400-02114 AWC DRV FGWIRE ASM.(EN) 1
31 400-02344 BUP SHORT WIRE(EN) ASM 1
32 400-02194 PN1 CABLE ASM. 1
33 400-02196 PN3 CABLE ASM. 1
34 400-02116 XY DRV FG WIRE ASM. 1
35 400-02195 PN2 CABLE ASM. 1
36 400-02106 YL FAN CABLE ASM. 1
37 400-02076 SYNQNET PWR CABLE ASM. 1
38 E9247-729-0A0 YL MOTOR FAN ASM. 1
39 400-02085 CARRY MOTOR AC CABLE ASM. 1
40 E9250-729-0A0 YR MOTOR FAN ASM. 1
41 E9249-729-0A0 CTRL UNIT TOP FAN ASM. 1
42 400-02054 CTRL UNIT TOP FAN RELAY CABLE ASM. 1
43 400-02216 VERIFY PWR CABLE ASM. 1
44 E9252-729-0A0 BASE FAN(L) ASM. 1
45 400-02107 BASE FAN(L) CABLE ASM. 1
46 400-02322 R-LCD POWER CABLE ASM 1
47 400-02326 BASE FAN R ASM 1
48 400-02108 BASE FAN(R) CABLE ASM. 1
49 400-02315 BANK RLY CABLE ASM. F 1
50 400-02316 BANK RLY CABLE ASM. R 1
51
#01
400-02278 BU DRV PWR CABLE ASM.(EN) 1
52
#01
400-02277 AWC DRV PWR CABLE ASM.(EN) 1
53
#01
400-02313 XY PWR FG WIRE ASM.(EN) 1
54
#01
400-02335 XY L FG WIRE ASM.(EN) 1
55
#01
400-02336 XY R FG WIRE ASM.(EN) 1
56 400-02061 POWER ON LAMP RELAY CABLE ASM. 1
57 400-02058 TF2 FG CABLE ASM. 1
58
#01
400-02276 CARRY M PWR CABLE ASM(EN) 1

- -
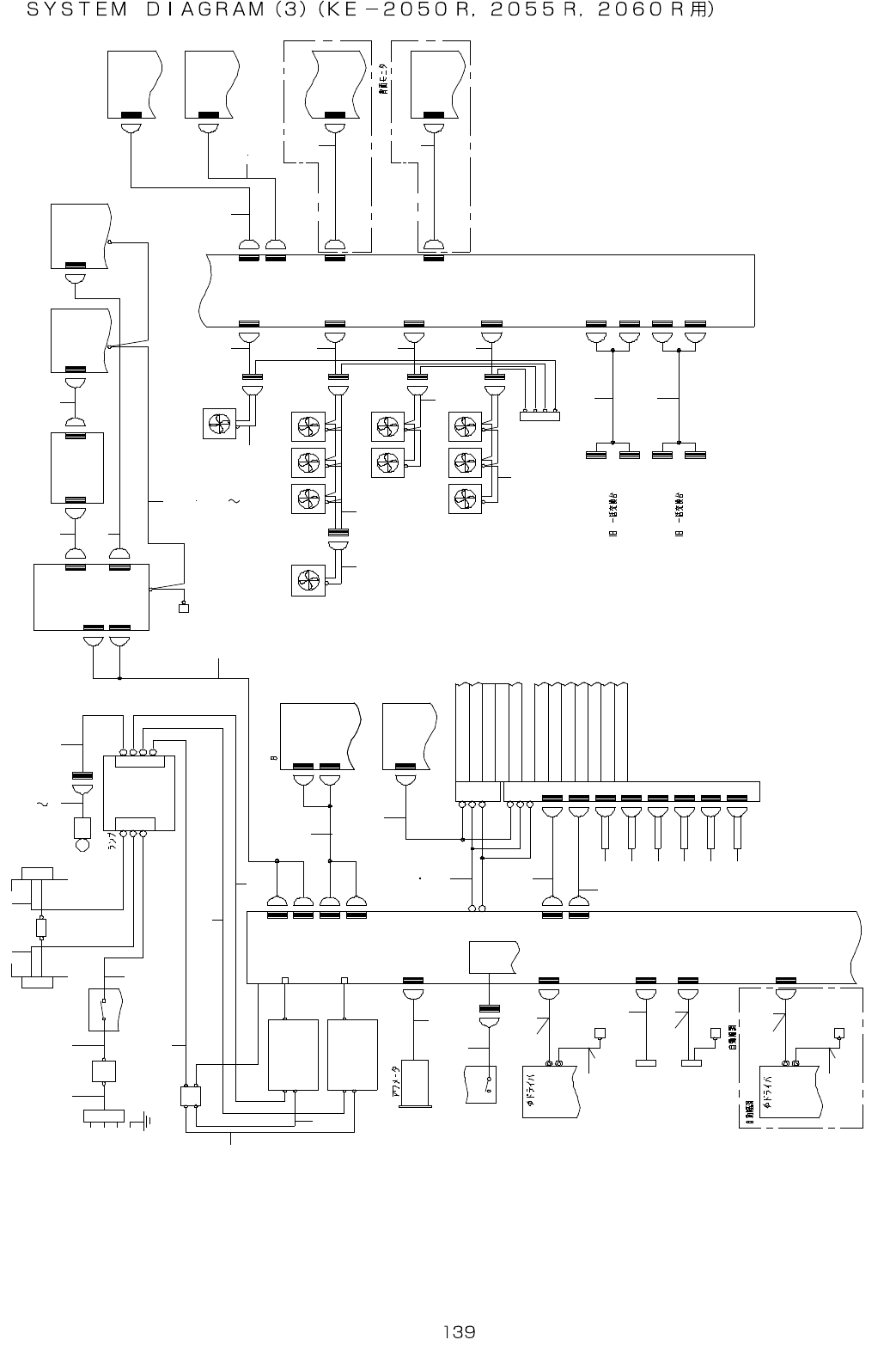
70.SYSTEM DIAGRAM (3)(FOR KE-2050R,2055R,2060R)
1 - 3 C
F G - T A P
F R O N T
7 - 5 B
D C 1 2 V
R E A R L C D
O P T I O N ( )
C N 1 4
O P T I O N ( C V S )
V E R I F Y P C B
S 8 - 5
8 - 1 B
C N 2 9
C N 1 1
C N 7 0 9
V C S M O N I T O R
8 - 3 A
C N 0 4
2 - 4 A
C N 1
C A R R Y P C B
C N 0 2
C N 2 6
C N 2 1
C N 0 3
8 - 3 C
( ) ( F )
( ) ( F )
8 - 4 B
C N 0 1
C N 2 0
C N 2 5
C N 0 0
Z E X T P C B
C N 3 3
C N 3 2
Z 4 - C N 5 B
3 - 1 C
Z 4 - C N 5 A
X Y - C N 4
S Y N Q N E T - R E L A Y P C B
2 - 2 A
C N 1 8
C N 0 9
B A S E F A N R
C N 0 6 7
C N 0 8
B A S E F A N L
C N 0 6 6
C N 0 6 5 C N 0 6 4
C N 0 7
2 - 5 A
C E N T M O T O R
D R I V E R
C N 6 5 5
C N 2 8
C N 2
C N 2 7
C N 1
C N 2 4
T B 2
T B 1
V M E B A C K B O A R D
C P C I B A C K B O A R D
3 - 3 C
6 - 1 A
4 - 3 C
5 - 1 A
3 - 2 D
4 - 3 D
3 - 4 B
1 - 5 B
2 - 1 B
7 - 4 A
C T R L P W R
S A F E T Y
L I G H T C T R L
B A S E - F E E D E R
I / O C T R L
I P - X 3 B
M C M ( L )
V E R I F Y I / F
B U S - B R I D G E
X M P - C P C I
C P U
P W R -
C N 3 B
C N 0 0 2
O P T I O N ( )
C N 1 5
5
( 1 / 2 )
M A I N S W
( 2 / 2 )
T F 1
2 - 2 B2 - 2 A
7 - 3 A
C D - R O M
F G - T A P
R E A R
F G - T A P
F R O N T
F G - T A P
R E A R
F G - T A P
F R O N T
C N 0 9 6
T B 2
F G - T A P
R E A R
1 - 4 A
P O W E R U N I T
T B 1
N F B
P O W E R U N I T
Y L M O T O R F A N
F G - T A P
R E A R
C O N T R O L U N I T T O P F A N
C N 0 6
P W R -
C N 3 A
C A P
- C N 1
C N 0 6 3
X R / Y R D R I V E RX L / Y L D R I V E R
X Y D R I V E R
C O N U N I T
X Y D R I V E R
P O W E R U N I T
C N 0 0 1
M A I N S W
( 1 / 2 )
1 - 1 C
1 - 1 D
Y R M O T O R F A N
T B
T B
5
( 1 / 2 )
B U ( L ) D R I V E R
C N 0 3
D R I V E R
P W R - O N
C N 0 6 0
A C I N P U T
U N I T
T B 1
M T C P W R
( L )
C N 0 6
M T C P W R
( R )
C N 0 7
1 - 1 A
2 - 5 B
2 - 5 B
U
V
W
C N 1 0
F G
P W R
- C N 1
P W R
- C N 2
C A P
- C N 2
A M P R
- C N 1
2
1
3
4
5
6 8
5 6
5 7
9
1 0
1 1
1 2
1 4
1 3
1 5
1 6 1 7 1 8
1 9
2 0
2 1
2 3
2 4
2 5 2 6
2 7
3 0
2 9
3 2 3 3
3 5
3 6
3 7
3 8
3 9 5 8
4 0
4 1
4 2
4 3
4 4
4 5
4 6
4 7
4 8
4 9 5 0
2 8
5 2
3 4 5 3 5 5
2 2
5 1
A C 2 0 0 V
I N P U T
T F 2
U P S
( 1 / 3 )
7 - 3 B
C N 7
C N 8
C N 9
C N 1 0
C N 1 1
C N 1 2
3 13 13 13 13 13 1
A M P L
- C N 1