KE-2050_KE-2050R_KE-2055R_KE-2060_KE-2060R-Rev14-.pdf - 第149页
- - REF.NO N OTE PA RT NO D E S C R I P T I O N Qty 1 400-03262 SYNQ NET CABLE 120 A SM . 2 2 400-02234 XY BEAR H EAD CABL ES ASM . 1 3 400-02232 Y BEAR CABLES ASM. 1 4 400-02339 M G SCALE CABLE ASM. 1 5 400-02117 M G …

- -
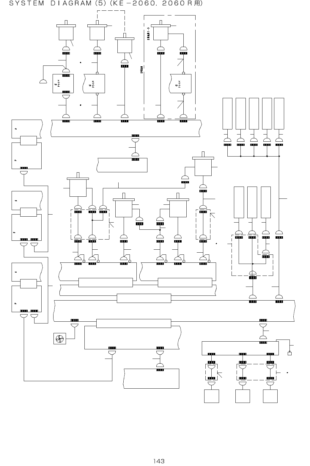
72.SYSTEM DIAGRAM (5)(FOR KE-2060,2060R)
1 - 5 A
1 - 3 C
C N 3 5X Y - J 3
O P T I O N ( )
C N 3 6
C N 3 3
C N 3 2
C N 3 4
C N 3 1
C N 6 6 0
5
( 2 / 2 )
1 - 1 B
C N 6 5 9
C N 6 5 8
B U U P E N C O D E R ( L )
1 - 1 C
5
( 2 / 2 )
B U U P M O T O R ( L )
C N 6 5 7
C N 1
1 - 1 C
P W R
C N 2
5 - 4 A
C N 6 5 6
C N 6 5 5
C E N T E R M O T O R ( L )
C A R R Y
P C B
5
2 - 2 C
X Y
J G R M B
3 - 1 B
Z /
D R I V E R
( 3 )
3 - 1 B
Z /
D R I V E R
( 2 )
C N 1 2 9
X Y - C N 6
C N 1 4 0
C N 1 3 9
C N 1 3 8
C N 1 3 7
C N 1 3 6
X Y - C N 5
( Y C A B L E B E A R )
C N 1 5 2 C N 1 3 2
C N 1 3 1
Y R O R G S E N S O R
+ Y L L I M I T S E N S O R
+ Y L L I M I T S E N S O R
( T R A Y )
( F E E D E R )
C N 1 3 0
- Y L L I M I T S E N S O R
Y L O R G S E N S O R
+ X L L I M I T S E N S O R
- X L L I M I T S E N S O R
X L O R G S E N S O R
1 - 4 A
X R / Y R
- A X I S
D R I V E R
C N 1 5 4
C N 1 5 2
C N 1 5 3
A M P L -
C N 4
C N 1 5 1
F G
C N 1 6 7
( Y C A B L E B E A R )
C N 1 6 5
F G
X R - A X I S
M O T O R
C N 1 6 6
C N 1 5 6
C N 1 5 7
F G
A M P R -
C N 4
C N 1 5 5
A M P R -
C N 3
C N 1 6 8
F G
Y R - A X I S
M O T O R
Y L - A X I S
M O T O R
F G
C N 1 6 4
A M P L -
C N 3
C N 1 6 2
X L / Y L
- A X I S
D R I V E R
X L - A X I S
M O T O R
F G
( Y C A B L E B E A R )
C N 1 6 1
A M P L -
C N 2
1 - 4 A
F G
F G - T A P
F R O N T
Y R
Y R A X I S
M A G N E
S C A L E
H E A D
C N 1 3 4C N 1 4 2
Y L
( Y C A B L E B E A R )
Y L A X I S
M A G N E
S C A L E
H E A D
C N 1 3 3C N 1 4 1
C N 1 7 6
C N 1 7 5
X A X I S
M A G N E
S C A L E
H E A D
( X Y C A B L E B E A R H E A D )
X L
X Y - C N 2S C A L E
M A G N E
S C A L E
D E T E C T O R
Z / D R I V E R
R M B P C B
Z T 3
R M B _ I N
Z / D R I V E R
R M B P C B
Z T 2
R M B _ I N
Z T 2
R M B _ O U T
Z T 1
R M B _ O U T
Z T 1
R M B _ I N
X Y R M B _ I N
1 - 5 A
X Y - D R I V E R F A N
X Y - C N 8
3 - 1 A
6 - 2 B
2 - 4 B
X Y J G R M B
X M P ( C P C I )
P C B
X Y R M B _ O U T
S Y Q N E T
R E L A Y
P C B
Z / D R I V E R
R M B P C B
Z /
D R I V E R
( 1 )
X M P _ O U T
A M P R -
C N 2
11
2 3 4 6
4
5
6
6
7
8
9
1 0
1 1
1 2 1 3 1 4
1 5
1 1
1 6
1 7
1 0
2 5
1 8 1 9
3 4 6
2 0
2 1 2 2 2 3
2 4
2 6 2 9 3 0 3 3
2 7
3 1 4 4
2 8
3 64 8
3 4
3 5
3 7
3 8
3 9
4 0 4 1 4 2 4 3 3 2
4 5
4 7
3
4 6
3
4 6
C N 1 2 7

- -
REF.NO NOTE PART NO D E S C R I P T I O N Qty
1 400-03262 SYNQNET CABLE 120 ASM. 2
2 400-02234 XY BEAR HEAD CABLES ASM. 1
3 400-02232 Y BEAR CABLES ASM. 1
4 400-02339 MG SCALE CABLE ASM. 1
5 400-02117 MG SCALE FG WIRE ASM. 1
6 400-03263 SYNQNET CABLE 20 ASM. 2
7 400-02221 XL MOTOR POWER CABLE ASM. 1
8 400-02307 X MOTOR ENC WIRE ASM. 1
9 400-02330 CPCI CTRL POWER CABLE ASM. 1
10 400-03251 X MOTOR 1
11 400-03252 Y MOTOR 1
12 400-02219 YL MOTOR POWER CABLE ASM. 1
13 400-02308 Y MOTOR ENC WIRE ASM. 1
14 400-02218 YR MOTOR POWER CABLE ASM. 1
15 400-02309 Y MOTOR ENC RELAY WIRE ASM. 1
16 400-02220 XR MOTOR POWER CABLE ASM. 1
17 400-02231 XR DRIVE RELAY CABLE ASM. 1
18 400-02066 X AXIS LMT CABLE ASM. 1
19 400-02065 Y AXIS LMT CABLE ASM. 1
20 400-02230 X LMT RELAY CABLE ASM. 1
21 400-02229 X ORG RANGE SENSOR ASM. 1
22 400-02228 X MINUS LMT SENSOR ASM. 1
23 400-02227 X PLUS LMT SENSOR ASM 1
24 400-02129 Y AXIS LMT RELAY CABLE ASM. 1
25 400-02091 STEPPER CTRL CABLE ASM. 1
26 400-02093 CENT MOTOR PULSE CABLE ASM. 1
27 400-02173 CENT MOTOR CABLE ASM. 1
28 E9431-729-0A0 CENT MOTOR ASM. 1
29 400-02098 BU MOTOR PULSE CABLE ASM. 1
30
#01
400-02099 BU MOTOR PULSE CABLE ASM. 1
31 400-02174 BU MOTOR CABLE ASM. 1
32 400-02172 YR ORG SENS ASM 1
33 400-02095 BU ENC CABLE ASM. 1
34 E9433-729-0A0 BU ENC ASM. 1
35 400-02094 AWC ENC CABLE ASM. 1
36 E9434-729-0A0 WIDTH ADJUST MOTOR ASM. 1
37 400-02096 AWC MOTOR PULSE CABLE ASM. 1
38
#01
400-02097 AWC MOTOR PULSE CABLE ASM. 1
39 400-02176 AWC MOTOR CABLE ASM. 1
40 400-02171 YL ORG SENS ASM 1
41 400-02068 YL LMT SENSOR ASM. 1
42 400-02069 +YL LMT SENSOR(TRAY)ASM. 1
43 400-02070 +YL LMT SENSOR(FEEDER)ASM. 1
44
#01
400-02175 BU MOTOR CABLE ASM.(EN) 1
45
#01
400-02177 AWC MOTOR CABLE ASM.(EN) 1
46
#02
400-02346 Y BEAR CABLES ASM (E) 1
47
#02
400-02347 XY BEAR HEAD CABLES ASM (E) 1
48 E9432-729-0A0 BU MOTOR ASM. 1

- -
73.SYSTEM DIAGRAM (6)(FOR KE-2050,2050R,2055R)
1 - 3 C
L S 4 - 5
1 - 3 C
1 - 2 B
I / O C T R L
P C B
5 - 1 C
C N 5
C N 2 4 5
X Y C A B L E B E A R H E A D
C N 0 5 9
C N 6
M N L A
L A ( L )
Z 4 - C N 2 A
M C M ( L )
L A _ S I G
M C M ( L )
4 - 2 A
H E A D M A I N
P C B
C N 1
Z 4 - C N 4
C N 4
Z - D R I V E R F A N
C N 0 5 7
Z
S L O T _ 2
Z 2 - C N 2
Z D R I V E R ( 2 )
2 - 3 A
Z 2 - C N 1
C N 2 1 3
4 M O T O R
Z 4 M O T O R
3 M O T O R
Z 3 M O T O R
C N 2 1 4
C N 2 1 5
C N 2 1 6
Z 1 - C N 1
C N 2 1 2
C N 2 1 1
C N 2 1 0
X Y C A B L E B E A R H E A D
Z
S L O T _ 4
Z E X T
Z D R I V E R U N I T
6 - 2 C
2 - 1 A
Z 4 - C N 3
Z D R I V E R ( 1 )
C T R L - P W R
P C B
Z 1 M O T O R
1 M O T O R
Z 2 M O T O R
2 M O T O R
Z 1 - C N 2
C N 2 0 2
C N 2 0 9
4 - 1 B
X Y C A B L E B E A R Z T
Z B A C K
B O A R D
Z
S L O T _ 1
1
2 3 2 3
2 3 2 3
4
5 6
7
8
9
7
1 0
C N 8 4 8 C N 8 4 9