KE-2050_KE-2050R_KE-2055R_KE-2060_KE-2060R-Rev14-.pdf - 第146页
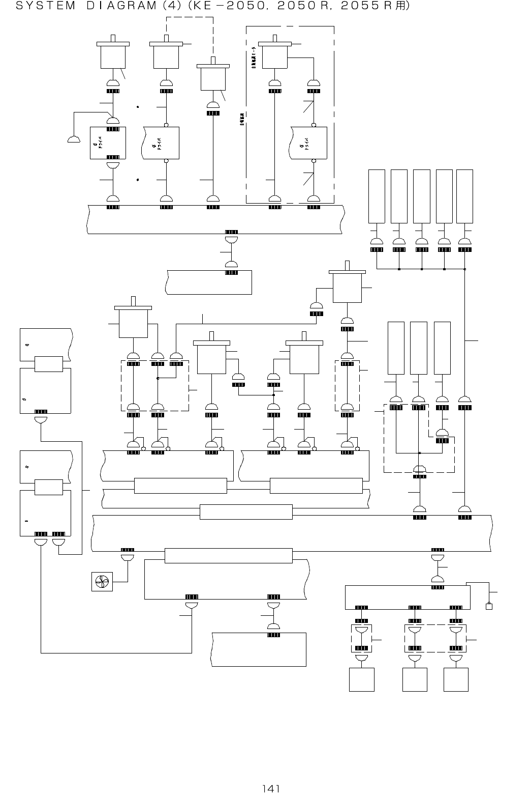
- - 71.S Y ST EM DIA G R AM (4 ) ( F OR KE-2050,2050R,205 5R ) 1 - 5 A 1 - 3 C C N 3 5 X Y - J 3 O P T I O N ( ) C N 3 6 C N 3 3 C N 3 2 C N 3 4 C N 3 1 C N 6 6 0 5 ( 2 / 2 ) 1 - 1 B C N 6 5 9 C N 6 5 8 B U U P E N C O…

- -
REF.NO NOTE PART NO D E S C R I P T I O N Qty
1 400-02055 BREAKER INPUT CABLE ASM. 1
2 400-02067 BREAKER OUT CABLE ASM. 1
3 400-02064 MAIN SW OUTPUT CABLE ASM. 1
4 400-02062 MTC POWER WIRE L ASM 1
5 400-02063 MTC POWER WIRE R ASM 1
6 E9221-729-0A0 PWR ON LIGHT ASM. 1
7
#01
E9221-729-HA0 PWR ON LIGHT ASM. 1
8
#01
HE-0004500-00 INDICATION LIRGT 1
9 400-02057 TF1 FG CABLE ASM. 1
10 400-02056 INPUT UNIT FG CABLE ASM. 1
11 400-02060 TF2 INPUT CABLE ASM. 1
12 400-02059 TF1 INPUT CABLE ASM. 1
13 400-02193 XY SERVO POWER WIRE ASM. 1
14 400-02217 ZT SERVO POWER WIRE ASM. 1
15 400-02199 CD ROM POWER CABLE ASM. 1
16 400-02327 PS CTRL POWER CABLE ASM. 1
17 400-02330 CPCI CTRL POWER CABLE ASM. 1
18 400-02328 BACKBOARD MONITOR CABLE ASM. 1
19 400-02329 BACKBOARD SIGNALCABLE ASM. 1
20 400-02115 HOURMETER ASM. 1
21 400-02101 UPS SW CABLE ASM. 1
22 400-02110 BU DRV POWER CABLE ASM. 1
23 400-02111 BU DRV FG WIRE ASM. 1
24
#01
400-02112 BU DRV FG WIRE ASM.(EN) 1
25 400-02100 CENT MOTOR PWR CABLE ASM. 1
26 400-02118 VCS MONITOR PWR CABLE ASM. 1
27
#01
400-02306 VCS MONITOR PWR CABLE ASM. 1
28 400-02109 AWC DRV POWER CABLE ASM. 1
29 400-02113 AWC DRV FGWIRE ASM. 1
30
#01
400-02114 AWC DRV FGWIRE ASM.(EN) 1
31 400-02344 BUP SHORT WIRE(EN) ASM 1
32 400-02194 PN1 CABLE ASM. 1
33 400-02196 PN3 CABLE ASM. 1
34 400-02116 XY DRV FG WIRE ASM. 1
35 400-02195 PN2 CABLE ASM. 1
36 400-02106 YL FAN CABLE ASM. 1
37 400-02076 SYNQNET PWR CABLE ASM. 1
38 E9247-729-0A0 YL MOTOR FAN ASM. 1
39 400-02085 CARRY MOTOR AC CABLE ASM. 1
40 E9250-729-0A0 YR MOTOR FAN ASM. 1
41 E9249-729-0A0 CTRL UNIT TOP FAN ASM. 1
42 400-02054 CTRL UNIT TOP FAN RELAY ASM. 1
43 400-02216 VERIFY PWR CABLE ASM. 1
44 E9252-729-0A0 BASE FAN(L) ASM. 1
45 400-02107 BASE FAN(L) CABLE ASM. 1
46 400-02322 R-LCD POWER CABLE ASM 1
47 400-02326 BASE FAN R ASM 1
48 400-02108 BASE FAN(R) CABLE ASM. 1
49 400-02315 BANK RLY CABLE ASM. F 1
50 400-02316 BANK RLY CABLE ASM. R 1
51
#01
400-02278 BU DRV PWR CABLE ASM.(EN) 1
52
#01
400-02277 AWC DRV PWR CABLE ASM.(EN) 1
53
#01
400-02313 XY PWR FG WIRE ASM.(EN) 1
54
#01
400-02335 XY L FG WIRE ASM.(EN) 1
55
#01
400-02336 XY R FG WIRE ASM.(EN) 1
56 400-02061 POWER ON LAMP RELAY CABLE ASM. 1
57 400-02058 TF2 FG CABLE ASM. 1
58
#01
400-02276 CARRY M PWR CABLE ASM(EN) 1

- -
71.SYSTEM DIAGRAM (4)(FOR KE-2050,2050R,2055R)
1 - 5 A
1 - 3 C
C N 3 5X Y - J 3
O P T I O N ( )
C N 3 6
C N 3 3
C N 3 2
C N 3 4
C N 3 1
C N 6 6 0
5
( 2 / 2 )
1 - 1 B
C N 6 5 9
C N 6 5 8
B U U P E N C O D E R ( L )
1 - 1 C
5
( 2 / 2 )
B U U P M O T O R ( L )
C N 6 5 7
C N 1
1 - 1 C
P W R
C N 2
5 - 4 A
C N 6 5 6
C N 6 5 5
C E N T E R M O T O R ( L )
C A R R Y
P C B
5
2 - 2 C
X Y
J G R M B
3 - 1 B
Z /
D R I V E R
( 2 )
C N 1 2 9
X Y - C N 6
C N 1 4 0
C N 1 3 9
C N 1 3 8
C N 1 3 7
C N 1 3 6
X Y - C N 5
( Y C A B L E B E A R )
C N 1 5 2 C N 1 3 2
C N 1 3 1
Y R O R G S E N S O R
+ Y L L I M I T S E N S O R
+ Y L L I M I T S E N S O R
( T R A Y )
( F E E D E R )
C N 1 3 0
- Y L L I M I T S E N S O R
Y L O R G S E N S O R
+ X L L I M I T S E N S O R
- X L L I M I T S E N S O R
X L O R G S E N S O R
1 - 4 A
X R / Y R
- A X I S
D R I V E R
C N 1 5 4
C N 1 5 2
C N 1 5 3
A M P L -
C N 4
C N 1 5 1
F G
C N 1 6 7
( Y C A B L E B E A R )
C N 1 6 5
F G
X R - A X I S
M O T O R
C N 1 6 6
C N 1 5 6
C N 1 5 7
F G
A M P R -
C N 4
C N 1 5 5
A M P R -
C N 3
C N 1 6 8
F G
Y R - A X I S
M O T O R
Y L - A X I S
M O T O R
F G
C N 1 6 4
A M P L -
C N 3
C N 1 6 2
X L / Y L
- A X I S
D R I V E R
X L - A X I S
M O T O R
F G
( Y C A B L E B E A R )
C N 1 6 1
A M P L -
C N 2
1 - 4 A
F G
F G - T A P
F R O N T
Y R
Y R A X I S
M A G N E
S C A L E
H E A D
C N 1 3 4C N 1 4 2
Y L
( Y C A B L E B E A R )
Y L A X I S
M A G N E
S C A L E
H E A D
C N 1 3 3C N 1 4 1
C N 1 7 6
C N 1 7 5
X A X I S
M A G N E
S C A L E
H E A D
( X Y C A B L E B E A R H E A D )
X L
X Y - C N 2S C A L E
M A G N E
S C A L E
D E T E C T O R
Z / D R I V E R
R M B P C B
Z T 2
R M B _ I N
Z T 1
R M B _ O U T
Z T 1
R M B _ I N
X Y R M B _ I N
1 - 5 A
X Y - D R I V E R F A N
X Y - C N 8
3 - 1 A
6 - 2 B
2 - 4 B
X Y J G R M B
X M P ( C P C I )
P C B
X Y R M B _ O U T
S Y Q N E T
R E L A Y
P C B
Z / D R I V E R
R M B P C B
Z /
D R I V E R
( 1 )
X M P _ O U T
A M P R -
C N 2
11
2 3
4
5
6
7
8
9
1 0
3
1 1
1 2 1 3 1 4
1 5
1 1
1 6
3
1 7
1 0
2 5
1 8 1 9
3
2 0
2 1 2 2 2 3
2 4
2 6 2 9 3 0 3 3
2 7
3 1 4 4
2 8
3 64 6
3 4
3 5
3 7
3 8
3 9
4 0 4 1 4 2 4 3 3 2
4 5
C N 1 2 7

- -
REF.NO NOTE PART NO D E S C R I P T I O N Qty
1 400-03262 SYNQNET CABLE 120 ASM. 2
2 400-02234 XY BEAR HEAD CABLES ASM. 1
3 400-02232 Y BEAR CABLES ASM. 1
4 400-02339 MG SCALE CABLE ASM. 1
5 400-02117 MG SCALE FG WIRE ASM. 1
6 400-03263 SYNQNET CABLE 20 ASM. 1
7 400-02221 XL MOTOR POWER CABLE ASM. 1
8 400-02307 X MOTOR ENC WIRE ASM. 1
9 400-02330 CPCI CTRL POWER CABLE ASM. 1
10 400-03251 X MOTOR 1
11 400-03252 Y MOTOR 1
12 400-02219 YL MOTOR POWER CABLE ASM. 1
13 400-02308 Y MOTOR ENC WIRE ASM. 1
14 400-02218 YR MOTOR POWER CABLE ASM. 1
15 400-02309 Y MOTOR ENC RELAY WIRE ASM. 1
16 400-02220 XR MOTOR POWER CABLE ASM. 1
17 400-02231 XR DRIVE RELAY CABLE ASM. 1
18 400-02066 X AXIS LMT CABLE ASM. 1
19 400-02065 Y AXIS LMT CABLE ASM. 1
20 400-02230 X LMT RELAY CABLE ASM. 1
21 400-02229 X ORG RANGE SENSOR ASM. 1
22 400-02228 X MINUS LMT SENSOR ASM. 1
23 400-02227 X PLUS LMT SENSOR ASM 1
24 400-02129 Y AXIS LMT RELAY CABLE ASM. 1
25 400-02091 STEPPER CTRL CABLE ASM. 1
26 400-02093 CENT MOTOR PULSE CABLE ASM. 1
27 400-02173 CENT MOTOR CABLE ASM. 1
28 E9431-729-0A0 CENT MOTOR ASM. 1
29 400-02098 BU MOTOR PULSE CABLE ASM. 1
30
#01
400-02099 BU MOTOR PULSE CABLE ASM. 1
31 400-02174 BU MOTOR CABLE ASM. 1
32 400-02172 YR ORG SENS ASM 1
33 400-02095 BU ENC CABLE ASM. 1
34 E9433-729-0A0 BU ENC ASM. 1
35 400-02094 AWC ENC CABLE ASM. 1
36 E9434-729-0A0 WIDTH ADJUST MOTOR ASM. 1
37 400-02096 AWC MOTOR PULSE CABLE ASM. 1
38
#01
400-02097 AWC MOTOR PULSE CABLE ASM. 1
39 400-02176 AWC MOTOR CABLE ASM. 1
40 400-02171 YL ORG SENS ASM 1
41 400-02068 YL LMT SENSOR ASM. 1
42 400-02069 YL+ LMT SENSOR(TRAY)ASM. 1
43 400-02070 YL+ LMT SENSOR(FEEDER)ASM. 1
44
#01
400-02175 BU MOTOR CABLE ASM.(EN) 1
45
#01
400-02177 AWC MOTOR CABLE ASM.(EN) 1
46 E9432-729-0A0 BU MOTOR ASM. 1