KE-2050_KE-2050R_KE-2055R_KE-2060_KE-2060R-Rev14-.pdf - 第174页
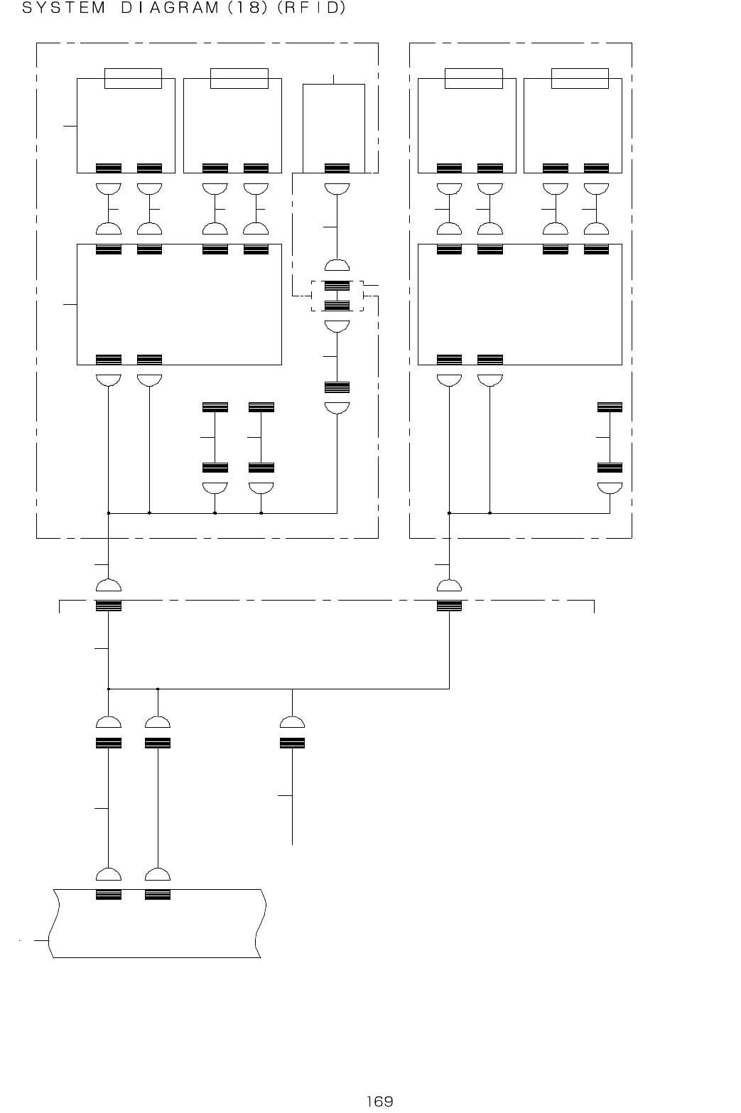
- - 85.S Y ST EM DIA G R AM (1 8) ( R FID) C N 2 R C N 1 F /2R J N T F / R J NT F /R F EE D ER I/ F P CB (F ) F E ED ER BA N K P CB ( RR ) ( O L D - T Y P E _ O V E R A L L _ R E P L A C E M E N T _ T A B L E - R ) IC …

- -
REF.NO NOTE PART NO D E S C R I P T I O N Qty
1 400-00466 POWER UNIT 1
2
#01
400-00518 POWER UNIT(EN) 1
3 400-02315 BANK RLY CABLE ASM F 1
4 400-75085 RFID BANK CABLE ASM 1
5 E9388-725-0A0 FEEDER BANK RELAY CABLE 3 ASM. 1
6 E8618-721-0A0 FEEDER I/F BOARD ASM. 1
7 E9378-721-0A0 FEEDER BANK CABLE 5 ASM 1
8 E8615-715-0A0 FEEDER BANK CIRCUIT BOARD ASM. 1
9 E9395-725-0A0 IC FULL RELAY CABLE 3 ASM. 1
10 E9384-721-0A0 FEEDER BANK DC CABLE 5 ASM. 1
11 E9379-721-0A0 FEEDER BANK CABLE 6 ASM. 1
12 E9385-721-0A0 FEEDER BANK DC CABLE 6 ASM. 1
13 400-73742 RFID BANK F CONTROL BOX CABLE ASM 1
14 400-73753 RFID BANK CABLE ASM 1
15 E9395-725-0A0 IC FULL RELAY CABLE 3 ASM. 1
16 400-75525 RFID-PARTS_BANK UNIT 1
17 E9378-721-0A0 FEEDER BANK CABLE 5 ASM 1
18 E9384-721-0A0 FEEDER BANK DC CABLE 5 ASM. 1
19 E9379-721-0A0 FEEDER BANK CABLE 6 ASM. 1
20 E9385-721-0A0 FEEDER BANK DC CABLE 6 ASM. 1
21 HK-0651200-60 CONNECTOR 1
22 400-75358 JOINT PARTS ANTENNA ARRAY F/R CABL E 1
23 E9532-729-0A0 CUTTER POWER SOURCE CABLE ASM. 1
24 400-75356 BANK F/R JOINT PARTS CABLE ASM 1

- -
85.SYSTEM DIAGRAM (18)(RFID)
CN2R CN1F/2R
JNT F/R JNT F/R
FEEDER I/F PCB (F)
FEEDER BANK PCB(RR)
(OLD-TYPE_OVERALL_REPLACEMENT_TABLE-R)
IC FULL
CN1CN661
CN2CN662
CN649
CN760 CN9CN9-2 CN669-2
CN761 CN10CN10-2 CN670-2
CN10-1 CN670-1 CN10CN751
CN669-1CN9-1 CN9CN750
FEEDER BANK PCB(RL)
ANT F/R
CN649
IC FULL
CN F/R
ANTENNA ARRAY
CN507
CN11
FEEDER I/F PCB (F)
FEEDER BANK PCB(RR)
CONNECTOR_BRACKET (OVERALL_REPLACEMENT_TABLE-R *RFID*)
CN1CN661
CN2CN662
CN760 CN9CN9-2 CN669-2
CN761 CN10CN10-2 CN670-2
CN10-1 CN670-1 CN10CN751
CN669-1CN9-1 CN9CN750
FEEDER BANK PCB(RL)
CN10
CN04
CN03CN021
CN026
N O T E 1
T h i s d i a g r a m s h o w s o n l y t h e p o r t i o n
r e l e v a n t t o " R F I D " .
REALY
CONECTOR
CN02
GX-5_C OVE R
(01_4B)CH2_REAR
OVERALL REPLACEMENT TABLE R
POWER UNIT
3
1 2
1 3
4
1 4 5
9 2 3
2 4
2 2
1 5
1 7 1 8 1 9 2 01 21 11 07
6
8
*
1 2

- -
REF.NO NOTE PART NO D E S C R I P T I O N Qty
1 400-00466 POWER UNIT 1
2
#01
400-00518 POWER UNIT(EN) 1
3 400-02316 BANK RLY CABLE ASM R 1
4 400-75085 RFID BANK CABLE ASM 1
5 E9388-725-0A0 FEEDER BANK RELAY CABLE 3 ASM. 1
6 E8618-721-0A0 FEEDER I/F BOARD ASM. 1
7 E9378-721-0A0 FEEDER BANK CABLE 5 ASM 1
8 E8615-715-0A0 FEEDER BANK CIRCUIT BOARD ASM. 1
9 E9395-725-0A0 IC FULL RELAY CABLE 3 ASM. 1
10 E9384-721-0A0 FEEDER BANK DC CABLE 5 ASM. 1
11 E9379-721-0A0 FEEDER BANK CABLE 6 ASM. 1
12 E9385-721-0A0 FEEDER BANK DC CABLE 6 ASM. 1
13 400-73743 RFID BANK R CONTROL BOX CABLE ASM 1
14 400-73753 RFID BANK CABLE ASM 1
15 E9395-725-0A0 IC FULL RELAY CABLE 3 ASM. 1
16 400-75525 RFID-PARTS_BANK UNIT 1
17 E9378-721-0A0 FEEDER BANK CABLE 5 ASM 1
18 E9384-721-0A0 FEEDER BANK DC CABLE 5 ASM. 1
19 E9379-721-0A0 FEEDER BANK CABLE 6 ASM. 1
20 E9385-721-0A0 FEEDER BANK DC CABLE 6 ASM. 1
21 HK-0651200-60 CONNECTOR 1
22 400-75358 JOINT PARTS ANTENNA ARRAY F/R CABL E 1
23 E9532-729-0A0 CUTTER POWER SOURCE CABLE ASM. 1
24 400-75356 BANK F/R JOINT PARTS CABLE ASM 1