NXT-II 系统手册.pdf - 第171页
QD142-06 4. 生产 NXT II 系统手册 151 4.12.13 电路板停止位置补正功能 补正被载入到机器的电路板的停止位置并保持一致的功能 。 当由于电路板的重量或尺寸不 同而导致停止位置不稳定等时, 能够起到使用效果。 另外,该功能对电路板的 X 方向尺寸有限制。 电路板停止位置补正功能设定步骤 1. 请进行电路板轮廓顺序的设定,使得电 路板停止补正功能变成有效。详细请 参照 NXT-2 编程手册。 2. 在辅助软件的 …

4. 生产 QD142-06
150 NXT II 系统手册
使用自动支撑销配置功能时的注意事项
1. 在双轨道生产中,在一方的通道中有电路板的状态下,即使另一方的通道中没有电路板
也不能进行支撑销配置和收纳。请事先取出电路板。
2. 从双模组生产的 Job 切换到单模组生产的 Job 后,如果只能在双模组生产中进行配置的
区域内存在支撑销时,无法进行收纳。在切换生产 Job 之前,请进行送出运转,或者执
行支撑板更换指令。另外,如果是自动换线功能时,自动收纳支撑销。
3. 如果同时使用了电路板停止位置补正功能时,在创建 Job 时请注意不要在电路板轮廓读
取位置上配置支撑销。
4. 如果使用低反射板时,在创建 Job 时请注意不要在低反射板上配置支撑销。

QD142-06 4. 生产
NXT II 系统手册 151
4.12.13 电路板停止位置补正功能
补正被载入到机器的电路板的停止位置并保持一致的功能。当由于电路板的重量或尺寸不
同而导致停止位置不稳定等时,能够起到使用效果。
另外,该功能对电路板的 X 方向尺寸有限制。
电路板停止位置补正功能设定步骤
1. 请进行电路板轮廓顺序的设定,使得电路板停止补正功能变成有效。详细请参照 NXT-2
编程手册。
2. 在辅助软件的 [ 机器功能设定 ] 画面上,请进行电路板停止位置补正功能的设定。
· [ 电路板停止位置补正功能的设定对象 ]:选择 [ 机器单位 ]或[模组单位]。
· [ 电路板停止位置补正功能 ON/OFF 设定 ]:选择 [ 功能 ON (F 定位点)] 或 [ 功
能 ON (电路板轮廓)]。
电路板尺寸 大电路板尺寸 (*)
M3-2 单模组生产 X 方向 250 mm 以下 X 方向 305 mm 以下
M3-2 双模组生产 X 方向 534 mm 以下 -
M6-2 X 方向 534 mm 以下 X 方向 610 mm 以下
6<66
⬉䏃ᵓ䖍⊓乎ᑣതᷛ
ৃ䌈㺙㣗ೈ
ৃҹᇍᑨ
ϡৃҹᇍᑨ
⬉䏃ᵓᯊˈ䇋ḍҹϟⱘ䅵ㅫ݀ᓣৃ䌈㺙㣗ೈݙᣛᅮ⬉䏃ᵓⱘ䖍⊓乎ᑣޕ
06㧙҇㧔 㧗⬉䏃ᵓԡ⿏䞣㧕㧙⬉䏃ᵓ乎ᑣതᷛ;҇
⬉䏃ᵓሎᇌ
06㧙҇㧔 㧗⬉䏃ᵓԡ⿏䞣㧕㧙⬉䏃ᵓ乎ᑣതᷛ;҇
⬉䏃ᵓሎᇌ
01SYS-0262E

4. 生产 QD142-06
152 NXT II 系统手册
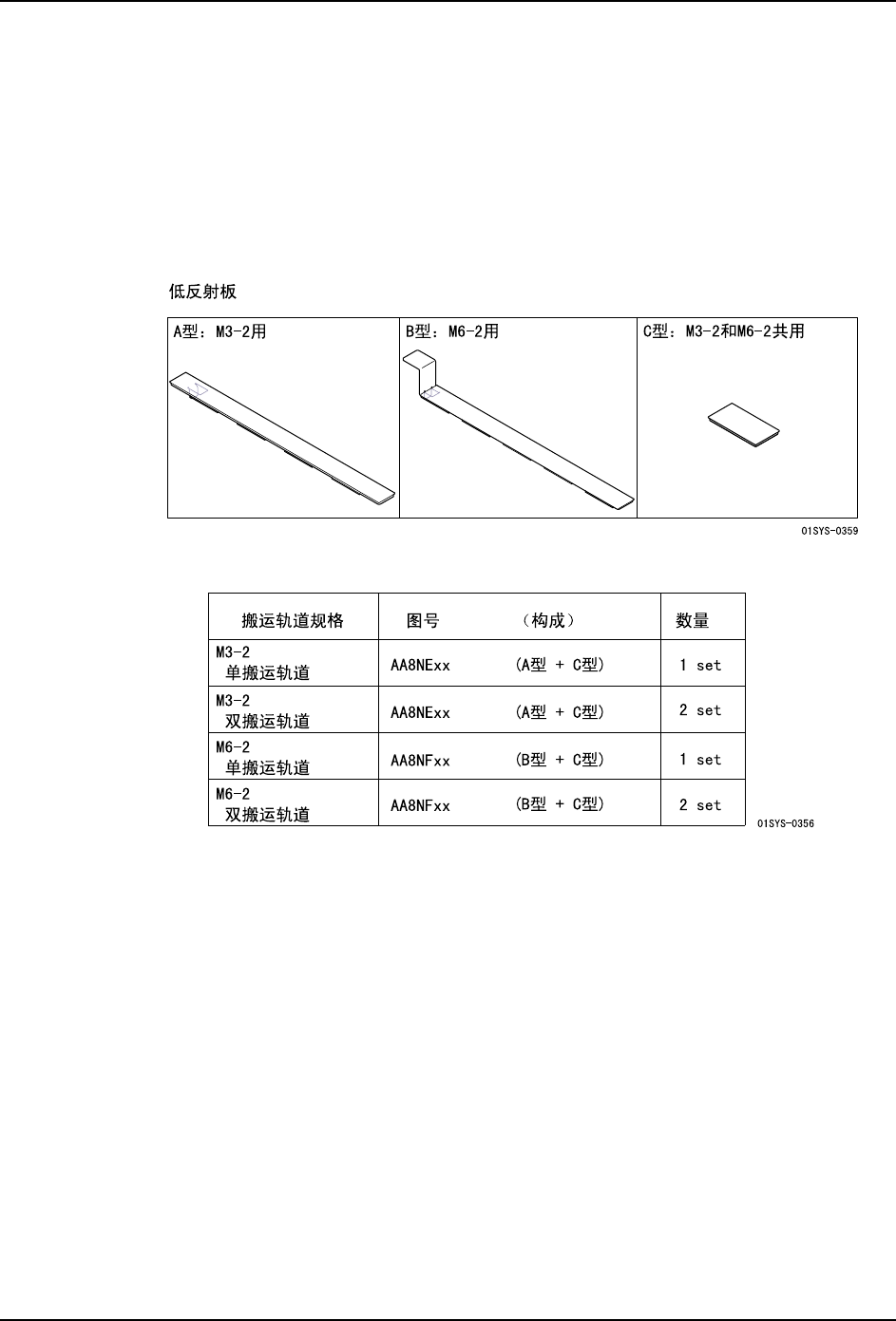
低反射板的准备
在应用电路板停止位置补正时,机器对载入到搬运轨道上的电路板的基准定位点及轮廓进
行影像处理。如果通过电路板的轮廓检测进行补正时,在以下的条件时需要在机器上安装低
反射板。
· 电路板轮廓顺序的背景从支撑板离开时。
· 尽管擦除了支撑板上附着的油污等,还是发生读取错误时。
· 因为不能确保电路板颜色与支撑板的亮度差,发生读取错误时。
另外,反射板为另外购买部件。请对照搬运轨道的规格来准备部件。