NXT-II 系统手册.pdf - 第289页
QD142-06 5. 换线 NXT II 系统手册 269 5.8.4 设定料盘吸取压入量 安装在料盘单元 -M 上的料盘存在微量挠度。考虑到这个问题, 因此设定了料盘元件吸取时 的吸嘴压入量 (1.0 mm) 。但是由 于各料盘单元 -M 的挠度不同,所以会出现不能取得合适 压入量的情况。 在辅助软件的 [ 设定料盘吸取压入量 ] 中, 能够对各料盘单元 -M 进行 -2.000 ~ +2.000 mm 范围内的吸嘴压入量设定。 料…

5. 换线 QD142-06
268 NXT II 系统手册
6. 如果有其他料槽的料盘更换的向导,请重复上述 3. 项~ 5. 项。当完成所有的补充后,
就会显示按下 COPLT 按钮的向导。
7. 请放下料盘挡块。
8. 请关闭正面门,按下 COMPLETE 按钮。开始生产。
备注 )请轻轻关闭正面门,使得料盘单元 -M 不受到冲击。

QD142-06 5. 换线
NXT II 系统手册 269
5.8.4 设定料盘吸取压入量
安装在料盘单元 -M 上的料盘存在微量挠度。考虑到这个问题,因此设定了料盘元件吸取时
的吸嘴压入量 (1.0 mm)。但是由于各料盘单元 -M 的挠度不同,所以会出现不能取得合适
压入量的情况。
在辅助软件的 [ 设定料盘吸取压入量 ] 中,能够对各料盘单元 -M 进行 -2.000 ~ +2.000 mm
范围内的吸嘴压入量设定。
料盘吸取压入量的设定步骤
1. 请双击桌面上的 [Internet Explorer]。
2. 输入地址 (URL) "http://<NXT accessory software server name>/fujiweb" 并按 Enter
键。切换到确认服务器 PC 和加载画面上,结束了必要项目的加载后显示 [Home] 画面。
在该页面上显示机器的基本生产信息。
3. 从在线监视画面上单击进行设定的机器名或模组号码。显示出辅助软件的注册画面。
4. 请直接输入用户 ID。或者从选择框中指定。
5. 请输入密码单击 [ 注册 ]。如果与机器相连,则最上面的图就会被变更到与所选择的机器
一致。画面的左下显示能够执行的项目菜单。右下显示所选择项目的详细内容。
6. 请从 [ 菜单 ] 中选择 [ 模组功能设定 ]。辅助软件被连接到机器上,接受机器的信息。该
步骤结束后就会显示设定页面。
7. 从 [ 种类 ] 的下拉菜单中选择 [ 料盘单元设定 ]。选择种类后,一览表内的设定项目就会
被变更为所选择种类的设定内容。
8. 请输入新的值。(-2.000 ~ +2.000 mm)
9. 设定结束后,请单击 [ 对机器设定 ]。新设定被传送到机器上。如画面上显示结束信息则
传输完毕。
10.请单击 [ 关闭 ]。

5. 换线 QD142-06
270 NXT II 系统手册
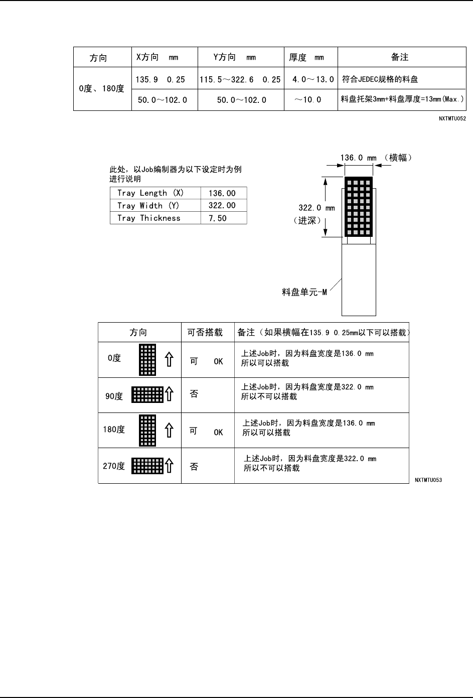
5.8.5 料盘单元 -M 中可以使用的料站尺寸
料盘方向和搭载条件
–
–
–