PCBRM_User_Manual_R9.pdf - 第94页
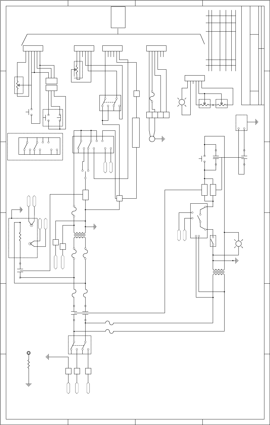
Pcbrm15 & PCBRM System 5.2 User’s Manual Chapter 7: Schematics Part No. 4005.00.906 7-2

Pcbrm15 & PCBRM System 5.2 User’s Manual Chapter 7: Schematics
Part No. 4005.00.906 7-1
7: Schematics

Pcbrm15 & PCBRM System 5.2 User’s Manual Chapter 7: Schematics
Part No. 4005.00.906 7-2

1 2 3 4
56
A
B
C
D
6
54321
D
C
B
A
Title
Number RevisionSize
B
Date: 24-Feb-2023 Sheet of
File: \\AVFP1\Engineering\Eng Gen\Check\Jeff\2004.00.902-D.ddbDrawn By:
STATIC DISSIPATION
RECEPTICAL
LINE 1
LINE 2
GND
GN
94
2 COM
5 COM
6
4
3
1
93
92
CR1
CR1
4
3
5
6
61
62
24 25
F1
0.5A
F2
0.5A
208-240 VAC SUPPY
LINE CORD FOR
BASE PCBRM15
SEE PH150 OR
4005.00.907 FOR
SYSTEM
HEATER
SOLDER
POT
GN
+-
F5
15A
F6
15A
CHASSIS
GROUND
CR3
12
29 31
BK
39
T1
120V AC
240V AC
27
28
F3
0.5A
F7
2A
F8
2A
30
38
OTC -
OTC +
MTC +
MTC -
OVERTEMP TC PROCESS TC
52
32
40
+
-
100VA
ON
STBY
CR3
8
6
7
37
1
2
0
1
2
4
5
MTC-
MTC+
1
2
3
4
5
6
J1
1
2
3
4
5
6
J2
1
2
3
4
5
6
J3
1
2
3
4
5
6
J4
21
23
22
FLOW
50K
11
47
12
CYCLE
STOP SW4
START SW5
FOOT SWITCH
DURATION
25K
36
TS1
9
19
7
8
20
5
42
5
8
74
4
11
0
F4
0.3A
M
M1
SOLDER PUMP
TS4
TS10
TS8
TS9
45
46
51
50
53
45
51
50
1
2
3
4
5
6
J5
13
10
ACCEL
100K
DECCEL
500K
T2
30VA
EMO
89
88
240V AC 24V AC
1
57
9
LT1
POWER
R
LT2
CYCLE
G
17
70
3334
69
18
5 4
67
59
CR1
CR2
RESET
CR2
35 56
15
14 26
69
47
LIMIT
CONTROLLER
OTC+
OTC-
CONT
TEMPERATURE
CONTROLLER
HEATER
CONTROL
CR2
68
5755
CYCLE
CONTROL
CARD
CONNECTORS
SW1
34
SW2
SW3
58
71
72
73
ELEC SCHEMATIC, PCBRM15
2004.00.902
11
JD
POWER
OPT2
63
66
42
SW7
MODE
95
99
42
Rev ECN Description Date By
A Initial Release JD
E
Appd
JDNone
1 M OHM
TS6
TS2
TS3
APS SOLENOID
49
6867
TS5
96
5/24/12
3
6
W
BK
TS11
TS12
GY
32A
BK 52A
E-STOP2
E-STOP1
SEE PH150 OR 4005.00.907
1
2
B JD JD1564 11/3/21REWIRE FOR NEW
PROCESS AND LIMIT
CONTROLLERS
11
9
10
OPT1
41
NOTES:
1. FUSE F1, F2, F5, F6, F7, F8 TO BE MIN
5KA INTERRUPT RATING AT 240V
C 1588 7/6/22 JD JD
F1-2 NOW .5A, ADDED
INTERRUPT NOTE
1
2
3
1
2
3
D 1578 8/25/22 JD JD
CHG FOOT SW PLUG
TO 3 PIN FROM 6
12
11
15
13
14
4
5
TEMPERATURE
CONTROLLER
OPT2
9
10
3
1
2
OPT1
ALT (WEST)
(CAL)
E 1622 2/24/23 JD JDADD ALT TEMP CNRLR