00191337-01.pdf - 第143页
Instrucciones de uso SIPLACE 80S-20/F4/F5 5 Cuidado y mantenimiento Edición 05/99 CE SPA a partir de la versión de s oftware SR.405.xx 5.1 Vista general 5 - 3 5.1 Vist a ge neral 5.1.1 Máquina automática p ara d ot ar co…
5 Cuidado y mantenimiento Instrucciones de uso SIPLACE 80S-20/F4/F5
Edición 05/99 CE SPA a partir de la versión de software SR.405.xx
5 - 2

Instrucciones de uso SIPLACE 80S-20/F4/F5 5 Cuidado y mantenimiento
Edición 05/99 CE SPA a partir de la versión de software SR.405.xx 5.1 Vista general
5 - 3
5.1 Vista general
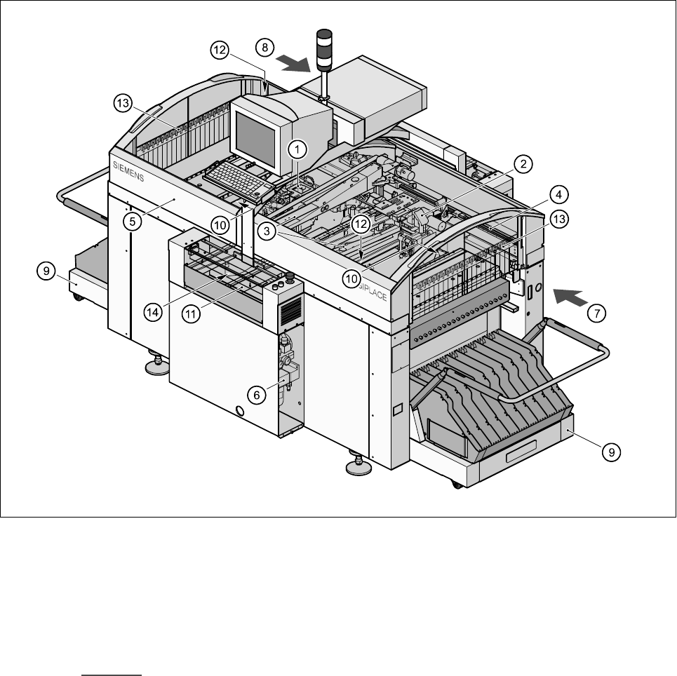
5.1.1 Máquina automática para dotar componentes SIPLACE 80S-20
Fig. 5.1.1 SIPLACE 80S-20: Grupos constructivos para realizar mantenimiento
- Clave de Fig. 5.1.1
1 Cabezal revólver 12x, Pórtico 1 8 Unidad insertable de control, estera de filtro
2 Cabezal revólver 12x, Pórtico 2 9 Mesa de componentes intercambiable
3 Ejes X, Pórtico 1 y 2 10 Dispositivos de corte de cinta vacía
4 Ejes Y, Pórtico 1 y 2 11 Transporte de placas de circuitos impresos
5 Cubiertas de protección con carriles guía 12 Recipiente de descarga
6 Unidad de aire comprimido 13 Regletas de código de barras
7 Servoinserto, estera de filtro 14 Unid. control - manejo de placas de circuitos

5 Cuidado y mantenimiento Instrucciones de uso SIPLACE 80S-20/F4/F5
5.1 Vista general Edición 05/99 CE SPA a partir de la versión de software SR.405.xx
5 - 4
5.1.2 Máquina automática para dotar componentes SIPLACE 80F
4
Fig. 5.1.2 SIPLACE 80F
4
: Grupos constructivos para realizar mantenimiento
- Clave de Fig. 5.1.2
1 Cabezal revólver 12x, Pórtico 1 10 Dispositivos de corte de cinta vacía
2 Cabezal IC 11 Transporte de placas de circuitos impresos
3 Eje X, Pórtico 1 12 Recipiente de descarga para el cabezal revólver
4 Eje Y, Pórtico 1 13 Recip. de descarga para el cabeza IC, cámara -
5 Tapas de protección con carriles guía visión componentes, módulo láser coplanario y
6 Unidad de aire comprimido cambiador de pipetas
7 Servounidad, estera de filtro 14 Unid. control - manejo de placas de circuitos
8 Unidad enchufable de control, estera de filtro 15 Regletas de código de barras
9 Mesa intercambiable de componentes 16 Cambiador wafflepack