00191337-01.pdf - 第86页
2 Introducción y conceptos básicos Instrucciones de uso SIPLACE 80S-20/F4/F5 2.1 Pantalla y elementos de man do Edición 05/99 CE SP A a partir de la v ersión de software SR.405.xx 2 - 4 2.1.1. 1 Generalid ades Cada estac…

Instrucciones de uso SIPLACE 80S-20/F4/F5 2 Introducción y conceptos básicos
Edición 05/99 CE SPA a partir de la versión de software SR.405.xx 2.1 Pantalla y elementos de mando
2 - 3
2.1 Pantalla y elementos de mando
2.1.1 Sinopsis
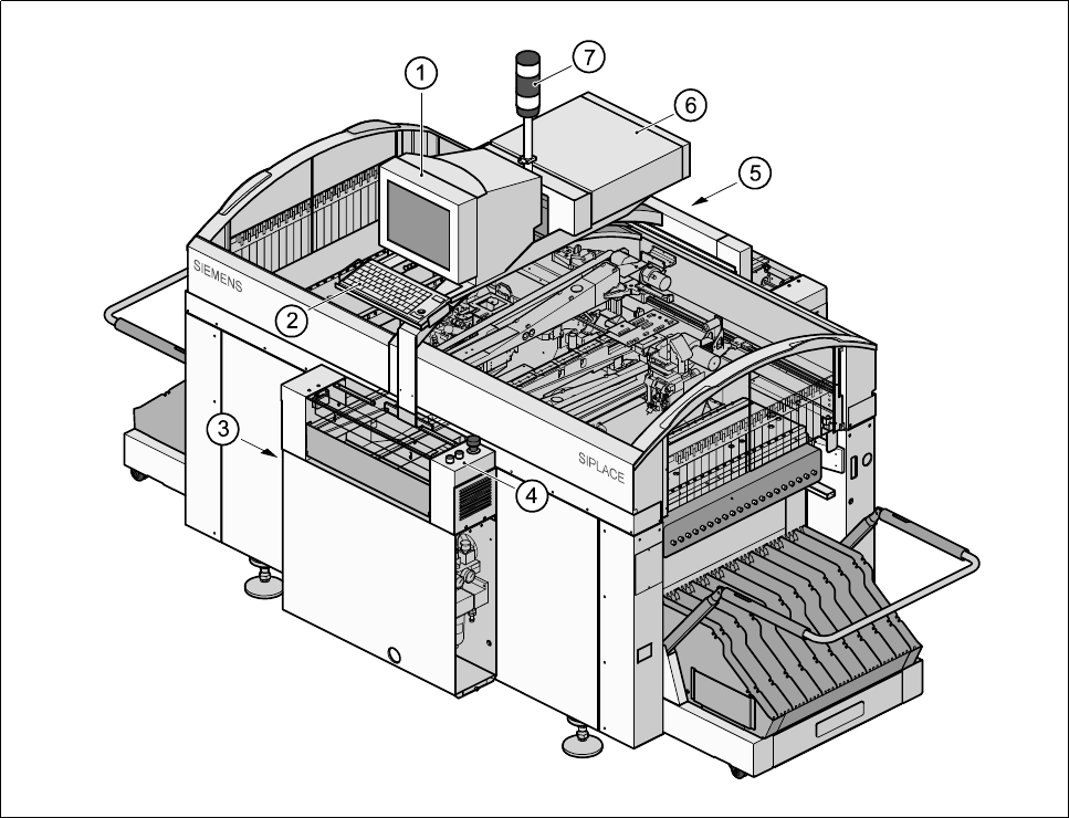
Fig. 2.1.1 Elementos de indicación y mando de la máquina
- Clave de la Fig. 2.1.1
1 Monitor 2 Teclado
3 Interruptor principal 4 Panel de control, cara frontal
5 Panel de control, cara posterior 6 Ordenador
7 Visualización principal de fallos

2 Introducción y conceptos básicos Instrucciones de uso SIPLACE 80S-20/F4/F5
2.1 Pantalla y elementos de mando Edición 05/99 CE SPA a partir de la versión de software SR.405.xx
2 - 4
2.1.1.1 Generalidades
Cada estación está provista de un ordenador de sobremesa con una disquetera de 3,5“, un teclado con
trackball integrada y un monitor color de pantalla táctil. Dos paneles de control del panel frontal y del panel
posterior de la máquina contienen los pulsadores de puesta en marcha y paro, pulsador fungiforme de
PARADA DE EMERGENCIA, interruptor con llave y contador de componentes colocados.
Pulsador fungiforme de PARADA DE EMERGENCIA
La utilización interactiva de los menús de la interfaz de usuario puede realizarse bien mediante entrada por
teclado, trackball o touch-screen (véase Apdo. 2.2 “Base y estructura de la interfaz del usuario”).
ADVERTENCIA
Las puertas del montante de máquina deben ser abiertas exclusivamente por personal debidamente cualifi-
cado, ya que determinadas piezas de la máquina están conectadas a tensiones peligrosas. Deben respe-
tarse estrictamente los reglamentos vigentes de prevención de accidentes y normas VDE. En caso de
incumplimiento de las mismas puede producirse la muerte, graves lesiones físicas o considerables daños
materiales.

Instrucciones de uso SIPLACE 80S-20/F4/F5 2 Introducción y conceptos básicos
Edición 05/99 CE SPA a partir de la versión de software SR.405.xx 2.1 Pantalla y elementos de mando
2 - 5
2.1.2 Teclado
El teclado de la SIPLACE 80S-20/F
4
/F
5
está formdo por un teclado compacto compatible IBM ultraplano con
ratón integrado (trackball). El teclado o el ratón sirven de medio estándar de entrada de datos para la interfaz
de usuario Windows del ordenador de la estación.
Fig. 2.1.2 Teclado y disposición de las teclas
- Clave de la Fig. 2.1.2
1 Tecla intro 2 Tecla izquierda de ratón
3 Trackball 4 Teclas de función F1 hasta F12
LASER
PROG
ESC
TAB
1
Q
F1
CTRL
Scroll Pad TrackballNum Caps
F2 F3 F4 F5 F6 F7 F8 F9 F10 F11 F12
1
2
3
4