00191337-01.pdf - 第31页
Instrucciones de uso SIPLACE 80S-20/F4/F5 0 Introducción Edición 05/99 CE SPA a partir de la versión de software SR.405.xx 0.4 Vista general de componentes de la máquina 0 - 27 0.4.7 V i sta general del cab ezal revó lve…

0 Introducción Instrucciones de uso SIPLACE 80S-20/F4/F5
0.4 Vista general de componentes de la máquina Edición 05/99 CE SPA a partir de la versión de software SR.405.xx
0 - 26
0.4.6 Vista general del cabezal revólver 6x con sistema óptico para
componentes estándar
Fig. 0.4.6 Vista general del cabezal revólver 6x con sistema óptico para componentes estándar
- Clave de Fig. 0.4.6
1) Placa de circuitos para el control de la iluminación de componentes
2) Pinolas (1 hasta 6)
3) Unidad colocadora para posición expulsión
4) Accionamiento radial
5) Placa distribuidora intermedia
6) Accionamiento eje Z
7) Cámara para centraje óptico componentes
8) Sistema de iluminación de componentes estándar
5
6
7
1
4
2
3
8

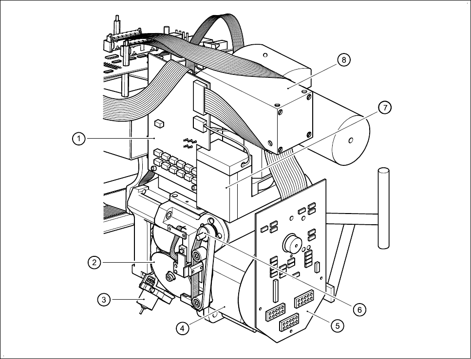
Instrucciones de uso SIPLACE 80S-20/F4/F5 0 Introducción
Edición 05/99 CE SPA a partir de la versión de software SR.405.xx 0.4 Vista general de componentes de la máquina
0 - 27
0.4.7 Vista general del cabezal revólver 6x con sistema óptico para
componentes Flip-Chip, Bare Dies y componentes estándar
(Opción-DCA)
Fig. 0.4.7 Vista general del cabezal revólver 6x con sistema óptico para componentes Flip-Chip, Bare Dies y componentes estándar
(Opción-DCA)
- Clave de Fig. 0.4.7
1) Placa de circuitos para el control de la iluminación de componentes
2) Pinolas (1 hasta 6)
3) Unidad colocadora para posición expulsión
4) Accionamiento radial
5) Placa distribuidora intermedia
6) Accionamiento eje Z
7) Cámara para centraje óptico componentes
8) Sistema de iluminación de componentes para componentes Flip-Chip, Bare Dies y componentes estándar
(Opción-DCA)

0 Introducción Instrucciones de uso SIPLACE 80S-20/F4/F5
0.4 Vista general de componentes de la máquina Edición 05/99 CE SPA a partir de la versión de software SR.405.xx
0 - 28
0.4.8 Vista general cabezal IC
Fig. 0.4.8 Vista general cabezal IC
- Clave de Fig. 0.4.8
1) Pinola 2) Inyector de vacío
3) Pipeta 4) Sistema óptico para componentes
5) Flip-Chip-Visionsystem
1
2
3
4
5