00191337-01.pdf - 第175页
Instrucciones de uso SIPLACE 80S-20/F4/F5 6 Preparación de componentes Edición 05/99 CE SPA a partir de la versión de s oftware SR.405.xx 6.5 Contenedor de cinta (grupo nuevo) 6 - 17 6.5 Contenedor de cint a (grupo nuevo…

6 Preparación de componentes Instrucciones de uso SIPLACE 80S-20/F4/F5
Edición 05/99 CE SPA a partir de la versión de software SR.405.xx
6.4 Dispos. de corte de cinta vacía en la máquina aut. SIPLACE 80S-20/F4
6 - 16
6.4.2 Colocación de la cinta en el dispositivo de corte
INDICACION
En la máquina automática para dotar componentes SIPLACE 80S-20/F
4
utilice solamente los módulos de ali-
mentación de cinta previstos. Antes de los módulos de alimentación se encuentra el canal guía de cinta
vacía.
Coloque la cinta en el transportador, como se describe en el aparte respectivo.
Conduzca la cinta vacía en el canal del dispositivo de corte, como se representa en la Fig. 6.4.2.
Fig. 6.4.2 Colocar la cinta en el dispositivo de corte
- Clave de la Fig. 6.4.2
1) Canal guía de la cinta vacía 2) Cinta vacía
3) Módulo de alimentación de cinta 4) hacia el dispositivo de corte

Instrucciones de uso SIPLACE 80S-20/F4/F5 6 Preparación de componentes
Edición 05/99 CE SPA a partir de la versión de software SR.405.xx
6.5 Contenedor de cinta (grupo nuevo)
6 - 17
6.5 Contenedor de cinta (grupo nuevo)
6.5.1 Generalidades
Se pueden utilizar carretes con un diámetro de hasta 15".
6.5.2 Vista general
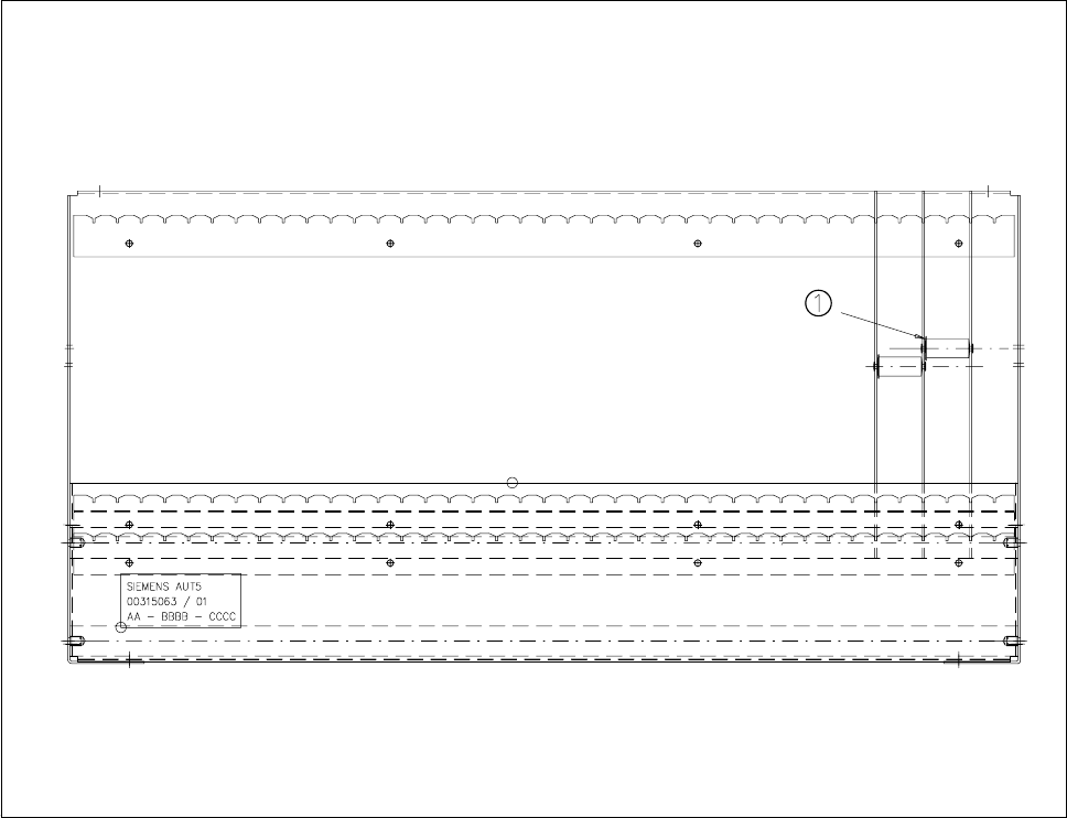
Fig. 6.5.1 Contenedor de cinta - vista superior
- Clave de la Fig. 6.5.1
1) Semiejes están asignados a los módulos de cinta
–
Distancia de división para las chapas intermedias se divide entre dos (15,8 mm)
–
Procesamiento de carretes de diámetro máx. 15"
–
Carretes de 15" solamente en la ranura superior o apoyo en las barras
–
Paredes separadoras son compatibles con las anteriores

6 Preparación de componentes Instrucciones de uso SIPLACE 80S-20/F4/F5
Edición 05/99 CE SPA a partir de la versión de software SR.405.xx
6.5 Contenedor de cinta (grupo nuevo)
6 - 18
INDICACION
Utilizar semiejes para carretes de cinta grandes (> 5"), garantizando así la seguridad de funcionamiento del
transportador.
Fig. 6.5.2 Contenedor de cinta - vista lateral (con cinta)