JM-50_维修保养手册.pdf - 第138页
维修调整要领书 11 -4 表 11 -2-1-1-1 电气装置单元 A (ST) <零件清单> No. JUKI 品号 零件名 零件数 位置 备注 1 HA0065100 00 CIRCUIT PROTECT OR ( 3OA) 1 CP1 2 HA0065 1000A CIRCUIT PROT ECTOR (1 0 A) 1 CP2 3 HA0063000 00 MAGNETIC CONT ACTOR 1 K1 4 HA006190…

维修调整要领书
11-3
11-2 电气装置单元
11-2-1 电气装置单元 A
电气装置单元 A 实际安装在底座框架的装置后面。
图 11-2-1-1-1~图 11-2-1-1-2、图 11-2-1-2-1~图 11-2-1-2-2 为外观图,图 11-2-1-1-3、图 11-2-1-2-3
为构成图。
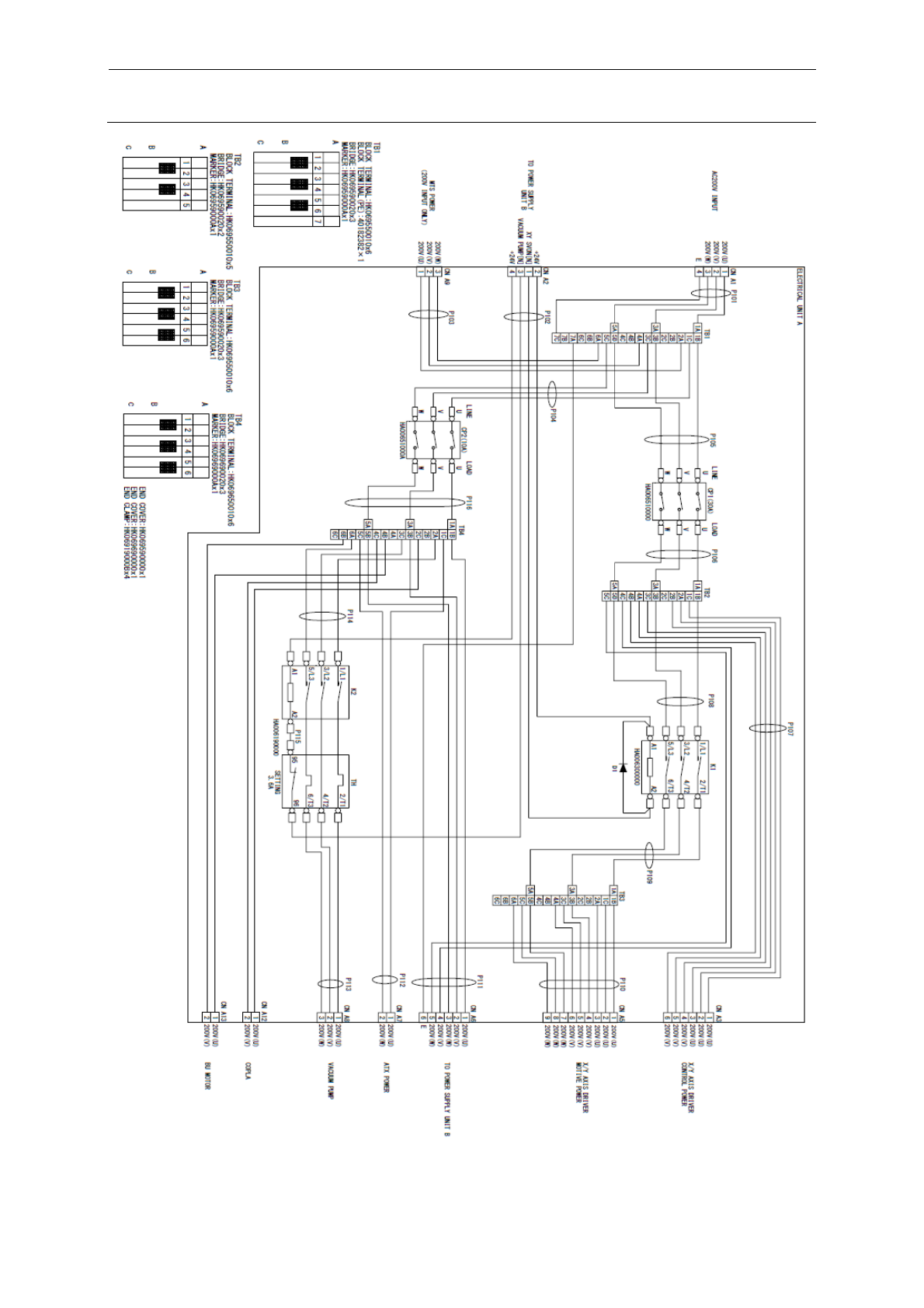
图 11-2-1-1-4、图 11-2-1-2-4 为电气装置单元 A 连接图。
电气设备单元 A,控制用继电器,导体,电路保护器,各单元(包括控制单元,电气设备单元 B,
XY 驱动器,ATX 电源,等)供给 AC 电源。
11-2-1-1 电气装置单元 A (ST) 构成
图 11-2-1-1-1 电气装置单元 A (ST) 的外观 图 11-2-1-1-2 电气装置单元 A (ST) 的正面图
图 11-2-1-1-3 电气装置单元 A (ST)
1
2
3
4

维修调整要领书
11-4
表 11-2-1-1-1 电气装置单元 A (ST) <零件清单>
No. JUKI 品号 零件名 零件数 位置 备注
1 HA006510000 CIRCUIT PROTECTOR (3OA) 1 CP1
2 HA00651000A CIRCUIT PROTECTOR (10A) 1 CP2
3 HA006300000 MAGNETIC CONTACTOR 1 K1
4 HA006190000 MAGNETIC CONTACTOR 1 K2&TH

维修调整要领书
11-5
图 11-2-1-1-4 PSU A WIRING DIAGRAM [ST]