NXT-III 系统手册.pdf - 第235页
SYS- NXT3 -002S0 6. 运用各种功能时的操作 NXT III 系统手册 215 6.5.3 注意事项 1. 在电路板轮廓的检测区域内请不要 放置光泽物。 2. 如果支撑板上面附着了润滑剂等, 就会成为电路板轮廓检测失败的原因 。 3. 安装了低反射板后,在其周围不能 配置支撑销。不能配置的范围如下 。 4. 安装了 B 类型的低反射板的位置,对优先贴装元件的高 度有限制。请参考下图。

6. 运用各种功能时的操作 SYS-NXT3-002S0
214 NXT III 系统手册
另外,当按下 MONITOR 按钮后,就能够确认影像的状态。比较电路板与背景 (低反射板),
如果有对比度小的部分时,请按照以下变更 Job 的设定。
a. 取入对比度大的部分。
b. 将取入范围变小。
停止位置的补正不完善时
即使进行了 2 次补正动作,但是停止后的电路板的轮廓超出设定值的 ±0.5mm 时,显示错误
画面和 Seek Number 8E56。请进行以下的对策。
Yes
Yes
Yes
Yes
No
No
No
No

SYS-NXT3-002S0 6. 运用各种功能时的操作
NXT III 系统手册 215
6.5.3
注意事项
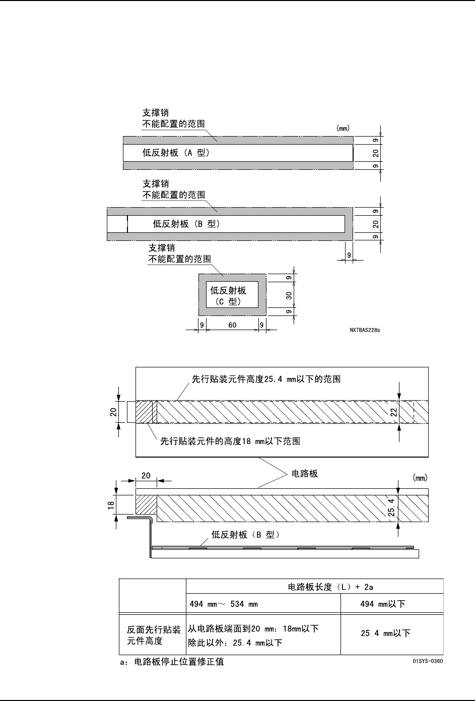
1. 在电路板轮廓的检测区域内请不要放置光泽物。
2. 如果支撑板上面附着了润滑剂等,就会成为电路板轮廓检测失败的原因。
3. 安装了低反射板后,在其周围不能配置支撑销。不能配置的范围如下。
4. 安装了 B 类型的低反射板的位置,对优先贴装元件的高度有限制。请参考下图。

6. 运用各种功能时的操作 SYS-NXT3-002S0
216 NXT III 系统手册
6.6
支撑销自动配置功能
内藏在贴装工作头中的吸取器吸取支撑销,并且配置到支撑板上的功能。使用该功能时,贴
装工作头和搬运轨道必须对应支撑销自动配置功能。
另外,对于没有实施维修保养的供料器,即使进行验证也不会通过。
6.6.1 如何配置支撑销
1. 请将使用的支撑销安装到销支架。
a. 请使用手动模式将模组拉出。
b. 请将支撑销安装到销支架。
c. 请推入模组。
2. 请按 START 按钮。机器通过 Job 中指定的位置配置支撑销。
01SYS-0715