文档中心
/
c900795.R02_EN.pdf
c900795.R02_EN.pdf - 第115页
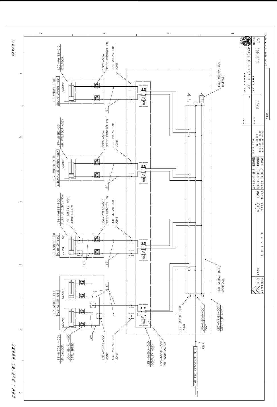
5 Materials 5-9 Dispense Head
目录
100%
显示:宽度
宽度
1 / 120
回到旧版
旧版
?
5 Materials
5-8
OUT Buffer Conveyor
5 Materials
5-9
Dispense Head
5 Materials
5-10
Manipulator OP
该页面需要启用 JavaScript 才能进行交互式预览。