CP-7系列机械手册.pdf - 第191页
第 1 章 站的各部 第 4 部 CP- 733 E/74 3ME/743 E 机械手册 4-1-36 Edition 2. 0 1.1 1.2 1.1 1.2 1.1 1.2 1.1 1.2 阀切换杆高度的调整 阀切换杆高度的调整 阀切换杆高度的调整 阀切换杆高度的调整 请在已经完成了贴装时吸嘴的上下动作的调整后,在基准贴装工作头上进行 此调整。 ( 参照 1.10 贴装时吸 嘴的上下动作 ) 。所谓 基准贴装工作头,是指 切换销在如…

第 4 部 第 1 章 站的各部
Edition 2.0 4-1-35 CP-733E/743ME/743E 机械手册
1.1
1.11.1
1.11
1 1
1 阀的切换
阀的切换阀的切换
阀的切换 (
( (
(第
第第
第 9
99
9 站
站站
站)
))
)
要
要要
要
点
点点
点
通过 9st 的机械阀进行吸嘴内真空的 OFF/ON 的切换动作。将真空切换为 OFF 时,吸嘴内
的负压消失,元件失去吸着力。
确认元件是否贴装在生产电路板上。
C7SM4036S
ON OFF
1.11.1
1.11.11.11.1
1.11.1 销托座安装位置的确认
销托座安装位置的确认销托座安装位置的确认
销托座安装位置的确认
1. 按下[紧急停止]按钮,切断 200V 电源,使用 100V。
警
警警
警
告
告告
告
作业前必须要切断
作业前必须要切断作业前必须要切断
作业前必须要切断 200V
200V200V
200V 电源
电源电源
电源。
。。
。
2. 对于所有的贴装工作头,确认下图(A)的距离为 8.9mm,确认时请使用专用治具
(Z9526DCPZ0371)
8.9 mm
C7SM4054S
A
Z9526ADCPJ0371

第 1 章 站的各部 第 4 部
CP-733E/743ME/743E 机械手册 4-1-36 Edition 2.0
1.11.2
1.11.21.11.2
1.11.2 阀切换杆高度的调整
阀切换杆高度的调整阀切换杆高度的调整
阀切换杆高度的调整
请在已经完成了贴装时吸嘴的上下动作的调整后,在基准贴装工作头上进行此调整。(参照
1.10 贴装时吸嘴的上下动作)。所谓基准贴装工作头,是指切换销在如下图所示的升起状态
时,测定所有贴装工作头的切换销下面的高度,高度最低的那个贴装工作头。
C7SM4055S
1. 按下[紧急停止]按钮,切断 200V 电源,使用 100V。
警
警警
警
告
告告
告
作业前必须要切断
作业前必须要切断作业前必须要切断
作业前必须要切断 200V
200V200V
200V 电源
电源电源
电源。
。。
。
凸轮轴在初始位置
凸轮轴在初始位置凸轮轴在初始位置
凸轮轴在初始位置(0
(0(0
(0 度
度度
度)
))
)以外的情况下,因为弹簧弹力的作用,会发生
以外的情况下,因为弹簧弹力的作用,会发生以外的情况下,因为弹簧弹力的作用,会发生
以外的情况下,因为弹簧弹力的作用,会发生
回转。
回转。回转。
回转。
在机器内部作业时,请充分注意安全
在机器内部作业时,请充分注意安全在机器内部作业时,请充分注意安全
在机器内部作业时,请充分注意安全。
。。
。
2. 在凸轮角度 0 度时,将 9st 吸嘴上下电磁阀设置为 ON,使凸轮杆开始动作。
3. 请边看凸轮刻度盘边旋转凸轮手柄,将凸轮角度调整到 180 度。
备注
备注备注
备注)
))
) 请将
请将请将
请将 HDS
HDSHDS
HDS 对应机的凸轮角度旋转到
对应机的凸轮角度旋转到对应机的凸轮角度旋转到
对应机的凸轮角度旋转到 190
190190
190 度。
度。度。
度。
对于
对于对于
对于 HDS
HDSHDS
HDS 对应机,在其前面防护罩上贴有
对应机,在其前面防护罩上贴有对应机,在其前面防护罩上贴有
对应机,在其前面防护罩上贴有 HDS
HDSHDS
HDS 标记。
标记。标记。
标记。
HDS: High Density Specification
HDS: High Density SpecificationHDS: High Density Specification
HDS: High Density Specification
CP-743E
C7SM4068S

第 4 部 第 1 章 站的各部
Edition 2.0 4-1-37 CP-733E/743ME/743E 机械手册
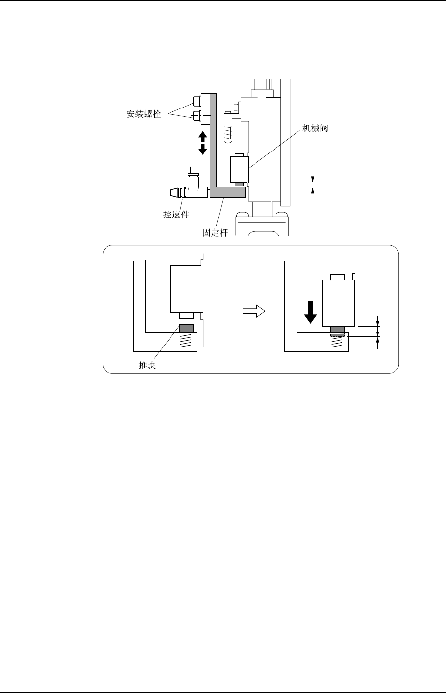
4. 松开安装螺拴来调整固定杆的高度,使用厚薄规进行测量, 使机械阀的下面与固定杆
的间隙为 1.9mm。这时,推块下降 0.1mm。
1.9 mm
0.1 mm
C7SM4037S
1.9 mm
注意
注意注意
注意)
))
) 请不要随意调整控速件。出厂时已经调整到正压
请不要随意调整控速件。出厂时已经调整到正压请不要随意调整控速件。出厂时已经调整到正压
请不要随意调整控速件。出厂时已经调整到正压 15.0
15.015.0
15.0±
±±
±0.5kPa (
0.5kPa (0.5kPa (
0.5kPa (13st
13st13st
13st 为
为为
为 7.0
7.07.0
7.0±
±±
±0.5kPa)
0.5kPa)0.5kPa)
0.5kPa)。因为
。因为。因为
。因为
调整时需要压力计,请不要随意进行调整。
调整时需要压力计,请不要随意进行调整。调整时需要压力计,请不要随意进行调整。
调整时需要压力计,请不要随意进行调整。