P-0221-001.pdf - 第29页
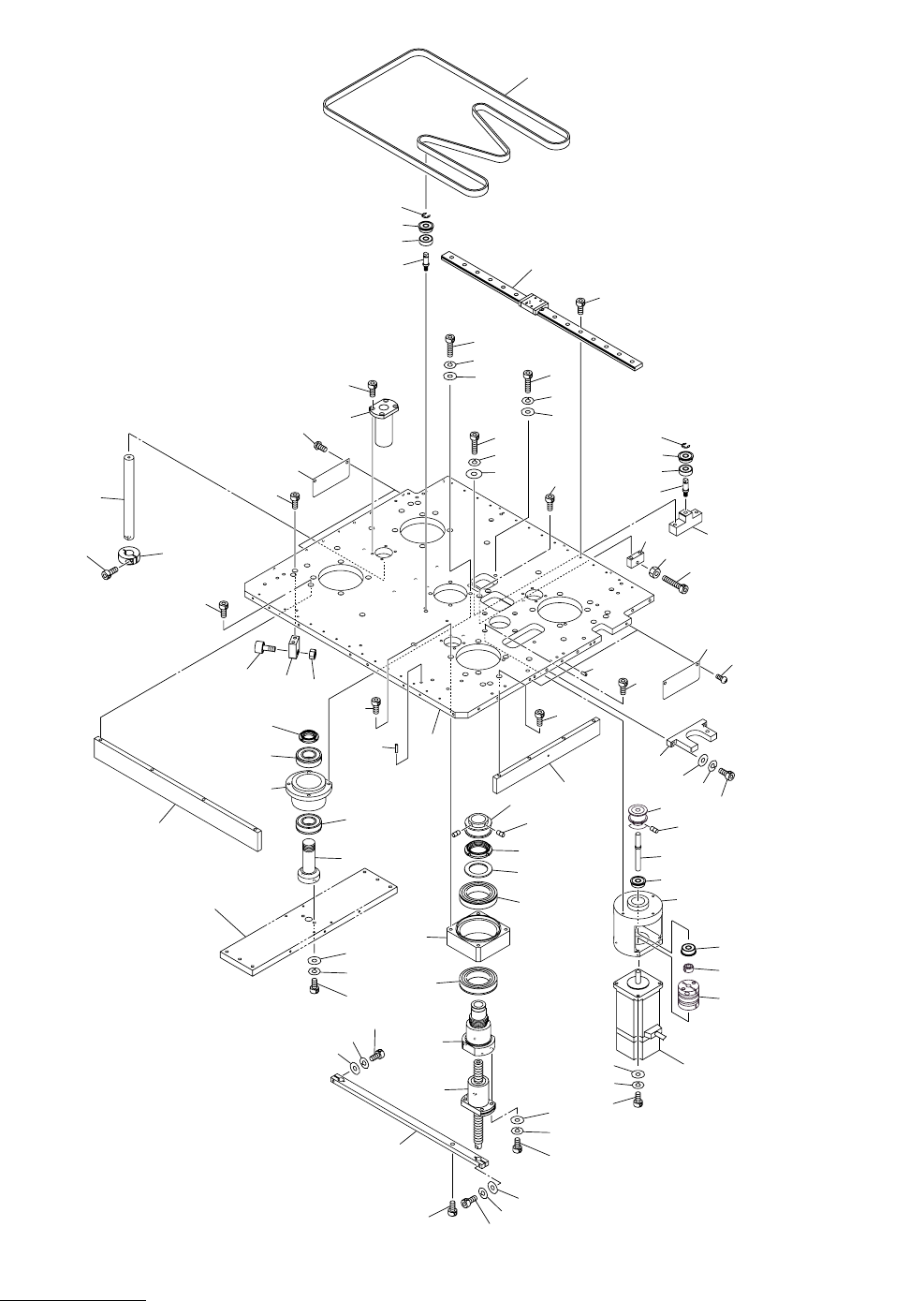
MODEL TPM-200F 0207-001 27 Fig. E チャック部 ( 手前基準) CHUCK SECTION ( Front Reference )

MEMO

MODEL TPM-200F
0207-001
27
Fig. E チャック部( 手前基準) CHUCK SECTION(Front Reference)

MODEL TPM-200F
0207-001
28
チャック部(手前基準) CHUCK SECTION(Front Reference)
Fig. E-1 チャックベース Chuck Base
Fig.E-1
TPM-200F
20
1
21
22
2
2
23
69
70
71
10
64
11
3
64
28
65
69
70
71
68
71
70
69
4
6
5
25
5
24
61
62
63
63
62
77
18
61
8
7
67
66
9
19
34
78
17
27
26
32
61
62
63
16
73
62
65
73
30
31
75
74
29
12
13
14
62
61
72
13
38
37
71
13
35
36
12
13
14
30
15
33
76
33
65
See Fig.B-4
Key No.319
76
65
65
61
62
63