FX-1 使用说明书.pdf - 第740页

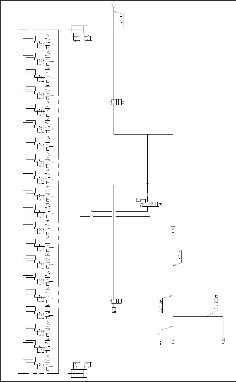
第 16 章 维护 16-4 请参考以下的配管图。 (1) 气压源 (2) A TC 通向 solenoid val ve 往 Bank RR 往 CAL Block 往 Head L1 往 Head R1 往 Head L2 往 Bank FL 往 Head R2 往 Bank FR 往 Bank RL 来自 manifold valve

100%1 / 806
16 章 维护
16-3
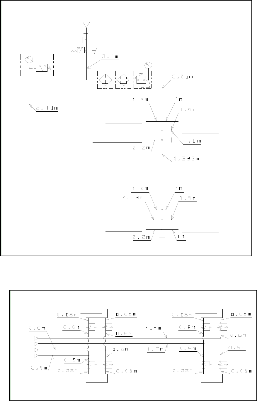
16.2.2 管道和接头
请确认是否漏气。
确认是否漏气
图 16.2–3 气阀(主机背面)
16.2.3 各单元气缸系统
接通主机的电源后,请选择「手动控制」项目,确认运行状况。
フィンガバルブ
指状阀
16 章 维护
16-4
请参考以下的配管图。
(1) 气压源
(2) ATC
通向 solenoid valve
Bank RR
CAL Block
Head L1
Head R1
Head L2
Bank FL
Head R2
Bank FR
Bank RL
来自 manifold valve
16 章 维护
16-5
(3)台架
来自 manifold