FX-1 使用说明书.pdf - 第744页
第 16 章 维护 16-8 16.2.4 空气过滤器(贴片头) 16.2.4.1 MNLA 贴片头 「过滤器」每半年更换一次(大约) ,或有脏污时进行更换。 <检查、更换的顺序> FX-1(机器版本 Rev B 之前) FX -1R/FX-1(机器版本 Rev C 之后) 1 拧松 「过滤器套环③」 ,从 「安装套环④」 拔 出。 检查「过滤器①」有无脏污。 2 检查「过滤器①」有无脏污。 如果有脏污的话,请从「安装套环 …

第 16 章 维护
16-7
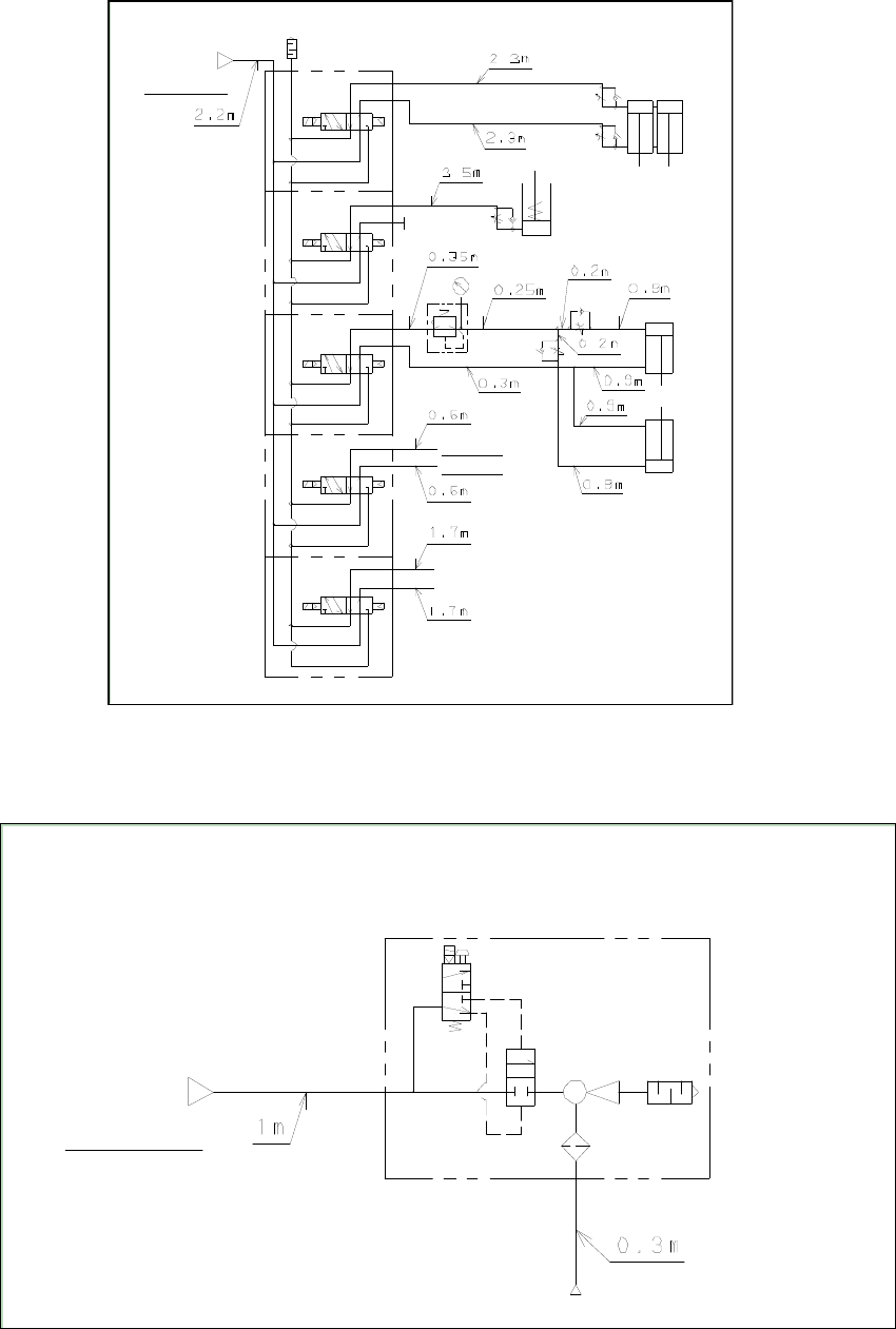
(5) 传送
(6) CAL
来自复式接头
来自复式接头
往
A
TC-L
往
ATC
-
L
往
A
TC-R
往
A
TC-R
往
A
TC-R

第 16 章 维护
16-8
16.2.4 空气过滤器(贴片头)
16.2.4.1 MNLA 贴片头
「过滤器」每半年更换一次(大约),或有脏污时进行更换。
<检查、更换的顺序>
FX-1(机器版本 Rev B 之前) FX-1R/FX-1(机器版本 Rev C 之后)
1 拧松「过滤器套环③」,从「安装套环④」拔
出。
检查「过滤器①」有无脏污。
2 检查「过滤器①」有无脏污。 如果有脏污的话,请从「安装套环 L④」取
下「空气空吸过滤器③」。
3 如果有脏污,请把「安装套环④」中的「过
滤器①」更换下来。
从主环上取下盖子,更换过滤器导环所附的
「过滤器①」。
4 把「过滤器套环③」插入「安装套环④」,并
固定好。
关上盖子,把「空气空吸过滤器③」装在「安
装套环④」上。
危险
为了防止意外启动造成的事故,请在关闭电源之后再进行操作。
请勿携带手表、手机等会受磁铁影响的物品。
②
③
①
フィルタ① 品番:
E3052729000
①过滤器 ③过滤器套环
②半接器 ④安装套环
①
②
③
④
カバー
本体ケース
フィルタガイド
①过滤器 ③空气空吸过滤器
②半接器 ④安装套环 L
过滤器①产品编号:L155E421000
④
机器版本标记在机器右侧。
字母 C 为止涂黑的为机器版本 C。
过滤器①产品编号:E3052729000
盖子
过滤器导环
主环套
A B C D E F G H I
J K L M N O P Q R
S T U V W X Y Z
<机器版本 RevC>

第 16 章 维护
16-9
16.2.4.2 空气过滤器(CAL 校准台)
请检查空气过滤器(CAL 校准台)的滤芯有无脏污。
如果有脏污的话,请摘下「空气软管②」,更换新的「空气过滤器①(产品编号 40000641)」。
②
①
图 16.2-4 空气过滤器( CAL 校准台)
① 空气过滤器 ②空气软管
危险
为了防止意外启动造成的事故,请在关闭电源之后进行操作。