192277 - Micron Technical Reference Volume 3.pdf - 第271页
PNEUMATIC MODULE PNEUMATIC SCHEMATICS Chapter Issue 7, Aug 14 Technical Reference Manual 35.5 PNEUMA TIC SCHEMA TICS Figure 35-1 Pneumatic Schematic Sheet 1 T o Grid-Lok T ooling See Board Support T ooling Chapter Pneuma…

PNEUMATIC MODULE
ELECTRICAL SCHEMATIC
35.4 Technical Reference Manual Chapter Issue 7, Aug 14
ELECTRICAL SCHEMATIC
M36 Machine
Control Enclosure
Main Machine
I/O Node 2
Screen Cleaner
I/O Node 4
N2PL7
N4SK6
1
2
3
DIG IN 0
Air Pressure SW
8SE11
OTS Control
Solenoids (6)
Clamp Pressure
Regulator
Snug Pressure
Regulator
+12V
Sig
0V
PC
USB
Motherboard
NextMove ES
(I/O Node 1)
1
2
4
CAN_H
CAN_L
CAN GND
M36PL35
CAN Bus
N3SK2
7
2
3
CAN In
CAN In
CAN In
N2SK2
N4SK2
N SK25
7
7
2
2
3
3
CAN Out
CAN Out
CAN Out
N3SK3
7
2
3
Print Carriage
I/O Node 3
N2SK3
N SK35
7
7
7
2
2
2
3
3
3
N3SK8
N2SK4
N2SK2
9SK28
Auto Drip Tray
9SOL28
DIG OUT 6
0V
4
12
9SK27
Paste Disp. Tilt
9SOL27
DIG OUT 5
0V
3
11
16SK22
Rail Board Stop
16SOL22
DIG OUT 12
0V
6
16
9SK26
Paste Disp.
9SOL26
DIG OUT 4
0V
2
10
9SK25
ProFlow Paste
9SOL25
DIG OUT 3
0V
1
9
16SK14
Board Stop/RTC
Rail Width Clamp
16SOL14
DIG OUT 10
0V
4
16
16SK10
Board Clamps
16SOL10
DIG OUT 9
0V
9
16
9SK29
Screen Load
9SOL29
DIG OUT 7
0V
5
13
16SK07
Screen Clamps
16SOL07
DIG OUT 8
0V
2
15
16SK31
Chase Clamps
16SOL31B
DIG OUT 7
0V
1
14
16SK08
USC Squeegee
16SOL08
DIG OUT 14
0V
9
21
16SK31
16SK03
Lid Bolt
16SOL31A
Inroad Vane Lift
(RTC Machine)
16SOL03
Venturi Vac Unit
(metal covers
machine only)
8SOL29
Venturi Vac Unit
8SOL24
DIG OUT 11
DIG OUT 0
DIG OUT 15
DIG OUT 3
0V
0V
0V
0V
5
1
22
1
14
2
23
2
Machine Rear Solenoids
Print Carriage Solenoids
NOTE
The breaks in the CAN Bus chain reflect that
additional I/O Nodes may be fitted, refer to
Machine Control chapter for the complete
CAN Bus chain.
OTS Option
I/O NODE 5

PNEUMATIC MODULE
PNEUMATIC SCHEMATICS
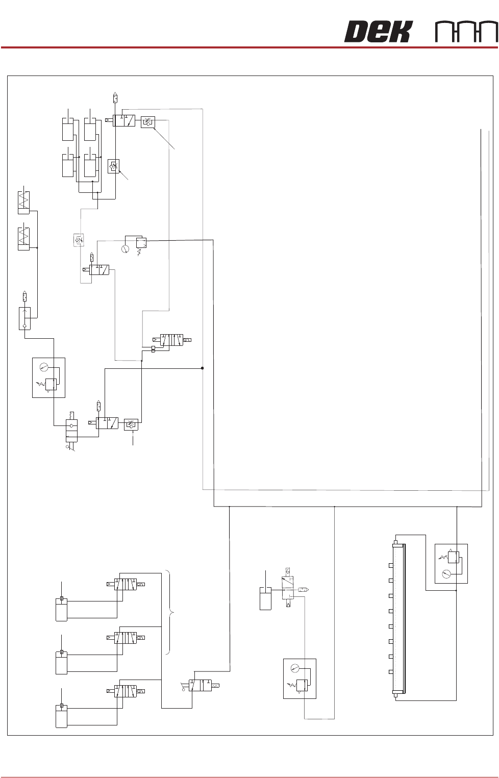
Chapter Issue 7, Aug 14 Technical Reference Manual 35.5
PNEUMATIC SCHEMATICS
Figure 35-1 Pneumatic Schematic Sheet 1
To Grid-Lok Tooling
See Board Support
Tooling Chapter
Pneumatic Dump
Valve. Only fitted
to machines
with M39 EMO.
5/2
9SOL29
5/2
9SOL28
5/2
9SOL27
5/2
9SOL25
Screen Load
Actuator
A
B
ASM Rail Lock
Rail Clamps
Left
Rail Clamps
Right
Out
Paste Dispense
In
Reg/Assy
IN
HTC Aux. Conveyors
(optional) See Sheet 2
See Sheet 2
P
Out
R
Vacuum
Tooling
Venturi Vacuum Tooling (optional)
Pressure
Sense
Filter/Reg Assy
Mains
Air In
At 4.5 Bar
Minimum
3/2 Dual
16SOL31A
5/2
16SOL08
5/2
16SOL07
5/2
16SOL03
5/2
16SOL10
5/2
16SOL14
A
B
A
B
A
B
A
B
A
B
A
Lid Bolt
RTC Vane Clamp
Lift Sol/
Heavy Palete Rails
Snugger
ProFlow ATx Only
3/2 Dual
16SOL31B
B
5/2
9SOL26
A
B
Chase Clamps
Only one
connection
depending on type
'C' Chase/ASM
Screen Clamps
Standard - 8 Clamps
Machined C Chase - 4 Clamps
ASM Screen Clamps
Screen Clean
Squeegee Bar
(optional)
Proclean
Screen Clean
Squeegee Bar
(optional)
Board Clamps
Grid-Lok
Control
Unit
Machine Rear Solenoids
A
B
A
B
A
B
Print Carriage Solenoids
Auto Drip Tray
Paste Dispense
Tilt
ProFlow + SCAR
(optional)
5/2
9SOL28/29
A
B
Semi Auto Screen Load/
Screen Load Actuator
Board Clamp
Reg (optional)
In Out
Camera
Board Stop
Remote Board
Stop

PNEUMATIC MODULE
PNEUMATIC SCHEMATICS
35.6 Technical Reference Manual Chapter Issue 7, Aug 14
Figure 35-2 Pneumatic Schematic Sheet 2
HTC Aux Conveyor Board Stops
L-R=
L/H D’Line
Board Stop
L-R=
R/H UpLine
Board Stop
L-R=
R/H D’Line
Board Stop
Stinger Dispense
M27SOL02
M27SOL03
M27SOL01
R/H Conveyor
Solenoids
5/2
16SOL10
AB
Clamp
Speed
Control
Unclamp Delay Control
Fitted at Solenoid
Valve on Rear of M/C
Board Clamps
Snuggers Option
Snuggers
Out
Out
In
In
Pressure Control
Snuggers On
Stinger Option
Snugger
Delay
Control
Board Clamp
Reg (optional)
In
Out
Air Ionizer Option
Out
In
See Sheet 1