M8_ServiceManual_e.pdf - 第106页
5 Materials 5-6

5 Materials
5-5
Electrical Section (Fuses used by the electrical boards)
PCB Name Reference Part Number Part Name
F1
LE4-M65W1-20X FUSE
XiO.Fi
F2
LE4-M65W1-00X FUSE
F1 LE4-M65W1-00X FUSE
F2,F4 LE4-M65W1-10X FUSE
XiO.Mi8 Rev.A
F3 LE4-M65W1-30X FUSE
F1,F9 LE4-M65W1-40X FUSE
F2 LE4-M65W1-50X FUSE
XiO.HiBLC
F3,F4,F5 LE4-M65W1-60X FUSE
XiO.Hi FU1,FU2 LE4-M65W1-50X FUSE
XiO.Ui FU1,FU2 LE4-M65W1-00X FUSE
XiO
F10~F12
F19~F39
LE4-M65W1-00X FUSE
Conveyor Belt
Type Part Name Part Number Qty Remark
LN-RN BELT,A LE4-M960H-10X 2 Standard
BELT,830 LE4-M953H-10X 2
LB-RN
BELT,1850 LE4-M953H-40X 2
Left : Buffer ⇔ Right : None
BELT,830 LE4-M953H-10X 2
LN-RB
BELT,1850 LE4-M953H-40X 2
Left : None ⇔ Right : Buffer
BELT,830 LE4-M953H-10X 2
LB-RB BELT,845 LE4-M953H-20X 2 Left : Buffer ⇔ Right : Buffer
BELT,1565 LE4-M953H-30X 2
LE-RN BELT,2550 LE4-M953H-60X 2 Left : Extension ⇔ Right : None
LN-RE BELT,2550 LE4-M953H-60X 2 Left : None ⇔ Right : Extension
LE-RE BELT,2950 LE4-M953H-70X 2 Left : Extension ⇔ Right : Extension
BELT,830 LE4-M953H-10X 2
LB-RE
BELT,2250 LE4-M953H-50X 2
Left : Buffer ⇔ Right : Extension
BELT,830 LE4-M953H-10X 2
LE-RB
BELT,2250 LE4-M953H-50X 2
Left : Extension ⇔ Right : Buffer
Note; The conveyor belt direction is the same in spit of the conveyor flow direction.

5 Materials
5-6

5 Materials
5-7
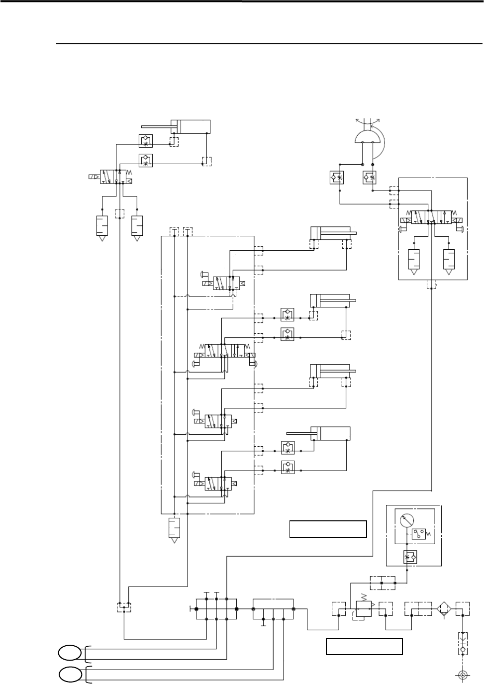
Air Circuit Diagram
Air Circuit Diagram (Main, ANC, Conveyor)
B
A
ANC SHUTT
TURN
MONITOR
CONVEY
PCB SHUT
PCB STOPER
PCB PUSH
PCB STOP
SET:0.37
SET:0.45