M8_ServiceManual_e.pdf - 第110页
5 Materials 5-10 Electrical Block Diagram

5 Materials
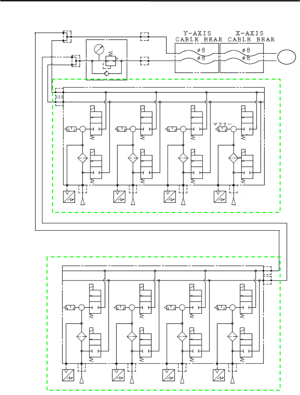
5-9
Air Circuit Diagram (Head)
Head (Rear)
Head (Front)
B

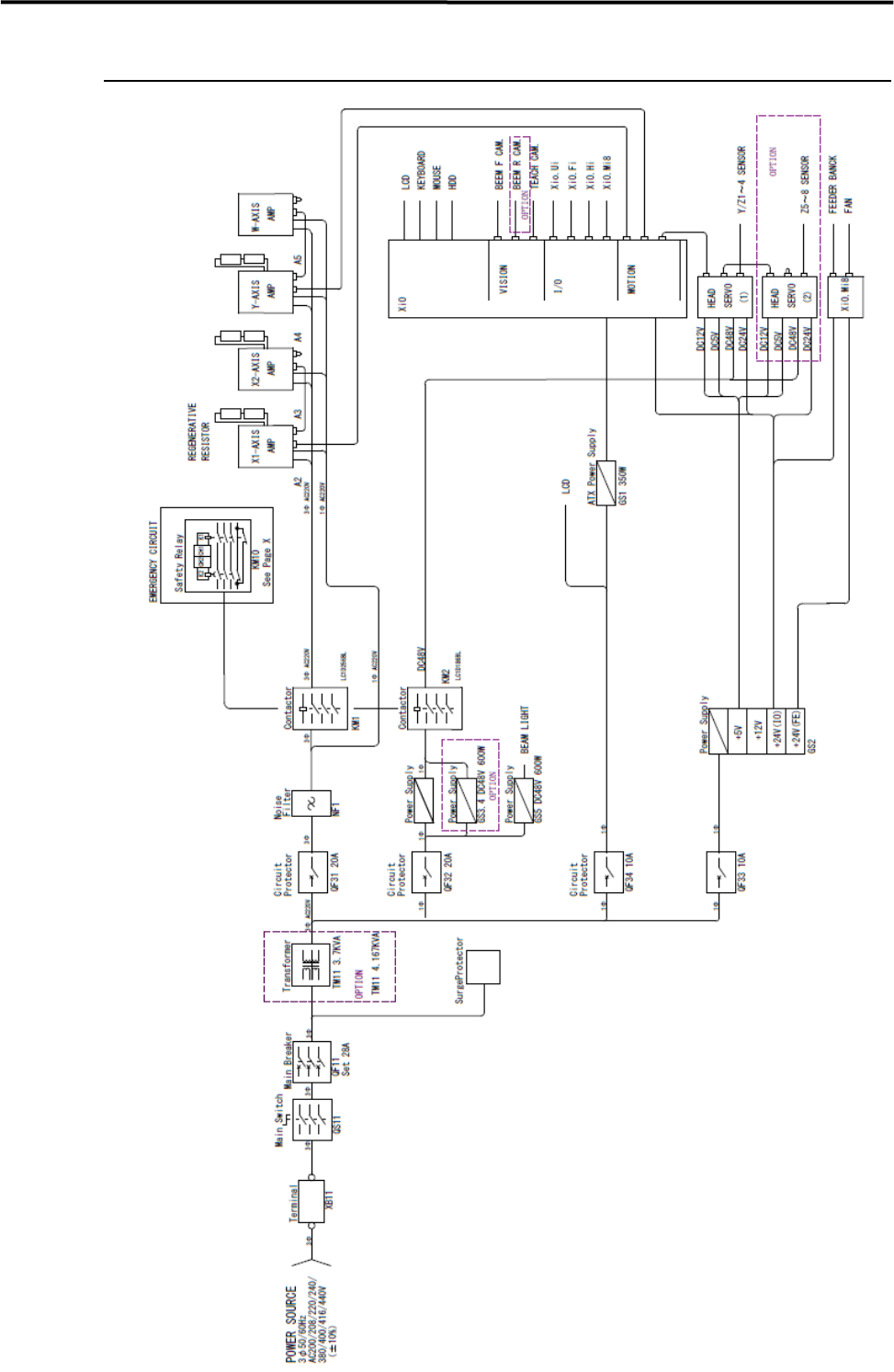
5 Materials
5-10
Electrical Block Diagram

Index
A
Air coupler, ...................................................1-8
Air Passage, ..................................................3-3
Attaching O-ring, ........................................3-14
B
Board Detection Sensor, .............................4-26
C
Camera, .......................................................3-18
Cleaning Beam camera, ..............................3-19
Cleaning Board Camera, ............................3-19
Cleaning Nozzle Stickers, ..........................3-16
Control boards, ...........................................4-24
D
Daily checks, ................................................2-2
Damage caused by rats, ..............................4-32
E
Electrodes, ..................................................4-25
Environmental requirements, ........................1-2
F
Feeder bank, ...............................................4-25
FILTER, .......................................................3-3
Filter element, ...............................................3-3
Flange Seal, ................................................3-17
G
Grease gun nozzle, .....................................3-27
GUN,GREASE W/NOZZLE, ....................3-27
H
Head Manifold Section, ................................3-3
I
Inspection for Head/Nozzle Clogging and
Solenoid Valve Breakdown, .........................3-4
Installation, ........................................... 1-2, 1-5
J
Jack-up points, ........................................... 1-11
L
Lubricants, ................................................. 3-27
Lubrication, ................................................ 3-20
M
Manifold, ...................................................... 3-2
Manual check, .............................................. 2-3
Monthly check, ............................................ 2-4
N
Nozzle, ......................................................... 3-6
Nozzle Cleaning, .......................................... 3-6
Nozzle clog criteria, ..................................... 3-5
Nozzle Filter, .............................................. 3-12
Nozzle Holder, .................................. 3-10, 3-26
Nozzle ID Sticker, ...................................... 3-15
Nozzle rubber pad, ....................................... 3-8
Nozzle, Locate Pin, Pushup Pin, etc, ........... 5-2
O
O-ring, ........................................................ 3-12
P
Pre-process and post-process, .................... 1-15
Production line, ............................................ 1-4
R
Removing O-ring, ...................................... 3-13
Replacement Parts, ....................................... 5-4
S
Sequence of Receiving PC board, .............. 1-16
Sequence of Receiving PC board (SMEMA),
.................................................................... 1-18
Sequence of Sending PC board, ................. 1-17
Sequence of Sending PC board (SMEMA), 1-19
Serial I/O, ..................................................... 4-6
Signal I/O, .................................................... 4-2
Signal Input Monitor, ................................... 4-2
Silencer element, .......................................... 3-3
Solenoid Valve, ............................................ 3-4