M8_ServiceManual_e.pdf - 第107页
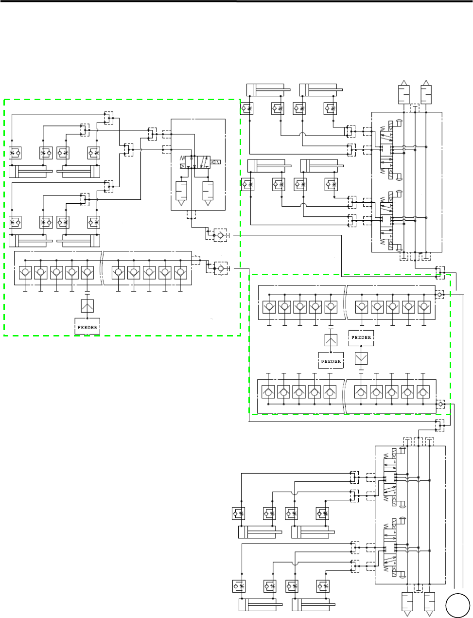
5 Materials 5-7 Air Circuit Diagram Air Circuit Diagram (Main, ANC, Conveyor) B A ANC SHUTT TURN MONITOR CONVEY PCB SHUT PCB STOPER PCB PUSH PCB STOP SET : 0. 37 SET : 0. 45

5 Materials
5-6

5 Materials
5-7
Air Circuit Diagram
Air Circuit Diagram (Main, ANC, Conveyor)
B
A
ANC SHUTT
TURN
MONITOR
CONVEY
PCB SHUT
PCB STOPER
PCB PUSH
PCB STOP
SET:0.37
SET:0.45

5 Materials
5-8
Air Circuit Diagram (Supply Section)
BANK OP (CFB)
Front Feeder Bank Supply
Front Feeder Bank (STD)
A
Rear Feeder Bank Supply
Rear Feeder Bank (STD)