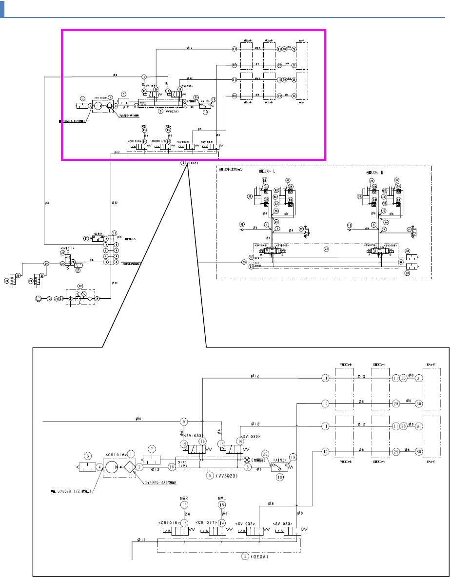
维修手册_RX-7R_SVC.pdf - 第486页
第 6 章 配管图 6- 1. 总体配管图 4 6-1- 2. 更换台车升降机周围空 气配管图 台车升降机选项 台车升降机 L 台车升降机 R

第
6
章
配管图
6-1.
总体配管图
3
6-1-1.
X轴・Y轴・贴装头方面供给配管图

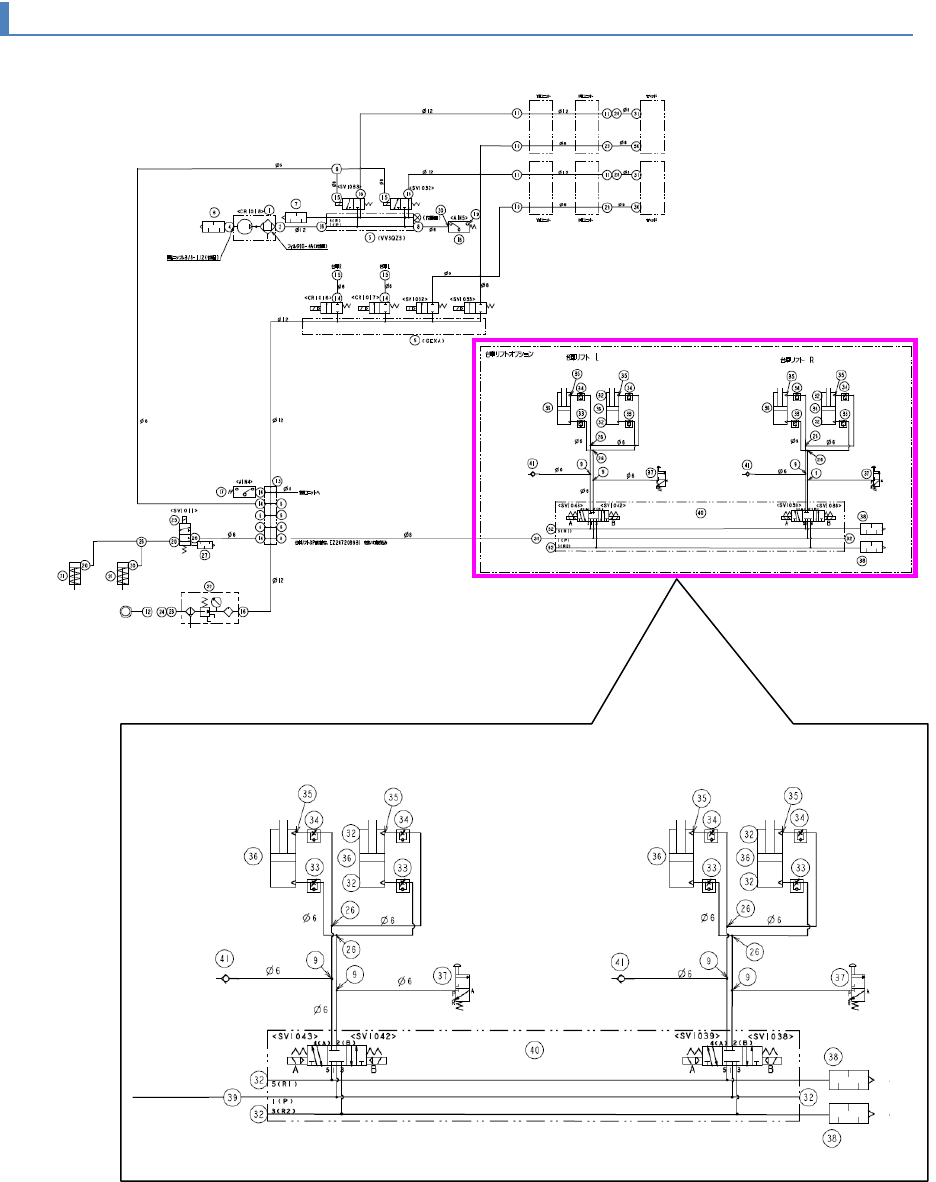
第
6
章
配管图
6-1.
总体配管图
4
6-1-2.
更换台车升降机周围空气配管图
台车升降机选项
台车升降机
L
台车升降机
R

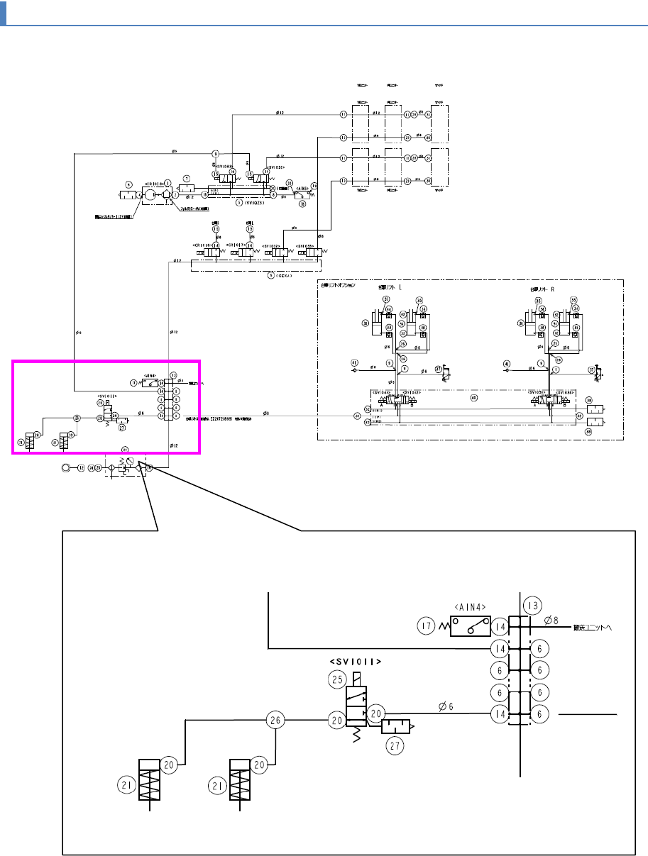
第
6
章
配管图
6-1.
总体配管图
5
6-1-3.
锁门用空气配管图