维修手册_RX-7R_SVC.pdf - 第498页

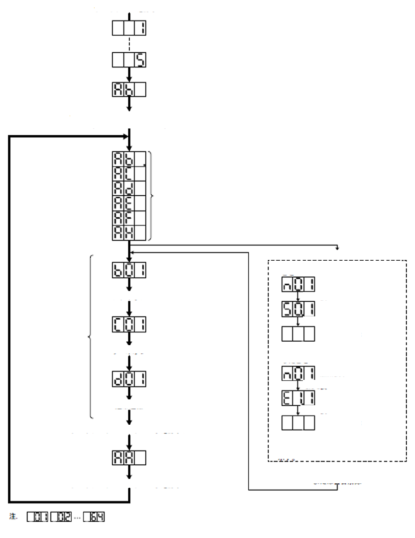
第 7 章 故障分析 7- 1. 伺服放大器 (MR- J 4) 7-1- 2 . 7 段显示  滚动显示 正常显示 无警报发生时 ,交 叉 显示 轴 编号 和空白 。 警报显示 发生 警报时 ,在状 态显示 之后显示 警报 编号( 2 位)和 具体警报( 1 位)。 这里所示的例 子是发生[ A L. 32 过电流]时 的情况 。 1.6s 后 状态显示 空白显示 0.2 s 后 状态显示 (1 位 ) 轴编号 (2 位 ) “b”…

100%1 / 556