AV131部品表(1).pdf - 第10页
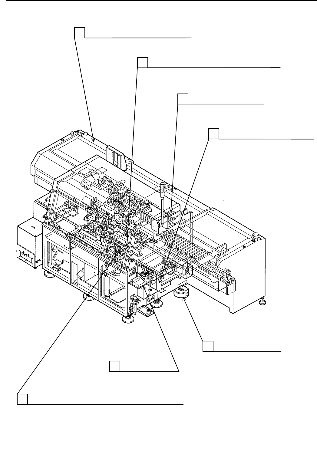
AV131(NM-EJA2A/3A) 全体図 UNIT LAYOUT [◆選択仕様 OPTIONAL EQUIPME NT] J.W. ヘッド部 J.W .HEAD SECT. 26 29 シグナルタワー部 SIGNAL TOWER SECT. 27 J.W リール部 J.W .REEL SECT. 28 J.W フィード部 J.W .FEED SECT. 30 基準ピン部 PIN POSITIONING SEC T. FZN7203A…

AV131(NM-EJA2A/3A)
全体図
UNIT
LAYOUT
[◆選択仕様 OPTIONAL EQUIPMENT]
FZN7203A330B01-4
21
34
25
カートリッジ部
CARTRIDGE SECT.
22
X
-Y
テーブル部
(
自動幅寄せ部
)
X
-Y TABLE SECT.(AUTO WIDTH CONTROL SECT.)
31
基板厚対応部
SPECIFICATION FOR P.B.C. THICKNESS SECT.
23
カバー部
(Z
軸カバー部
)
COVER SECT.(Z-AXIS COVER SECT.)
ローダ・アンローダ部
LOADER & UNLOADER SECT.
搬送高さ
DRIVE AMOUNT
32
プリンタ部
PRINTER SECT.

AV131(NM-EJA2A/3A)
全体図
UNIT
LAYOUT
[◆選択仕様 OPTIONAL EQUIPMENT]
J.W.
ヘッド部
J.W.HEAD SECT.
26
29
シグナルタワー部
SIGNAL TOWER SECT.
27
J.W
リール部
J.W.REEL SECT.
28
J.W
フィード部
J.W.FEED SECT.
30
基準ピン部
PIN POSITIONING SECT.
FZN7203A330B01-5
33
ハンドル部
(BSFV
用
)
HANDLE SECT.
1
空圧制御部
(P-PUSH)
PNEUMATIC SYSTEM SECT.(P-PUSH)
24
テープフィーダ部
TAPE FEEDER SECT.

目 次 CONTENTS
摘要:
M 機械部品 MECHANICAL PARTS
標準仕様 STANDARD EQUIPMENT
本体部
(共通部)
MAIN BODY SECT
.(COMMON SECT.)・・・・・・・・・・・・・・・・・・・・・・
1
M1
本体部 MAIN BODY SECT.・・・・・・・・・・・・・・・・・・・・・・・・・・・・・・・・・・・・
1
M3
本体部(アッハ
゚フレーム部)
MAIN BODY SECT.(UPPER FRAME SECT
.)・・・・・・・・・・・・・・・・・
1
M5
本体部(上部駆動部1) MAIN BODY SECT.(UPPER DRIVING SECT.-1)・・・・・・・・・・・・・
1
M7
本体部(上部駆動部2) MAIN BODY SECT.(UPPER DRIVING SECT.-2)・・・・・・・・・・・・・
1
M9
本体部(上部駆動部3) MAIN BODY SECT.(UPPER DRIVING SECT.-3)・・・・・・・・・・・・・
1
M11
カバー部(共通部1) COVER SECT.(COMMON SECT.-1)・・・・・・・・・・・・・・・・・・・・・・・・
2
M13
カバー
部(共通部2)
COVER SECT.(COMMON SECT
.-2)・・・・・・・・・・・・・・・・・・・・・・・・
2
M15
カバー部(共通部3) COVER SECT.(COMMON SECT.-3)・・・・・・・・・・・・・・・・・・・・・・・・
2
M17
カバ
ー部(1)
COVER SECT.(1
)・・・・・・・・・・・・・・・・・・・・・・・・・・・・・・・・・・・・・
2
M19
カバー部(2) COVER SECT.(2)・・・・・・・・・・・・・・・・・・・・・・・・・・・・・・・・・・・・・
2
M21
カバ
ー部(3)
COVER SECT.(3
)・・・・・・・・・・・・・・・・・・・・・・・・・・・・・・・・・・・・・
2
M23
カバー部(Z軸120<1>) COVER SECT.(Z-AXIS 120<1>)・・・・・・・・・・・・・・・・・・・・・・・・・
2
M25
カバー部
(Z軸120<2>)
COVER SECT.(Z
-AXIS 120<2>)・・・・・・・・・・・・・・・・・・・・・・・・・
2
M27
カバー部(Z軸120<3>) COVER SECT.(Z-AXIS 120<3>)・・・・・・・・・・・・・・・・・・・・・・・・・
2
M29
カバー部
(Z軸120<4>)
COVER SECT.(Z
-AXIS 120<4>)・・・・・・・・・・・・・・・・・・・・・・・・・
2
M31
カバー部(Z軸120<5>) COVER SECT.(Z-AXIS 120<5>)・・・・・・・・・・・・・・・・・・・・・・・・・
2
M33
カバー部(Z軸120<6>) COVER SECT.(Z-AXIS 120<6>)・・・・・・・・・・・・・・・・・・・・・・・・・
2
M35
カバー部(Z軸120<7>) COVER SECT.(Z-AXIS 120<7>)・・・・・・・・・・・・・・・・・・・・・・・・・
2
M37
カバー部(Z軸120<8>) COVER SECT.(Z-AXIS 120<8>)・・・・・・・・・・・・・・・・・・・・・・・・・
2
M39
カバー
部(Z軸60<1>)
COVER SECT.(Z
-AXIS 60<1>)・・・・・・・・・・・・・・・・・・・・・・・・・・
2
M41
カバー部(Z軸60<2>) COVER SECT.(Z-AXIS 60<2>)・・・・・・・・・・・・・・・・・・・・・・・・・・
2
M43
カバー
部(Z軸60<3>)
COVER SECT.(Z
-AXIS 60<3>)・・・・・・・・・・・・・・・・・・・・・・・・・・
2
M45
カバー部(Z軸60<4>) COVER SECT.(Z-AXIS 60<4>)・・・・・・・・・・・・・・・・・・・・・・・・・・
2
M47
FMN7203A330B02-1