AV131部品表(1).pdf - 第11页
目 次 CONTENT S 摘要: M 機械部品 MECHANICAL PARTS 標準仕様 STA NDARD EQUIPMENT 本体部 (共通部) MAIN BODY SE CT .(COMMON SECT.)・・・ ・・・・・・・・・・・・・・・・・・・ 1 M1 本体部 MAIN BODY SE CT.・・・・・・・・・・・・・ ・・・・・・・・・・・・・・・・・・ ・・・・・ 1 M3 本体部(アッハ ゚フレーム部) MAI…

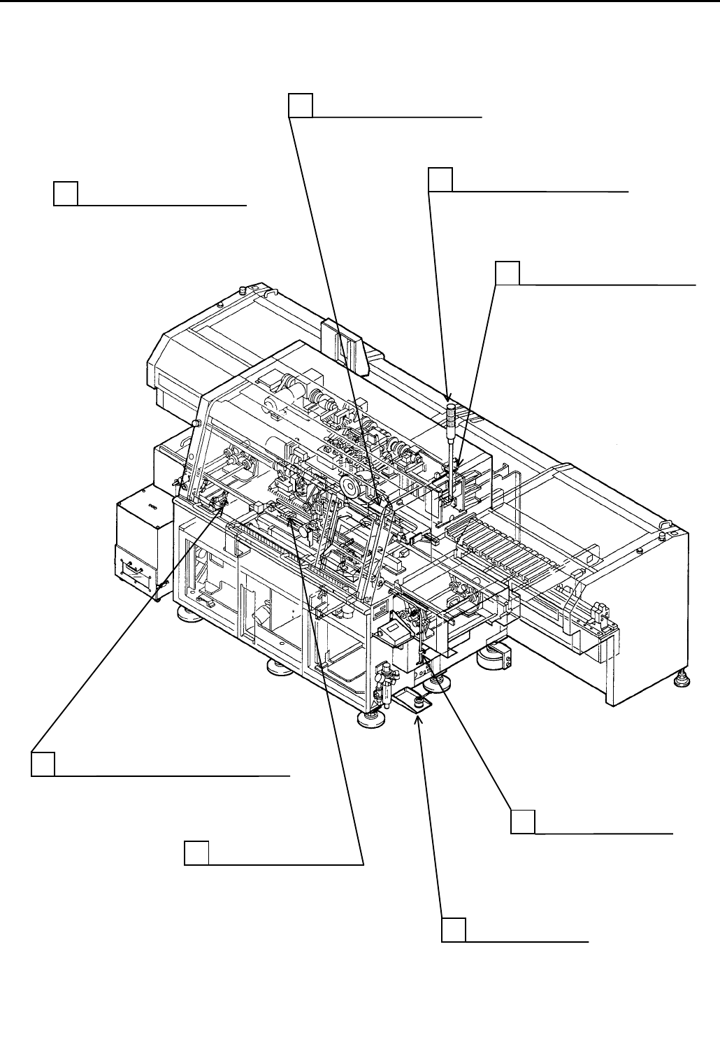
AV131(NM-EJA2A/3A)
全体図
UNIT
LAYOUT
[◆選択仕様 OPTIONAL EQUIPMENT]
J.W.
ヘッド部
J.W.HEAD SECT.
26
29
シグナルタワー部
SIGNAL TOWER SECT.
27
J.W
リール部
J.W.REEL SECT.
28
J.W
フィード部
J.W.FEED SECT.
30
基準ピン部
PIN POSITIONING SECT.
FZN7203A330B01-5
33
ハンドル部
(BSFV
用
)
HANDLE SECT.
1
空圧制御部
(P-PUSH)
PNEUMATIC SYSTEM SECT.(P-PUSH)
24
テープフィーダ部
TAPE FEEDER SECT.

目 次 CONTENTS
摘要:
M 機械部品 MECHANICAL PARTS
標準仕様 STANDARD EQUIPMENT
本体部
(共通部)
MAIN BODY SECT
.(COMMON SECT.)・・・・・・・・・・・・・・・・・・・・・・
1
M1
本体部 MAIN BODY SECT.・・・・・・・・・・・・・・・・・・・・・・・・・・・・・・・・・・・・
1
M3
本体部(アッハ
゚フレーム部)
MAIN BODY SECT.(UPPER FRAME SECT
.)・・・・・・・・・・・・・・・・・
1
M5
本体部(上部駆動部1) MAIN BODY SECT.(UPPER DRIVING SECT.-1)・・・・・・・・・・・・・
1
M7
本体部(上部駆動部2) MAIN BODY SECT.(UPPER DRIVING SECT.-2)・・・・・・・・・・・・・
1
M9
本体部(上部駆動部3) MAIN BODY SECT.(UPPER DRIVING SECT.-3)・・・・・・・・・・・・・
1
M11
カバー部(共通部1) COVER SECT.(COMMON SECT.-1)・・・・・・・・・・・・・・・・・・・・・・・・
2
M13
カバー
部(共通部2)
COVER SECT.(COMMON SECT
.-2)・・・・・・・・・・・・・・・・・・・・・・・・
2
M15
カバー部(共通部3) COVER SECT.(COMMON SECT.-3)・・・・・・・・・・・・・・・・・・・・・・・・
2
M17
カバ
ー部(1)
COVER SECT.(1
)・・・・・・・・・・・・・・・・・・・・・・・・・・・・・・・・・・・・・
2
M19
カバー部(2) COVER SECT.(2)・・・・・・・・・・・・・・・・・・・・・・・・・・・・・・・・・・・・・
2
M21
カバ
ー部(3)
COVER SECT.(3
)・・・・・・・・・・・・・・・・・・・・・・・・・・・・・・・・・・・・・
2
M23
カバー部(Z軸120<1>) COVER SECT.(Z-AXIS 120<1>)・・・・・・・・・・・・・・・・・・・・・・・・・
2
M25
カバー部
(Z軸120<2>)
COVER SECT.(Z
-AXIS 120<2>)・・・・・・・・・・・・・・・・・・・・・・・・・
2
M27
カバー部(Z軸120<3>) COVER SECT.(Z-AXIS 120<3>)・・・・・・・・・・・・・・・・・・・・・・・・・
2
M29
カバー部
(Z軸120<4>)
COVER SECT.(Z
-AXIS 120<4>)・・・・・・・・・・・・・・・・・・・・・・・・・
2
M31
カバー部(Z軸120<5>) COVER SECT.(Z-AXIS 120<5>)・・・・・・・・・・・・・・・・・・・・・・・・・
2
M33
カバー部(Z軸120<6>) COVER SECT.(Z-AXIS 120<6>)・・・・・・・・・・・・・・・・・・・・・・・・・
2
M35
カバー部(Z軸120<7>) COVER SECT.(Z-AXIS 120<7>)・・・・・・・・・・・・・・・・・・・・・・・・・
2
M37
カバー部(Z軸120<8>) COVER SECT.(Z-AXIS 120<8>)・・・・・・・・・・・・・・・・・・・・・・・・・
2
M39
カバー
部(Z軸60<1>)
COVER SECT.(Z
-AXIS 60<1>)・・・・・・・・・・・・・・・・・・・・・・・・・・
2
M41
カバー部(Z軸60<2>) COVER SECT.(Z-AXIS 60<2>)・・・・・・・・・・・・・・・・・・・・・・・・・・
2
M43
カバー
部(Z軸60<3>)
COVER SECT.(Z
-AXIS 60<3>)・・・・・・・・・・・・・・・・・・・・・・・・・・
2
M45
カバー部(Z軸60<4>) COVER SECT.(Z-AXIS 60<4>)・・・・・・・・・・・・・・・・・・・・・・・・・・
2
M47
FMN7203A330B02-1

カバー部(Z軸60<5>) COVER SECT.(Z-AXIS 60<5>)・・・・・・・・・・・・・・・・・・・・・・・・・・
2
M49
カバー部(Z軸60<6>) COVER SECT.(Z-AXIS 60<6>)・・・・・・・・・・・・・・・・・・・・・・・・・・
2
M51
X-Yテ-ブル部(X軸駆動部) X-Y TABLE SECT.(X-AXIS DRIVING SECT.)・・・・・・・・・・・・・・
3
M53
X-Yテ-フ
゙ル部(Y軸駆動部)
X-Y TABLE SECT
.(Y-AXIS DRIVING SECT.)・・・・・・・・・・・・・・
3
M55
X-Yテ-ブル部(テーブル部1) X-Y TABLE SECT.(TABLE SECT.-1)・・・・・・・・・・・・・・・・・・・・・
3
M57
X-Yテ-
ブル部(テーブル部2)
X-Y TABLE SECT
.(TABLE SECT.-2)・・・・・・・・・・・・・・・・・・・・・
3
M59
X-Yテーブル部(配線配管部) X-Y TABLE SECT.(WIRING & PIPING SECT.)・・・・・・・・・・・・・
3
M61
ローダ・アンローダ部(共通部
<ローダ部>)
4
LOADER & UNLOADER SECT.(COMMOM SECT.<LOADER
SECT.>)・・・・・・・・・・・・・・・・・・・・・・・・・・・・・・・・・・・・・・・・・・・・ M63
ローダ・アンローダ部(共通部
<ローダ部>)
4
LOADER & UNLOADER SECT.(COMMOM SECT.<LOADER
SECT.>)・・・・・・・・・・・・・・・・・・・・・・・・・・・・・・・・・・・・・・・・・・・・ M65
ローダ・アンローダ部(共通部
<アンローダ部>)
4
LOADER & UNLOADER SECT.(COMMOM SECT.<UNLOADER
SECT.>)・・・・・・・・・・・・・・・・・・・・・・・・・・・・・・・・・・・・・・・・・・・・ M67
ローダ・アンローダ部(共通部<アンローダ部>)
4
LOADER & UNLOADER SECT.(COMMOM SECT.<UNLOADER
SECT.>)・・・・・・・・・・・・・・・・・・・・・・・・・・・・・・・・・・・・・・・・・・・・ M69
ローダ・アンローダ部(ローダカバー部) LOADER & UNLOADER SECT.(LOADER COVER SECT.)・・・・・・・・
4
M71
ローダ・
アンローダ部(アンローダカバー部)
LOADER &
UNLOADER SECT.(UNLOADER COVER SECT.)・・・・・・
4
M73
ローダ・アンローダ部(ローダアーム連動部) LOADER & UNLOADER SECT.(LOADER ARM SWING SECT.)・・・・
4
M75
挿入
ヘッド部(1)
INSERTION HEAD SECT
.(1)・・・・・・・・・・・・・・・・・・・・・・・・・・・・
5
M77
挿入ヘッド部(2) INSERTION HEAD SECT.(2)・・・・・・・・・・・・・・・・・・・・・・・・・・・・
5
M79
挿入
ヘッド部(3)
INSERTION HEAD SECT
.(3)・・・・・・・・・・・・・・・・・・・・・・・・・・・・
5
M81
挿入ヘッド部(4) INSERTION HEAD SECT.(4)・・・・・・・・・・・・・・・・・・・・・・・・・・・・
5
M83
挿入
ヘッド部(5)
INSERTION HEAD SECT
.(5)・・・・・・・・・・・・・・・・・・・・・・・・・・・・
5
M85
挿入ユニット部(1) INSERTION UNIT SECT.(1)・・・・・・・・・・・・・・・・・・・・・・・・・・・・
6
M87
挿入ユニット
部(2)
INSERTION UNIT SECT.(2)・・・・・・・・・・・・・・・・・・・・・・・・・・・・
6
M89
挿入ユニット駆動部 INSERTION UNIT DRIVING SECT.・・・・・・・・・・・・・・・・・・・・・・・
7
M91
移載チャック部(1) TRANSFER CHUCK SECT.(1)・・・・・・・・・・・・・・・・・・・・・・・・・・・・
8
M93
移載チャック部(2) TRANSFER CHUCK SECT.(2)・・・・・・・・・・・・・・・・・・・・・・・・・・・・
8
M95
移載チャック部(3) TRANSFER CHUCK SECT.(3)・・・・・・・・・・・・・・・・・・・・・・・・・・・・
8
M97
移載
チャック部(4)
TRANSFER CHUCK SECT
.(4)・・・・・・・・・・・・・・・・・・・・・・・・・・・・
8
M99
FMN7203A330B02-2