KE-2050-KE-2060 使用说明书.pdf - 第52页
第 1 部 基本编 第 1 章 设备概要 1-30 表 1-1-6-1 主机正面左侧的连接器表 No. 信号名称 传送方向 右向 信号名称 传送方向 左向 使用的连接器 1 READY OUT + READY IN + 2 READY OUT - READY IN - (GN D) AMP 3 BOAD AVAILABLE IN + BOAD AVAILABLE OUT + 202043-1 4 BOAD A VAILABLE IN-(…

第 1 部 基本编 第 1 章 设备概要
1-29
1-1-6 与外部设备的界面
① 在线使用本设备时,用于与其他设备连接的准备输出(入)连接器(14针)。传送方向为“左
→右”及“右→左”时,准备输出(入)连接器的针配置相反。(参见表1-1-6-1及表1-1
-6-2。)
② 为打印机连接器(Dsub 25pin),以Centronics方式为准。
③ 为以太网连接器(模块连接器8P)。
④ 为矩阵交换界面用的连接器(50P)。
⑤ 为矩阵交换电源用的插头(7P)。
图 1-1-6-1 主机正面左侧 图 1-1-6-2 主机正面右侧
⑥ 为跟踪球连接器(9pin)。
⑦ 为键盘连接器(5pin)。
⑧ 为手控操作盘(HOD)连接器(50pin)。
跟踪球与键盘的连接器形状相同。
请勿错误连接,否则将导致机械系统无法启动。
图 1-1-6-3 主机正面右侧
④
⑤
②
③
⑦
⑥
注意
⑧
①

第 1 部 基本编 第 1 章 设备概要
1-30
表 1-1-6-1 主机正面左侧的连接器表
No. 信号名称 传送方向 右向 信号名称 传送方向 左向 使用的连接器
1 READY OUT + READY IN +
2 READY OUT - READY IN - (GND) AMP
3 BOAD AVAILABLE IN + BOAD AVAILABLE OUT + 202043-1
4 BOAD AVAILABLE IN-(GND) BOAD AVAILABLE OUT -
5 N.C. N.C.
6 N.C. N.C. 电缆侧
7 N.C. N.C. 连接用的插头
8 N.C. N.C. 20604-1
9 N.C. N.C.
10 N.C. N.C.
11 N.C. N.C.
12 N.C. N.C.
13 N.C. N.C.
14 N.C. N.C.
表 1-1-6-2 主机正面右侧的连接器表
No. 信号名称 传送方向 右向 信号名称 传送方向 左向 使用的连接器
1 READY IN + READY OUT +
2 READY IN - (GND) READY OUT - AMP
3 BOAD AVAILABLE OUT + BOAD AVAILABLE IN + 206043-1
4 BOAD AVAILABLE OUT - BOAD AVAILABLE IN - (GND)
5 N.C. N.C.
6 N.C. N.C. 电缆侧
7 N.C. N.C. 连接用的插头
8 N.C. N.C. 206044-1
9 N.C. N.C.
10 N.C. N.C.
11 N.C. N.C.
12 N.C. N.C.
13 N.C. N.C.
14 N.C. N.C.

第 1 部 基本编 第 1 章 设备概要
1-31
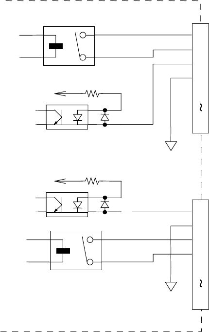
◇ 准备输出(入)信号与板内有效信号的界面电路如图 1-1-6-4 所示。
依据SMEMA规格。
GND
(
24V
)
+
+ 24
V
3.3K 1/4W
READY OUT +
BOAD AVAILABLE IN +
READY OUT -
BOAD AVAILABLE IN -
N.C.
1
2
3
4
5
14
READY IN +
BOAD AVAILABLE OUT +
READY IN -
BOAD AVAILABLE OUT -
N.C.
1
2
3
4
5
14
+ 24
V
3.3K 1/4W
+
GND
(
24V
)
图 1-1-6-4