KE-2050-KE-2060 使用说明书.pdf - 第567页
第2部 功能详解篇 第6章 通用图象 ① “名称” 元件组要命名使用。变更时需指定该名称进行编辑。 名称自动地以连续顺序命名。 用户可利用32个字符以内的英文、数字字符重新命名。 · 示例中未加改变的采用了自动连号。 ② “第 1 元件的配置” 元件组的配置由元件组的位置(X、Y)和取向(θ)指定。 元件组的位置指定为从元件中心位置开始的距离(偏移)。 通常,可认为元件中心位置与外形中心位置相同。 · 如果生产程序中贴片数据的贴片坐标没…

第2部 功能详解篇 第6章 通用图象
6-5-2 球元件类(元件组/元件格式)
■ 本节将对球元件类(复合阵列元件)的数据制作步骤进行说明。
1. 扩展图像画面
· 在“元件种类”中选择球元件种类。
·
在“数据格式定义”中选择元件组/元件格式。
·
在“元件组一览表”中选择追加。
2. 元件组画面
定义元件组(EG)。
元件组由相同尺寸、相同间距的引脚集合构成。
所谓复合阵列元件是指尺寸不同或带有不同间距球/平面的区域阵列元件。
即使是同一电极,但间距不同的元件,作为EG(元件组,区域)也必须分别设定。 所谓同一电极
是指相同大小、相同形状的电极。
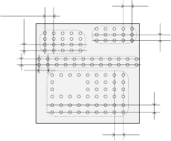
(图6-5-2-1)中,作为示例给出了由4个元件组(EG)构成的复合阵列元件。
● 用此元件说明数据制作步骤。
第2、3元件组虽然是具有相同尺寸、相同间距的排列,但由于各列相互偏移配置,因此应
作为另一元件组。
与区域阵列元件(BGA,FBGA)相同,复合阵列元件的形态以Bottom View(内)为基准。
Bottom View
第3元件组
第 4 元件组
第2元件组
第 1 元件组
图 6-5-2-1
如(图6-5-2-2)所示,在有一部分交错排列时,应分为2个方格排列的组进行定义。
元件组 1
元件组 2
图 6-5-2-2
6-31

第2部 功能详解篇 第6章 通用图象
① “名称”
元件组要命名使用。变更时需指定该名称进行编辑。
名称自动地以连续顺序命名。
用户可利用32个字符以内的英文、数字字符重新命名。
·
示例中未加改变的采用了自动连号。
② “第 1 元件的配置”
元件组的配置由元件组的位置(X、Y)和取向(θ)指定。
元件组的位置指定为从元件中心位置开始的距离(偏移)。
通常,可认为元件中心位置与外形中心位置相同。
·
如果生产程序中贴片数据的贴片坐标没有以元件外形中心位置为基点,可将作为基点
的元件中心位置设定为与外形中心位置不同的坐标。
(图6-5-2-3)所示为将外形中心位置作为元件中心位置的情况。
Bottom View
元件中心位置
(外形中心位置)
图 6-5-2-3
Bottom View
13245
列编号
123
4
5
6
行编号
◆ 准确地说,位置是指从元件中心到第1元件的距离(偏移)。
元件组的取向(角度)基本上为0°。
(图6-5-2-4)给出了行与列的关系。
第1(球、平面)元件为最左下角的(球、平面)元件的坐标。
·
此配置不同于标准外周BGA元件的指定。
图 6-5-2-4
◆
(图6-5-2-5)给出了示例元件中第1(球、平面)元件的位置。在(球、平面)元件的情况
下,从元件中心位置看到的第1球、平面的中心位置就是第1(球、平面)元件的坐标。
Bottom View
元件中心位置
(外形中心位置)
图 6-5-2-5
6-32

第2部 功能详解篇 第6章 通用图象
③ 在“第 1 元件的配置”中,示例为第 1 引脚的顶端位置为(-6.0mm、-5.0mm)的情况下,输入:
X 偏移 :-6.0
Y 偏移 :-5.0
Z 偏移 :0(不使用)
θ偏移 :0
·
容差通常设定为“0(零)”。
● 然后,设定元件组排列。
排列数据包括维度与列·行的间距、数量。
④ “维度”
由于在球/平面元件的情况下变成2维,因此在“维度”中选择2D。
(注)即使只有1列、1行的配置也应指定2维。
◆
(图6-5-2-6)给出了各元件组的间距。
·
由于在示例元件中第1元件组有9列,因而输入“列”的“数量:9”。
(注)只有1行的排列时,输入“1”。
·
若间距设为1.5mm,则输入“列”的“间距:1.5”。
(注)只有1行的排列时,同样输入1.5。
·
容差通常设定为“0(零)”。
·
至于行,由于在示例元件中第1元件组有6行,因而输入“行”的“数量:6”。
(注)只有1行的排列时,输入“1”。
·
若间距设为1.27mm,则输入“列”的“间距:1.27”。
(注)只有1行的排列时,同样输入“1.27”。
·
容差通常设定为“0(零)”。
◆ (图6-5-2-6)给出了各元件组的间距。
Bottom View
第 2 元件组
行间距
第 2 元件组
列间距
第 3 元件组
列间距
第 3 元件组
行间距
第 1 元件组
列间距
第 1 元件组
行间距
第 4 元件组
列间距
第 4 元件组
行间距
图 6-5-2-6
6-33