00194439-10_SM_X-Serie_Kunde_de.pdf - 第309页
Einstellarbeiten 5.2.4 C&P20 Achsansteuerung Serviceanleitung SIPLACE X-Serie 309 Überprüfung der Dynamik Z-Achse Messaufbau Die Positionierzeit für die Z-Ac hse beträgt 30 ms +/-3 ms (6er- Ko pf), die des 12er-Kopfs…

Einstellarbeiten
Achsansteuerung 5.2.4 C&P20
308 Serviceanleitung SIPLACE X-Serie
5.2.4.4
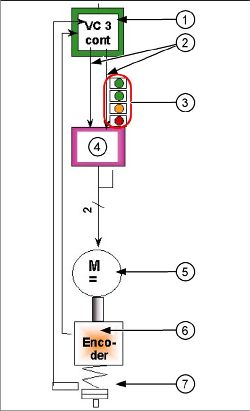
5.2.4.4 Achsansteuerung der Z-Achse
Achsansteuerung der Z-Achse
Achsansteuerung Z-Achse
Die Z-Achse DLM2-Köpfe wird über einen DC-Servomo-
tor angetrieben. Die Z-Achse C&P20 wird über einen 3~
AC-Antrieb angetrieben. Diese Ansteuerung erfolgt über
zwei Steuersignale vom VC3-Controller I soll "W" und I
soll "U". Die Zwischenkreisspannung beträgt ca. 24 V.
1. Achskarte A363 mit VC3-Controller (VC = Velocity
Commutation) oder A364
2. 1 Steuersignal
3. LEDs am Servoverstärker:
4. Servoverstärker
5. 3~ AC-(DC-)Motor.
6. Zwischen dem Motor und der Leseeinheit besteht
eine feste mechanische Verbindung.
7. Leseeinheit: Übermittelt der Achskarte die genaue
Position der Achse (Spursignale).
8. Elastische mech. Verbindung (Riemen) und Licht-
schranke unten, zur schnellen Erkennung der unte-
ren Position.
Die Servokarte steuert direkt den 3~ AC-(DC-)Motor an.

Einstellarbeiten
5.2.4 C&P20 Achsansteuerung
Serviceanleitung SIPLACE X-Serie 309
Überprüfung der Dynamik Z-Achse
Messaufbau
Die Positionierzeit für die Z-Achse beträgt 30 ms +/-3 ms (6er-Kopf), die des 12er-Kopfs 24 +/-1 ms
DLM2 für 685 Digit. Die Positionierzeit Z-C&P20 für 15 mm (gleich der DLM2-Strecke) beträgt in beiden
Richtungen 20 ms. Für den Weg 0-10000 Digit (10 mm) soll die Positionierzeit 16,7 ms betragen.
Positionieren Sie die Portale so, dass die Z-Achse über der Kalibrierteilposition steht.
SITEST:
► Wählen Sie C&P Köpfe ==> Kopf auswählen ==> Achsfunktionen
==> Z-Achse auswählen ==> Achsdauerlauf auswählen und Werte in Digit editieren, übernehmen.
Zielposition = 10000 Digit (10 mm); Positionierart = absolut.
Signalbeispiel C&P20 Z-Achse mit dem Steuersignal am Vnom. Ausgang
HINWEIS
Analoger Messaufbau
Der Messaufbau erfolgt analog zum Messaufbau der Sternachse.
Dynamiksignale Z-Achse C&P20 – 15,4 mm Weg
1. Motorphasenstromsignal (V
nom
Ausgang)
2. Unkommutiertes Stromsignal V
reg
3. Positionsabweichung
4. Endemeldung
15,4 mm (Strecke DLM2) Positionierung mit der Z-Achse
in den freien Raum
Dynamiksignale Z-Achse C&P20 – Kalibrierteiltasche
1. Motorphasenstromsignal (V
nom
Ausgang)
Positionierung jeweils aufwärts
2. Unkommutiertes Stromsignal V
reg
Positionierung abwärts
3. Positionsabweichung
4. Endemeldung
6,8 mm Positionierung mit der Z-Achse in die Kalibrier-
teiltasche

Einstellarbeiten
Achsansteuerung 5.2.4 C&P20
310 Serviceanleitung SIPLACE X-Serie
5.2.4.5
5.2.4.5 Achsansteuerung der DP-Achse
Achsansteuerung der DP-Achse
Überprüfung der Dynamik DP-Achse
Messaufbau
Der SIPLACE-Servicetechniker kann mit spezieller SW einen Funktions-Dauerlauf starten, bzw. im SI-
TEST (Servicepasswort) die Positionierzeiten der einzelnen DP-Antriebe überprüfen.
SITEST:
► Wählen Sie C&P Köpfe ==> Kopf auswählen ==> Achsfunktionen
==> DP-Achse auswählen ==> Achsdauerlauf auswählen und Werte in 1/100° eingeben (Startposi-
tion 0 – Zielposition 18000) Positionierzeit = absolut
= Start
⇨ Der angezeigte Wert für jede einzelnen DP-Achse sollte bei 180° kleiner 300 ms sein.
Achsansteuerung DP-Achse eines Segmentes des
C&P20
Die DP-Achse des DLM2-Kopfes wird über einen DC-
Servomotor angetrieben. Dei DP-Achsen der C&P20-
Segmente werden durch eine DP-Masterplatine und eine
"on board"-Direktsteuerung positioniert. Die Ansteuerung
erfolgt über CAN-Bus der jeweiligen Kopfplatine. Die Zwi-
schenkreisspannung beträgt ca. 24 V. Es erfolgt kein ein-
oder ausschwenken einer Drehstation wegen des Direkt-
antriebes im Segmentantriebsmotor.
Der MC überträgt die die Aktivierungskommandos über
den Maschinen-CAN-Bus an den Kopfprozessor.
Dieser aktiviert über vier DP-Tasks und das Kopf-CAN-
Bussystem mit Aktivierungskommandos über
▪ Kopfadapter,
▪ Zwischenverteiler,
▪ die Schleifringe des E/D-Übertrager an das Mother-
board mit dem DP-Master.
Die Steuerung des DP-Motors im Segment erfolgt an der
DP-Ansteuerplatine mit Hilfe der Zählimpulse des integ-
rierten HALL-Inkrementalgebers.
HINWEIS
Keine Messpunkte
Es sind keinerlei Messpunkte der C&P20-Drehantriebe zugänglich.