KE 2050 2060说明书.pdf - 第181页
第4章 生产程序制作 Rev00 ④ 托盘厚度 输入包括元件在内的托盘下底面到上底面的高度T。 情形1 情形2 T T 托盘 元件 ⑤ 供给装置 从“托架”、“DTS”、“MTC/MTS”中选择供给装置。 ⑥ 元件供给角度 输入托盘上的元件包装方式相对于JUKI的元件供给角度0°的角度。 元件的横、纵信息将影响贴片角度。 详细内容请参见4-3-5-2-2的5)元件供给角度。 4) 散件的输入方法 图 4-3- 15元件数据(散件) ① …

第4章 生产程序制作 Rev00
3) 托盘的输入方法
图 4-3- 13托盘的元件间距、元件数
① 元件前头位置
用从托盘外形开始的距离输入盘元件前头元件的中心位置(X、Y)。
② 间距
输入元件的间距(间距X、间距Y)。
③ 元件数
输入横向、纵向的元件数(Xn、Yn)。
Yn
Yn
Xn
Xn
传送路
机械前面
基板
间距元件先头位置
间距Y
间距元件先头
位置XY
间距元件
先头
MTC
元件前头位置XY
首元件
间距X
梭子
首元件
间距X
托盘支架、DTS、MTS、(TR5)
图 4-3- 14托盘的元件间距、元件数
由元件前头位置、间距、元件来数决定吸取坐标的初始值。请输入正确的值。
4-36

第4章 生产程序制作 Rev00
④ 托盘厚度
输入包括元件在内的托盘下底面到上底面的高度T。
情形1
情形2
T T
托盘
元件
⑤ 供给装置
从“托架”、“DTS”、“MTC/MTS”中选择供给装置。
⑥ 元件供给角度
输入托盘上的元件包装方式相对于JUKI的元件供给角度0°的角度。
元件的横、纵信息将影响贴片角度。
详细内容请参见4-3-5-2-2的5)元件供给角度。
4) 散件的输入方法
图 4-3- 15元件数据(散件)
① 类型
设置散件送料器的类型。
② Feed等待时间
用百分比设置相对于从上一个元件吸取完成后到吸取下一个元件之间的等待时间(根据各
送料器型号设置的值)的实际等待时间的比例。
初始值为100%。
③ 元件供给角度
输入管状送料器上的元件包装方式相对于JUKI的元件供给角度0°的角度。
详细内容请参见4-3-5-2-2的5)元件供给角度。
4-37

第4章 生产程序制作 Rev00
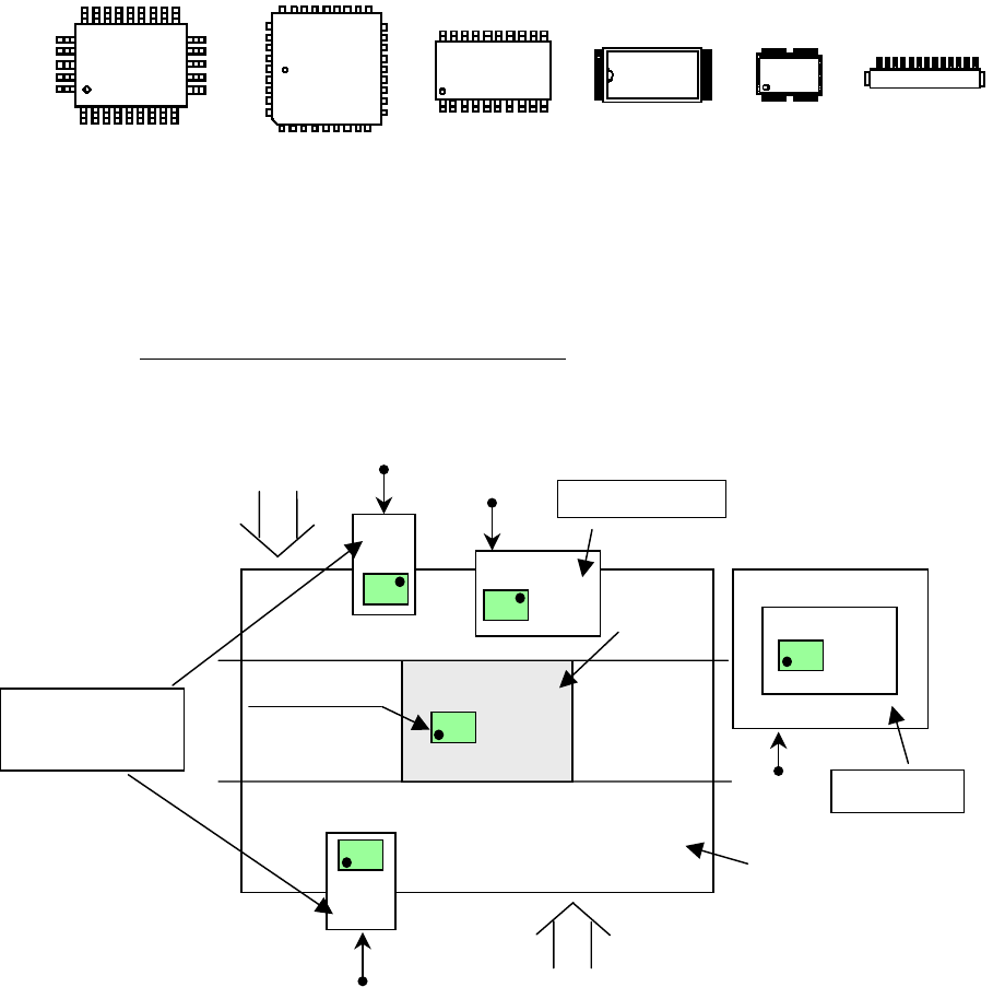
5) 元件供给角度
该设置是为了消除本贴片机规定的元件供给角度与实际供给元件的供给角度的差。
<帮您理解>
① 贴片角度
本装置以“贴片元件的姿态”为基准来定义元件的角度。
贴片角度=0 度(当贴片数据中“角度”设置为 0 度时)的状态如下图。
(按各元件种类定义)
注意) 根据生产基板的规格,当 CAD 数据的贴片角度定义与本装置的贴片角度定义不一
致时,需要变更 CAD 数据的贴片角度。
QFP QFP(PLCC) SOP TSOP-1 TSOP-2 连接器
图 4-3- 16贴片角度为 0°
② 元件供给角度
当“元件供给角度=0 度、贴片角度=0 度”
时,为了获得如上图的贴片结果,要求元件
的供给方向应如下图所示。
(标明元件种类=SOP)
带式送料器
杆式送料器
贴片角度 0°
前侧
MTC/MTS
贴片机
基板
托盘支架,DTS
后侧
4-38