KE-2050_2060_使用说明书.pdf - 第54页
第 1 部 基本编 第 1 章 设备概要 1-32 1-1-7 略语说明 意 义 略语 中文 英语 ATC 自动工具交换装置 (Auto Tool Changer) BMR 坏板标记识别器 (Bad Mark Reader) CVS 元件检验系统 (Component Verification System) DTS 双托盘支架 (Dual Tray Server) EPU 外部编程装置 (External Programming Un…

第 1 部 基本编 第 1 章 设备概要
1-31
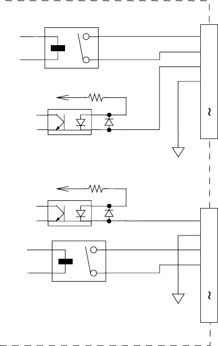
◇ 准备输出(入)信号与板内有效信号的界面电路如图 1-1-6-4 所示。
依据SMEMA规格。
GND
(
24V
)
+
+ 24
V
3.3K 1/4W
READY OUT +
BOAD AVAILABLE IN +
READY OUT -
BOAD AVAILABLE IN -
N.C.
1
2
3
4
5
14
READY IN +
BOAD AVAILABLE OUT +
READY IN -
BOAD AVAILABLE OUT -
N.C.
1
2
3
4
5
14
+ 24
V
3.3K 1/4W
+
GND
(
24V
)
图 1-1-6-4

第 1 部 基本编 第 1 章 设备概要
1-32
1-1-7 略语说明
意 义
略语
中文 英语
ATC 自动工具交换装置 (Auto Tool Changer)
BMR 坏板标记识别器 (Bad Mark Reader)
CVS 元件检验系统 (Component Verification System)
DTS 双托盘支架 (Dual Tray Server)
EPU 外部编程装置 (External Programming Unit)
FMLA 焦点膜块激光校准 (Focused Modular Laser Align)
FPI 送料器台位置指示器 (Feeder Position Indicator)
HLC 主生产线计算机 (Host Line Computer)
HMS 高度测量装置 (Height Measurement System)
HOD 手控操作盘 (Handheld Operating Device)
MNLA 多吸嘴激光校准 (Multi Nozzle Laser Align)
MTC 矩阵托盘交换器 (Matrix Tray Changer)
MTS 矩阵托盘服务器 (Matrix Tray Server)
OCC 位置校正摄像机 (Offset Correction Camera)
PWB 基板 (Printed Wiring Board)
VCS 图像识别元件位置修正装置 (Vision Centering System)

第 1 部 基本编 第 1 章 设备概要
1-33
1-2 基本操作
1-2-1 画面的构成
⑧ 命令按钮
① 标题栏
② 菜单栏
⑦ 状态栏
④工具栏
⑨语言切换按钮
图 1-2-1-1 桌面画面(例)