SME_Jig_User_Guide(Eng_Ver1).pdf - 第30页
2-4 User's Guide For Tape Fe eder Calibration Jig 2.1.3. Feeder Base The feeder base is where ta pe feeders are installed a nd has slots and connectors. 1: No. 1 Slot 2: No. 2 Slot 3: Feeder Base Board w No. 1 Slot …

2-3
Prepare
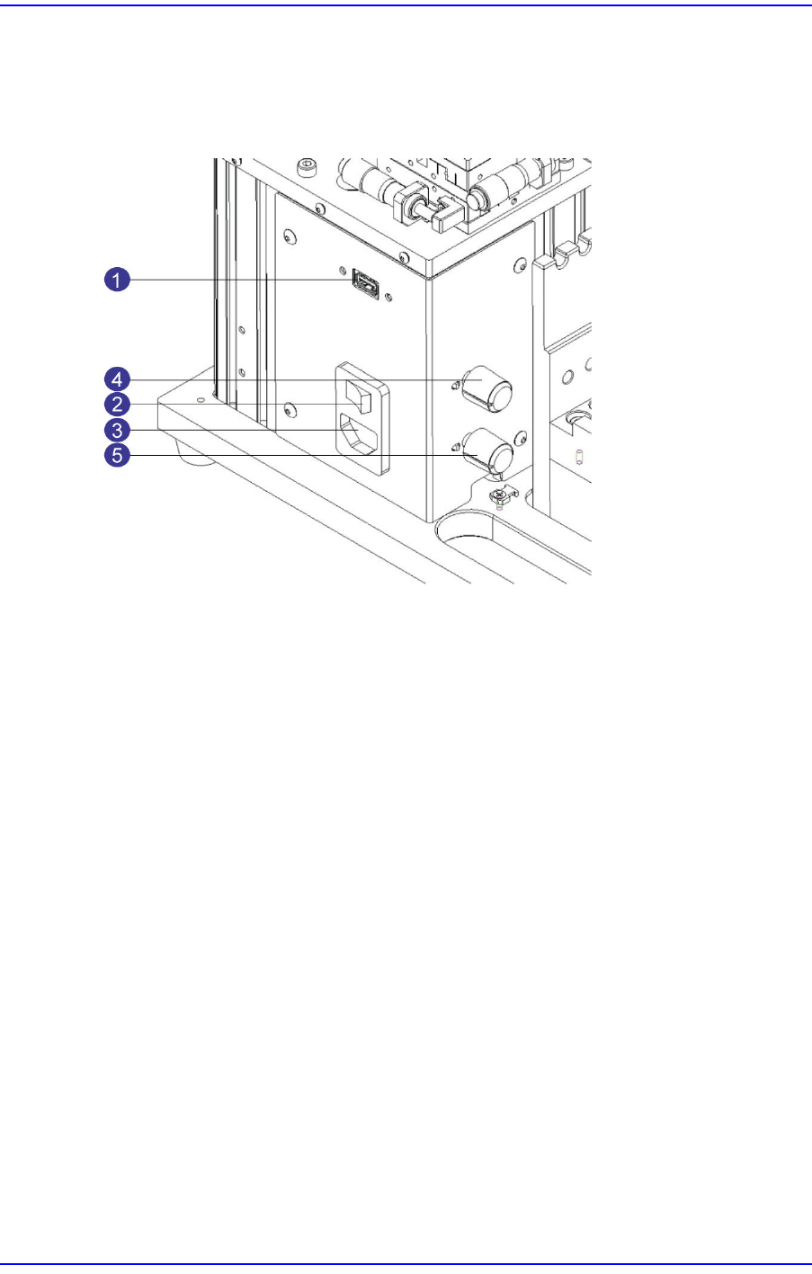
2.1.2. Power Supply and Lighting
Power and lighting sections have a connector for the power supply, a dial adjusting the
brightness of the lighting, and a USB port for communication between the calibration jig
and computer.
1: USB Port for CAN Communication
2: Main Power Supply Switch
3: Main Power Supply Connector
4: Coaxial Lighting Adjustment Dial
5: Fiducial Lighting Adjustment Dial
w USB Port for CAN Communication
Communication port for the USB cable connecting the computer and calibration jig
w Main Power Supply Switch
Switch that turns on/off the power supply to the calibration jig
w Main Power Supply Connector
Power supply connector connecting the power cable
w Coaxial Lighting Adjustment Section
Dial adjusting the brightness of the coaxial lighting
w Fiducial Lighting Adjustment Section
Dial adjusting the brightness of the fiducial lighting

2-4
User's Guide For Tape Feeder Calibration Jig
2.1.3. Feeder Base
The feeder base is where tape feeders are installed and has slots and connectors.
1: No. 1 Slot
2: No. 2 Slot
3: Feeder Base Board
w No. 1 Slot
Slot where the master feeder and the feeder to be calibrated are installed
w No. 2 Slot
Guide slot used to install a large feeder
w Feeder Base Board
Provides power supply and communication to the feeder installed in the No. 1 slot.

2-5
Prepare
2.1.4. Master Feeder
Refers to a reference feeder used to set the origin of a tape feeder.
1: Master Block
2: Clamp Lever
3: 8mm Origin
4: W4P1 Origin
5: Origin greater than 12mm
w Master Block
Block on which the origin of a feeder to be calibrated is marked
Caution
Exercise care not to scratch the top surface of the master
block. If the origin on the top surface of the master feeder is
damaged, the master feeder origin may be distorted.
w Clamp Lever
Lever fixing the master feeder on the feeder base when installing the master feeder
w 8mm/0402 Origin
Origin for calibrating the part pickup position of an 8mm/0402 feeder
w W4P1 Origin
Origin for calibrating the part pickup position of a W4P1 feeder
w Origin Greater than 12mm
Origin for calibrating the part pickup position of an 12mm/16mm feeder