印刷机通用说明书(中英文版) 450+.pdf - 第105页
- 105 - 5 . 点击 采集图像 ,然后点 击设置 模 板, 手动 设置 6-5 图上绿色方框 Click “ 采集图像 ”(image capture) button an d click “ 设置模板 ”(template setting) bu tton. Setup t he green square box m anually in th e pix 6-5. 图 6-5 (设置模板) Pix 6-5(template …

- 104
-
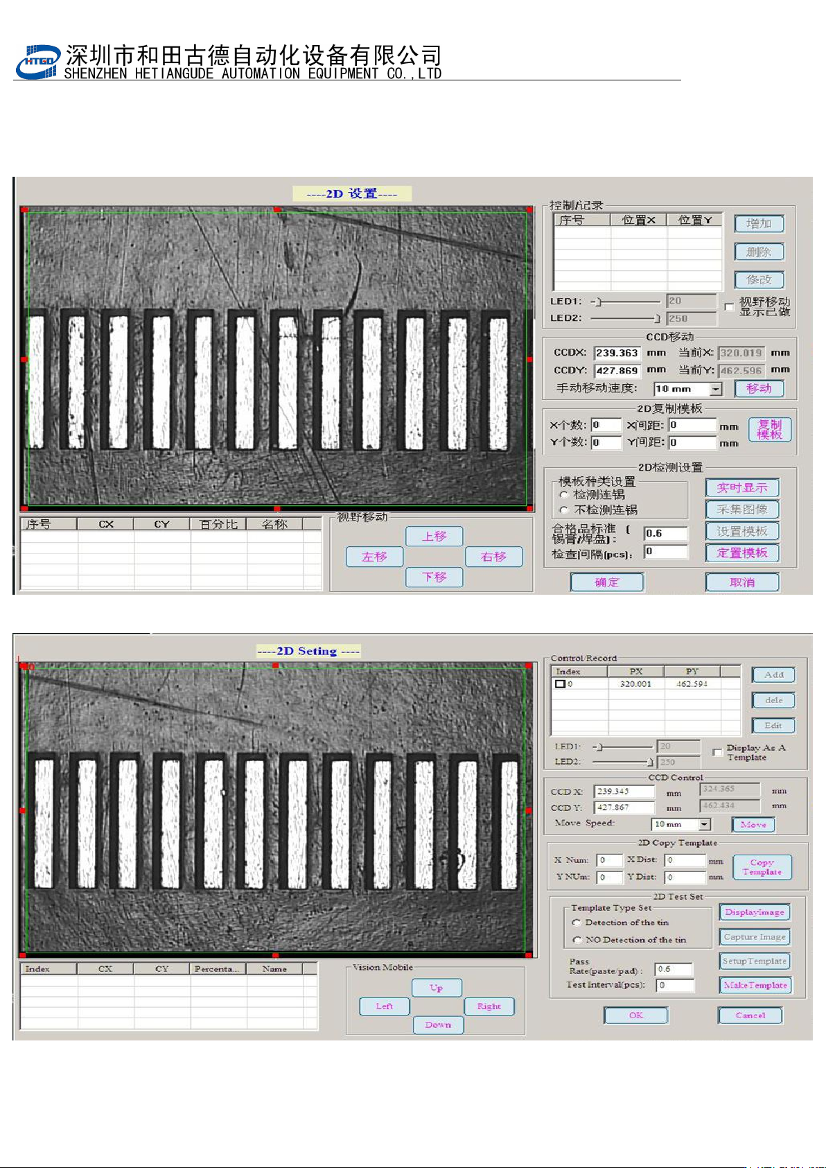
4. 点击移动,然后使用键盘上的方向键,移动到要检测的位置
Click “
移动
”(move) button and press the direction key on the keyboard. Move to the
inspection position.
图 6-4(查找检测点)Pix 6-4(search the inspection spot)

- 105
-
5. 点击采集图像,然后点击设置模板,手动设置 6-5 图上绿色方框
Click “
采集图像
”(image capture) button and click “
设置模板
”(template setting) button.
Setup the green square box manually in the pix 6-5.
图 6-5(设置模板)
Pix 6-5(template setting)

- 106
-
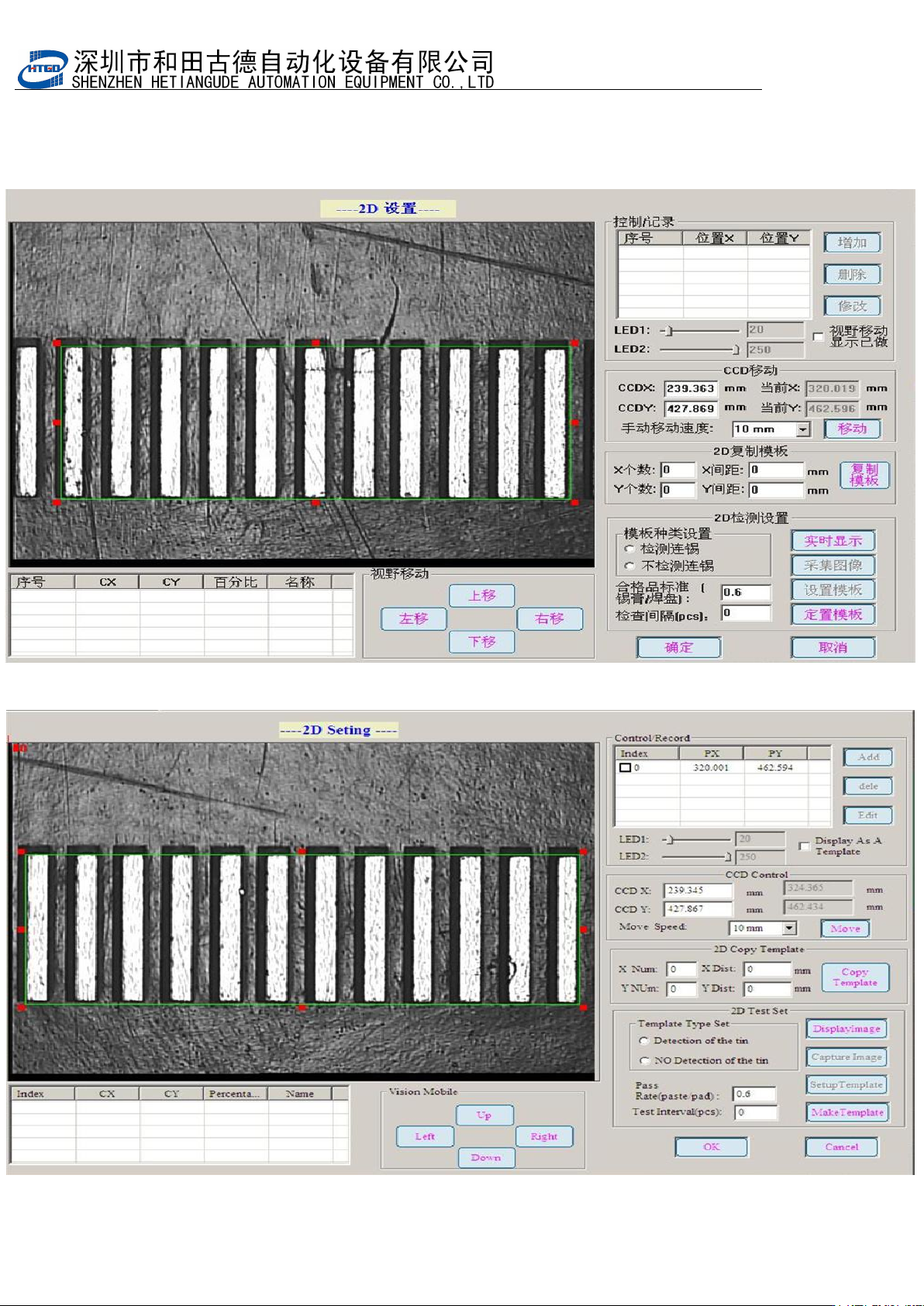
6. 如图 6-6,设置好检测点后,点击定置模板。
Click “
定置模板
”(template customization) button after setting the inspection spot. See pix
6-6.
图 6-6(设置检测点)
Pix 6-6(setup the inspection spot)