80S-2080F480F5.pdf - 第237页
SIPLACE 80S-20/F4/F5 User M anual 5 Vision Func tions 05/99 Issue from Software Vers ion SR.405.xx 5.1 Overview of the Vision S ystems in the SIPLACE 80S-20 /F4F5 Machines Line en gineer 5 - 5 As the dime nsions of comp …
5 Vision Functions SIPLACE 80S-20/F4/F5 User Manual
5.1 Overview of the Vision Systems in the SIPLACE 80S-20/F4F5 Machines 05/99 Issue from Software Version SR.405.xx
5 - 4 Line engineer

SIPLACE 80S-20/F4/F5 User Manual 5 Vision Functions
05/99 Issue from Software Version SR.405.xx 5.1 Overview of the Vision Systems in the SIPLACE 80S-20/F4F5 Machines
Line engineer 5 - 5
As the dimensions of components become smaller and smaller in size, the lead interconnection and insertion
densities increase, and board structures become more complex, the quality demands on the placement accu-
racy of the machines continue to rise. In order that these requirements be satisfied the SIPLACE 80 S-20/
F
4
placement machines are equipped with optical recognition systems (so-called
vision systems
) not only for
centering the printed circuit boards (
PCB vision system
) but also for centering the components (
component
vision system
).
5.1.1 Vision Systems in the SIPLACE 80S-20 Placement Machine
On the SIPLACE 80S-20 automatic placement machine, with its double gantry system and two 12x revolver
placement heads, each placement head is equipped with a CCD camera system for component position rec-
ognition. In addition a CCD camera system for PCB position recognition is mounted on each gantry underside
(5 - 5 and Fig. 5.1.3, Page 5 - 6).
Fig. 5.1.2 Location of the 12x revolver placement heads on the SIPLACE 80S-20 placement machine
- Key to Fig. 5.1.2
1 12x placement head / gantry 1 2 12x placement head / gantry 2
3 PCB cameras under the gantries
The range of components which can be handled by optical centering and placement ranges from 0402 to
SO28 components, or, to put it another way, component sizes varying between 1.0 mm x 0.5 mm up to a max-
imum of 18.7 mm x 18.7 mm with component thicknesses from 0.3 mm to 8.25 mm.
The PCB vision system of the 80S-20, 80F
4
and 80F
5
machines centers boards with dimensions ranging from
a minimum of 50 mm x 50 mm up to 460 mm x 460 mm (standard), with an optional maximum of 508 mm x
460 mm. The board thickness may vary within the range of 0.5 mm and 4.5 mm.

5 Vision Functions SIPLACE 80S-20/F4/F5 User Manual
5.1 Overview of the Vision Systems in the SIPLACE 80S-20/F4F5 Machines 05/99 Issue from Software Version SR.405.xx
5 - 6 Line engineer
The control unit of the machine accommodates an evaluation unit (ICOS MVS system) (5 - 7) which pro-
cesses and quantifies the signals from the camera systems (PCB and component vision systems) of each
placement head. The deviations from the nominal values are used for determining correction values which are
then used in the recalculation of the placement positions and the skew of the components to be inserted.
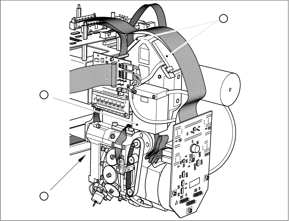
Fig. 5.1.3 Camera systems for PCB and component position recognition at the 12x revolver heads
- Key to Fig. 5.1.3
1 Deflection mirror and component lens 2 Component camera amplifier
3 PCB camera on the underside of the gantry
- Key to Fig. 5.1.4
1 PCB and component evaluation unit of vision system 2 COM1
3 COM2 4 Monitor connection
5 Camera connections 6 Camera connections
1 PCB camera, gantry 1 2 PCB camera, gantry 2
3 Component camera, gantry 1 4 Component camera, gantry 2
7 Battery 8 Power supply unit
008
008
2
3
1
008
008
2
3
1