PTS-NXT-10JE.pdf - 第121页
This page intentionally blank. 1. PARTS PLACING / 部品装着 121 PTS-NXT-10JE Vol.1

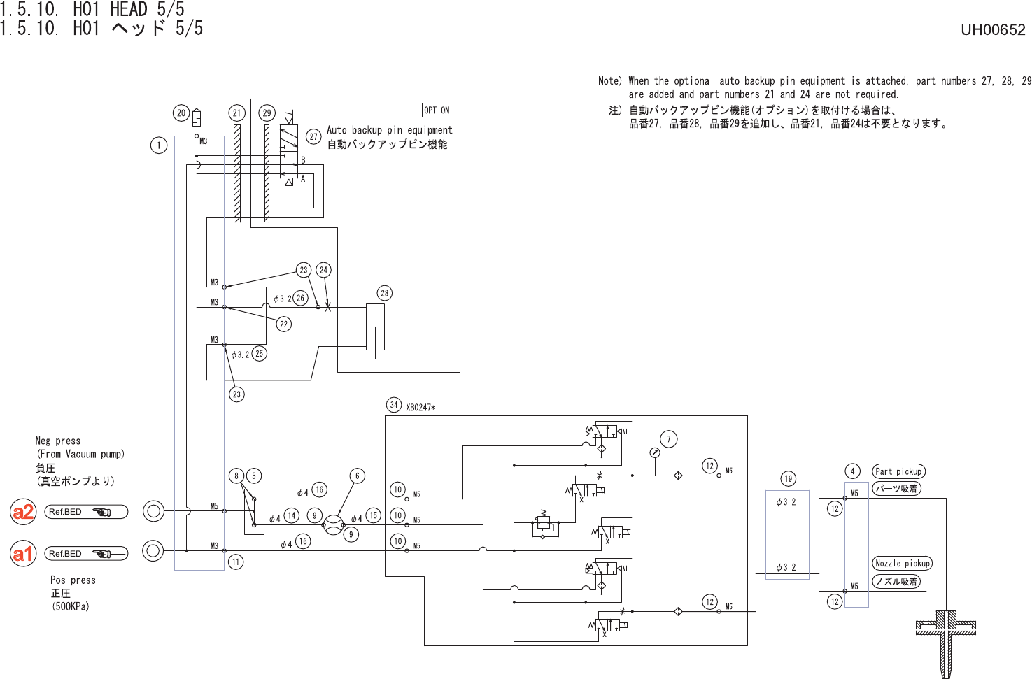
1.5.10. H01 HEAD 4/5
1.5.10. H01 ヘッド 4/5 UH00652
No. Drg.No. & Code No. QTY Description Rating Materials Remarks
番号 図番 & コード番号 個数 品名 規格 材質 備考
44 S3228S 4 SPACER スペーサ BSF-308E OT
45 W1021A 4 WASHER, LOCK ワッシャ スプリング 3M/M FE
46 W1040R 4 WASHER, FLAT ワッシャ 平 3M/MX0.5X7(1W-3)(3カ クロ) FE
52 XS01582 1 SENSOR センサ OT
53 K5177A 2 SCREW, C/R PAN 小ネジ 十穴鍋 M02.5X014 ステンレス FE
54 A4068H 2 ELBOW エルボ M-5ALU-4 OT
55 PZ24381 1 TUBE チューブ OT
56 PX03300 1 NAMEPLATE, CAUTION 銘板 注意 PL
57 PX05130 2 NAMEPLATE, CAUTION 銘板 注意 PL
59 H1021H 1 BATTERY バッテリ ER6VLY OT
61 XB02472 1 VALVE UNIT バルブユニット OT
62 N2030T 3 NIPPLE ニップル M-5AU-4 OT
63 A4068G 2 ELBOW エルボ M-5ALU-3 OT
64 S4033G 1 SENSOR, PRESSURE センサ 圧力 PSE543-M5 OT
65 PB53641 1 BKT, WIRING BKT 配線 FE
66 H5274A 2 BOLT, HEX SOCKET ボルト 六角穴 M03X006 FE
67 W1021A 2 WASHER, LOCK ワッシャ スプリング 3M/M FE
68 XH00560 2 FILTER フィルタ OT
69 XK04830 1 BOARD, PRINTED CIRCUIT 基板 プリント OT
70 XK04800 1 BOARD, PRINTED CIRCUIT 基板 プリント OT
71 K5178L 2 SCREW, C/R PAN 小ネジ 十穴鍋 M03X005 ニッケルメッキ FE
72 W1021A 2 WASHER, LOCK ワッシャ ス
プ
リン
グ
3M/M FE
1. PARTS PLACING / 部品装着
120
PTS-NXT-10JE Vol.1

This page intentionally blank.
1. PARTS PLACING / 部品装着
121
PTS-NXT-10JE Vol.1

1. PARTS PLACING / 部品装着
122
PTS-NXT-10JE Vol.1