PTS-NXT-10JE.pdf - 第57页
1.5.1 H12S HEAD 2/3 1.5.1 H12S ヘッド 2/3 UH01523 No. Drg.No. & Code No. QTY Description Rating Materials Remarks 番号 図番 & コード番号 個 数 品名 規格 材質 備考 68 K5200S 2 SCREW, C/R TRUSS 小ネジ 十穴トラス M02X004 ユニクロメッキ FE 69 W1020A 2 …

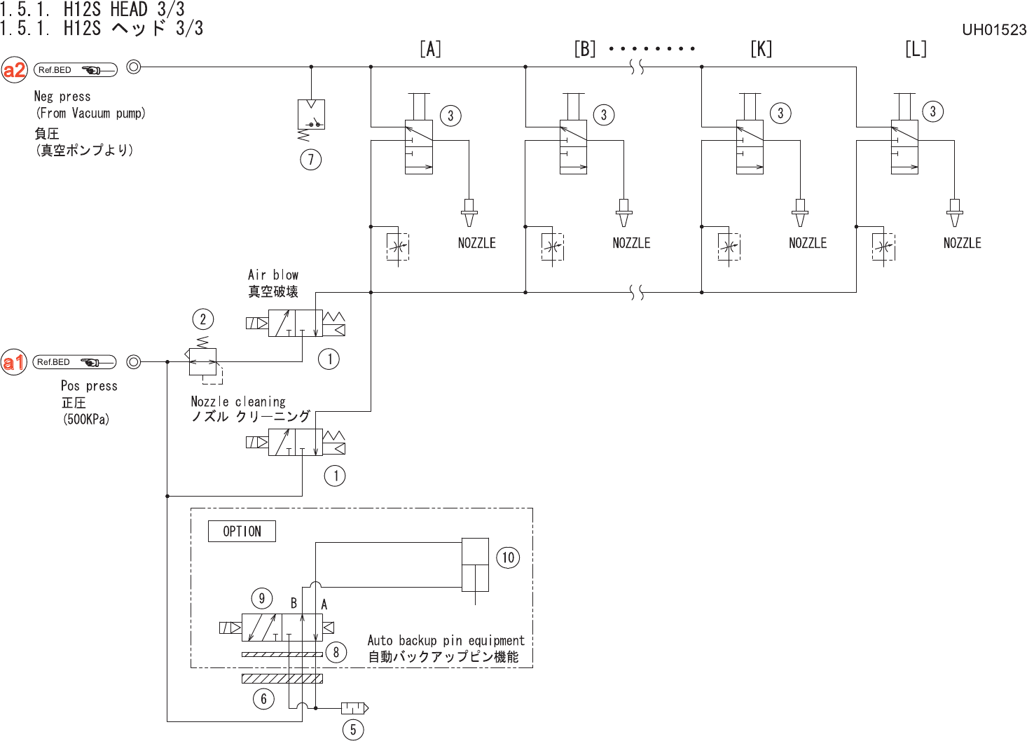
1.5.1 H12S HEAD 2/3
1.5.1 H12S ヘッド 2/3 UH01523
No. Drg.No. & Code No. QTY Description Rating Materials Remarks
番号 図番 & コード番号 個数 品名 規格 材質 備考
32.2 PS00252 1 SHEET シート OT
32.3 PS00262 1 SHEET シート OT
33 K52542 4 SCREW, C/R FLAT 小ネジ 十穴平 M03X006ヒラトウH=0.6ニッケル FE
34 PP01161 1 COVER, TERMINAL カバー 端子 FE
34.1 PS00454 1 SHEET シート OT
35 K5169M 4 SCREW, C/R COUNTERSUNK 小ネジ 十穴皿 M02X005(ステンレス) FE
36 W1040A 4 WASHER, FLAT ワッシャ 平 3M/MX0.5X7 FE
37 W1021A 4 WASHER, LOCK ワッシャ スプリング 3M/M FE
38 S32275 4 SPACER スペーサ BSL-308N OT
39 PB11642 1 COVER カバー FE
40 K51990 4 SCREW, WASHER ASS'Y 小ネジ 座金組込み M03X006 ナベセムス P4 FE
41 PB32776 1 BKT BKT FE
42 H5274A 2 BOLT, HEX SOCKET ボルト 六角穴 M03X006 FE
43 W1021A 2 WASHER, LOCK ワッシャ スプリング 3M/M FE
44 H5268T 2 BOLT, HEX SOCKET ボルト 六角穴 M02.5X006 FE
45 W1020H 2 WASHER, LOCK ワッシャ スプリング 2.5M/M FE
46 N1076A 1 NUT, HEX ナット 六角 M 3 P=0.5 FE
47 N4025Z 1 SCREW, HEX SOCKET SET ネジ 六角穴止め M03X020 クボミサキ FE
48 PB33781 1 BKT, MOTOR BKT モータ AL
49 H5275A 2 BOLT, HEX SOCKET ボルト 六角穴 M03X008 FE
50 W1021A 2 WASHER, LOCK ワッシャ スプリング 3M/M FE
51 W1042A 2 WASHER, FLAT ワッシャ 平 4W- 3 FE
52 XM00182 1 MOTOR, STEPPING モータ ステッピング OT
53 K5169R 4 SCREW, C/R COUNTERSUNK 小ネジ 十穴皿 M02.6X005 FE
54 S4077K 1 SENSOR, PHOTO センサ フォト PM-F44P FE
55 PP00170 1 NUT ナット FE
56 H5275A 2 BOLT, HEX SOCKET ボルト 六角穴 M03X008 FE
57 W1021A 2 WASHER, LOCK ワッシャ スプリング 3M/M FE
58 PB42321 1 BKT BKT FE
59 H5275A 2 BOLT, HEX SOCKET ボルト 六角穴 M03X008 FE
60 W1021A 2 WASHER, LOCK ワッシャ スプリング 3M/M FE
61 W1042A 2 WASHER, FLAT ワッシャ 平 4W- 3 FE
62 S4028H 1 SENSOR センサ EX-11A-FJ-PN(スリットツキ) OT
63 K5175S 4 SCREW, C/R PAN 小ネジ 十穴鍋 M02X005 ステンレス FE ACC-62
64 PP01250 2 NUT ナット FE
65 PB38662 1 COVER カバー FE
66 H5273A 2 BOLT, HEX SOCKET ボルト 六角穴 M03X005 FE
67 W1021A 2 WASHER, LOCK ワッシャ スプリング 3M/M FE
1. PARTS PLACING / 部品装着
56
PTS-NXT-10JE Vol.1

1.5.1 H12S HEAD 2/3
1.5.1 H12S ヘッド 2/3 UH01523
No. Drg.No. & Code No. QTY Description Rating Materials Remarks
番号 図番 & コード番号 個数 品名 規格 材質 備考
68 K5200S 2 SCREW, C/R TRUSS 小ネジ 十穴トラス M02X004 ユニクロメッキ FE
69 W1020A 2 WASHER, LOCK ワッシャ スプリング 2M/M FE
70 W1039A 2 WASHER, FLAT ワッシャ 平 2M/M FE
75 PH00896 1 ARM アーム FE
76 H5265A 1 BOLT, HEX SOCKET ボルト 六角穴 M02X005 FE
77 PH00906 1 ARM アーム FE
78 PM46181 1 PIN ピン FE
79 PZ04720 1 SPRING, TORSION スプリング ネジリ FE
80 W1039T 1 WASHER, FLAT ワッシャ 平 2.6M/MX0.5X5 FE
81 S1020A 1 CIR-CLIP サークリップ ST-EW- 2 FE
82 PM04564 2 PIN, ROLLER ピン ローラ FE
83 PM04573 2 ROLLER ローラ FE
84 PM04551 2 COLLAR カラー FE
85 W1020H 2 WASHER, LOCK ワッシャ スプリング 2.5M/M FE
86 N1074Z 2 NUT, HEX ナット 六角 M 2.5 ステンレス FE
87 H1021H 1 BATTERY バッテリ ER6VLY OT
88 PX05130 2 NAMEPLATE, CAUTION 銘板 注意 PL
89 PX03300 1 NAMEPLATE, CAUTION 銘板 注意 PL
90 PX04840 1 NAMEPLATE 銘板 PL
91 PX00181 1 NAMEPLATE 銘板 PL
1. PARTS PLACING / 部品装着
57
PTS-NXT-10JE Vol.1

1. PARTS PLACING / 部品装着
58
PTS-NXT-10JE Vol.1