PTS-NXT-10JE.pdf - 第81页
1.5.4. H08 HEAD 4/5 1.5.4. H08 ヘッド 4/5 UH00482 No. Drg.No. & Code No. QTY Description Rating Materials Remarks 番号 図番 & コード番号 個 数 品名 規格 材質 備考 67 PM18074 8 COLLAR カラ ー FE 68 PX00202 1 NAMEPLATE 銘板 PL 69 PX00181 1 …

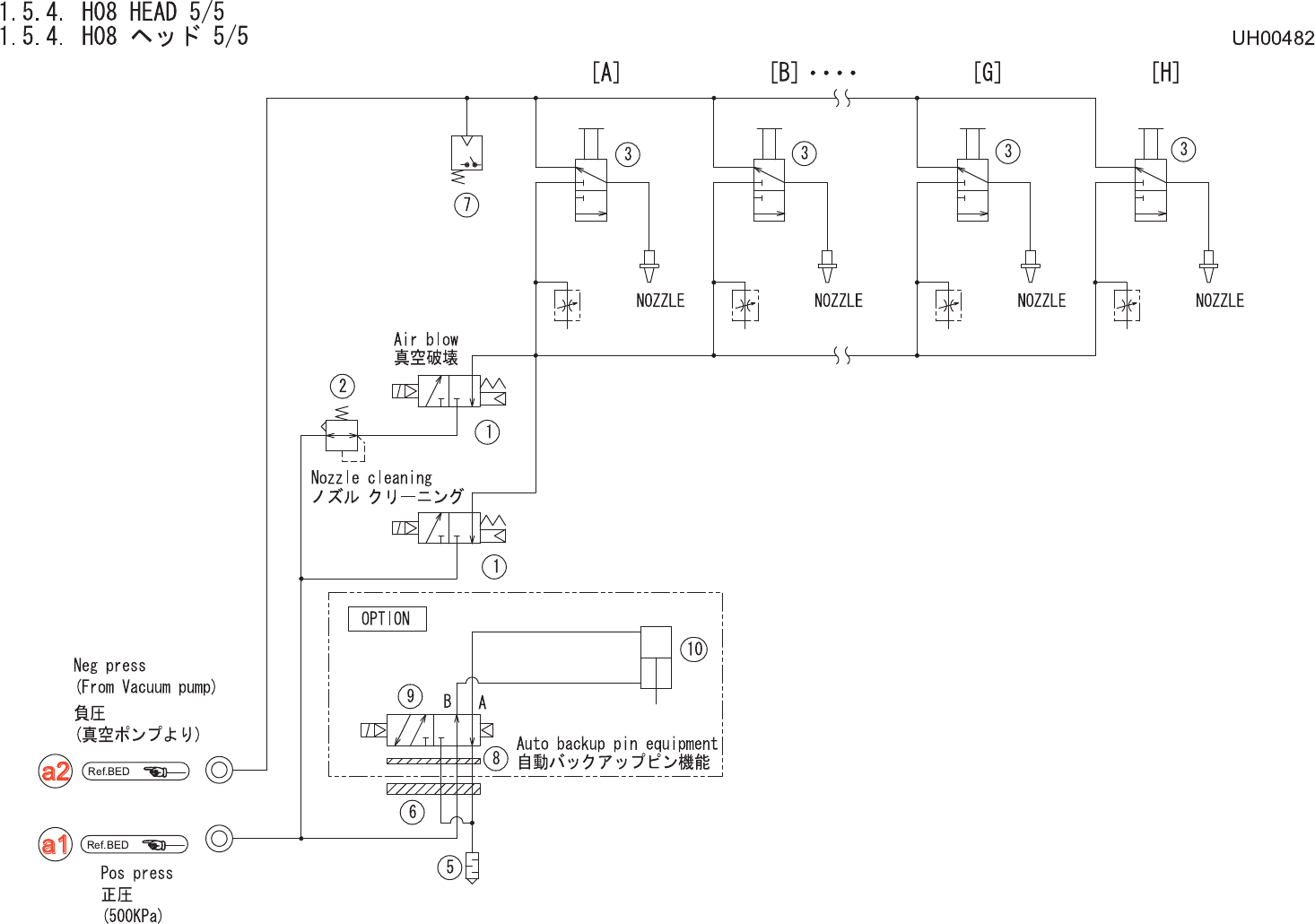
1.5.4. H08 HEAD 4/5
1.5.4. H08 ヘッド 4/5 UH00482
No. Drg.No. & Code No. QTY Description Rating Materials Remarks
番号 図番 & コード番号 個数 品名 規格 材質 備考
36 H4141H 8 BEARING ベアリング MF85ZZS OT
37 PZ29691 8 SPRING スプリング FE
38 H4436T 8 BEARING, MINIATURE ベアリング ミニチュア DDL-850HP0P25LY121 OT
38.1 PM01RF1 8 RETAINER, FELT 押え フェルト FE
38.2 PZ27662 16 RING, FELT リング フェルト OT
39 R50235 8 ROLLER, NEEDLE ローラ ニードル 1゚X6.8F(トウキュウ2) OT
40 AA1ZX06 8 SYRINGE シリンジ OT
40.1 AA59710 8 SYRINGE シリンジ OT
41 R5028R 8 ROD ロッド MRSB0.6-6.5 OT
42 XS01183 8 SPOOL スプール OT
43 PM00HR5 1 HOLDER, ROTARY ホルダ ロータリ OT
43.1 PZ14371 4 SPRING スプリング FE
43.2 H5065A 4 BALL, STEEL ボール スチール 3M/M OT
44 PM35011 8 GUIDE ガイド AL
45 H5267A 8 BOLT, HEX SOCKET ボルト 六角穴 M02X008 FE
46 H21927 2 PIN, PARALLEL ピン 平行 2゚X 6 Bシュ(H8) OT
47 AA0AL03 8 FILTER フィルタ OT
47.1 XH00401 8 FILTER フィルタ OT
48 PH00311 8 HOLDER ホルダ PL
49 A51906 8 O RING Oリング ゚4.20X0.53(FKM70) OT
49.1 A5188S 8 O RING Oリング ゚3.0X0.5(FKM70) OT
50 PB27432 1 RING リング FE
51 PM33085 1 SHAFT, CENTER シャフト センタ FE
52 H1161B 1 PACKING パッキン MYN-5 OT
53 A5172Y 1 O RING Oリング SS 9 OT
54 A51720 1 O RING Oリング SS 12 OT
55 H5274A 4 BOLT, HEX SOCKET ボルト 六角穴 M03X006 FE
56 W1021A 4 WASHER, LOCK ワッシャ スプリング 3M/M FE
57 PP00102 1 RETAINER, BEARING 押え ベアリング FE
58 H5265A 8 BOLT, HEX SOCKET ボルト 六角穴 M02X005 FE
59 W1020A 8 WASHER, LOCK ワッシャ スプリング 2M/M FE
60 PM18862 1 COVER カバー AL
61 H5268H 4 BOLT, HEX SOCKET ボルト 六角穴 M02X012 FE
62 PZ16853 8 SPRING, COIL スプリング コイル FE
63 PM19126 8 PIPE パイプ FE
64 PZ08841 8 SPRING, COIL スプリング コイル FE
65 PG00613 8 O RING Oリング PL
66 PG00622 8 O RING Oリング PL
1. PARTS PLACING / 部品装着
80
PTS-NXT-10JE Vol.1

1.5.4. H08 HEAD 4/5
1.5.4. H08 ヘッド 4/5 UH00482
No. Drg.No. & Code No. QTY Description Rating Materials Remarks
番号 図番 & コード番号 個数 品名 規格 材質 備考
67 PM18074 8 COLLAR カラー FE
68 PX00202 1 NAMEPLATE 銘板 PL
69 PX00181 1 NAMEPLATE 銘板 PL
70 PX00211 1 NAMEPLATE 銘板 PL
71 AA45H02 1 PIN, REFERENCE ピン 基準 OT
72 H5267A 2 BOLT, HEX SOCKET ボルト 六角穴 M02X008 FE
73 W1020A 2 WASHER, LOCK ワッシャ ス
プ
リン
グ
2M/M FE
1. PARTS PLACING / 部品装着
81
PTS-NXT-10JE Vol.1

1. PARTS PLACING / 部品装着
82
PTS-NXT-10JE Vol.1