PTS-NXT-10JE.pdf - 第185页
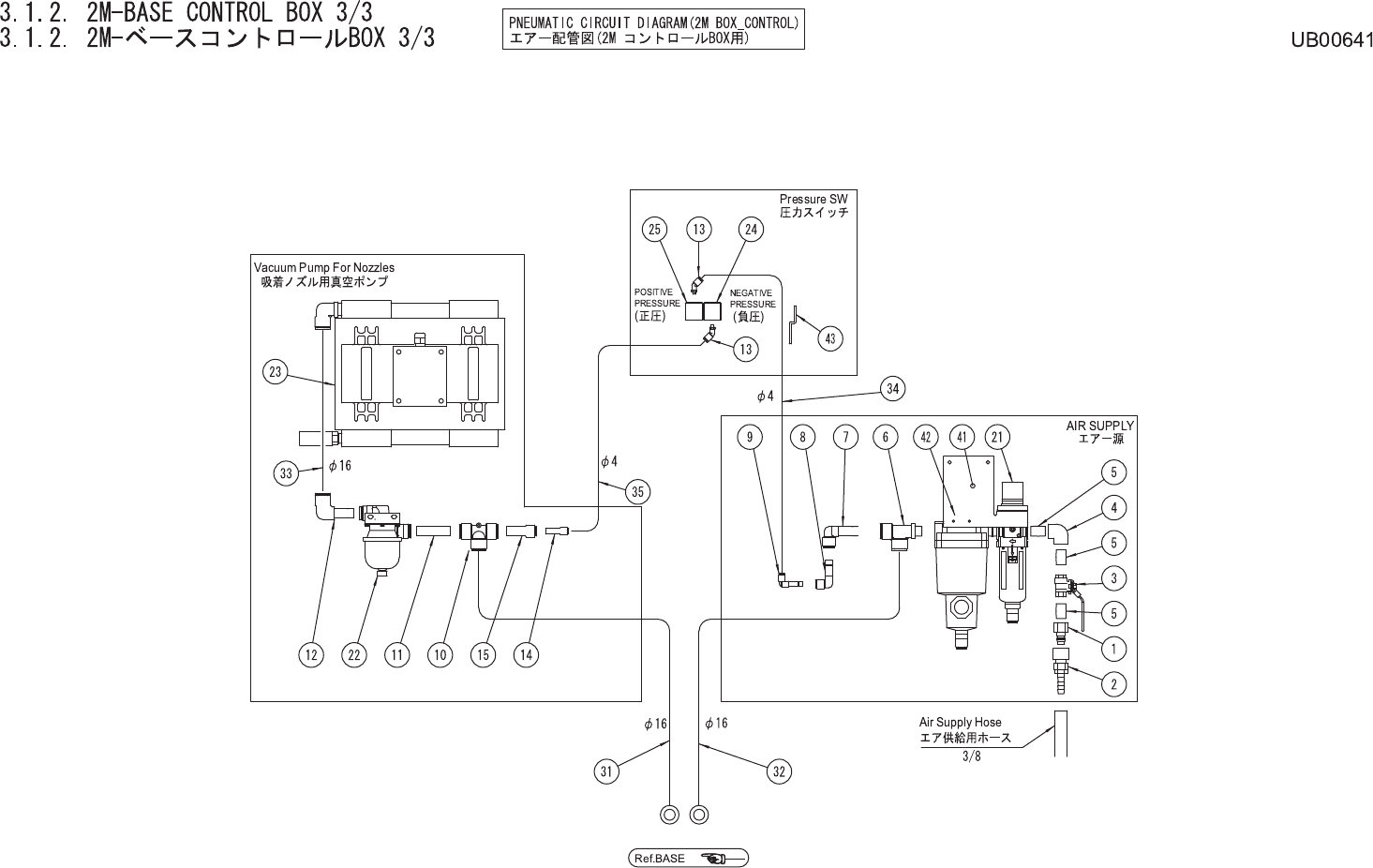
3.1.2. 2M-BASE CONTROL BOX 3/3 3.1.2. 2M-ベースコントロールBOX 3/3 UB00641 No. Drg.No. & Code No. QTY Description Rating Materials Remarks 番号 図番 & コード番号 個数 品名 規格 材質 備考 1 H3149K 1 PLUG, COUPLER プラグ カプラ CAL23PF OT 2 S5220A…

3. BASE / ベース
184
PTS-NXT-10JE Vol.1

3.1.2. 2M-BASE CONTROL BOX 3/3
3.1.2. 2M-ベースコントロールBOX 3/3
UB00641
No. Drg.No. & Code No. QTY Description Rating Materials Remarks
番号 図番 & コード番号 個数 品名 規格 材質 備考
1 H3149K 1 PLUG, COUPLER プラグ カプラ CAL23PF OT
2 S5220A 1 SOCKET, COUPLER ソケット カプラ CAL23SH OT
3 XB02500 1 VALVE, BALL バルブ ボール OT
4 A4061A 1 ELBOW エルボ 3/8 OT
5 H1282A 3 PIPE, DOUBLE ENDED パイプ 両口 3/8x25 OT
6 Y3043S 1 UNION ユニオン KQ2Y16-03S OT
7 A4151A 1 ELBOW エルボ KQ2L12-16 OT
8 A4151B 1 ELBOW エルボ KQ2L08-12 OT
9 A4066S 1 ELBOW エルボ KQ2L04-08 OT
10 Y3074Z 1 UNION ユニオン KQ2T16-00 OT
11 N2033Y 1 NIPPLE ニップル KQ2N16-99 OT
12 A40687 1 ELBOW エルボ KQ2L16-99 OT
13 Y3077B 2 UNION, ELBOW ユニオン エルボ KQ2K04-M5 OT
14 Y30685 1 UNION ユニオン KQ2R04-10 OT
15 Y3069R 1 UNION ユニオン KQ2R10-16 OT
21 XH00120 1 FILTER REGULATOR フィルタレギュレータ OT
22 H3022Z 1 FILTER フィルタ VFR20-16-16 OT
23 XP00530 1 PUMP, VACUUM ポンプ バキューム OT
24 S31575 1 SW, PRESSURE SW プレッシャ ISE30-01-65ML OT
25 S3158R 1 SW, PRESSURE SW プレッシャ ZSE30-01-65-ML OT
31 PZ23540 1 TUBE チューブ OT
32 PZ23550 1 TUBE チューブ OT
33 PZ13570 1 TUBE チューブ OT
34 PZ23560 1 TUBE チューブ OT
35 PZ23570 1 TUBE チューブ OT
41 PB20931 1 BKT BKT FE
42 PB23100 1 BKT BKT FE
43 PB20962 1 BKT BKT FE
3. BASE / ベース
185
PTS-NXT-10JE Vol.1

3. BASE / ベース
186
PTS-NXT-10JE Vol.1