PTS-NXT-10JE.pdf - 第407页
This page intentionally blank. 6. CONVEYOR / コンベア 67 PTS-NXT-10JE Vol.2

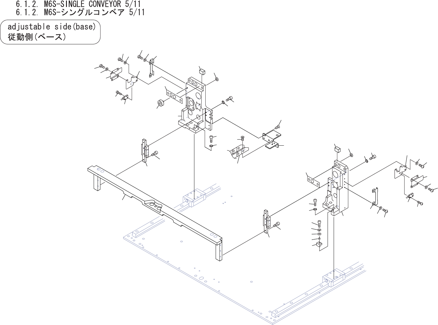
6.1.2. M6S-SINGLE CONVEYOR 4/11
6.1.2. M6S-シングルコンベア 4/11 UQ01557
No. Drg.No. & Code No. QTY Description Rating Materials Remarks
番号 図番 & コード番号 個数 品名 規格 材質 備考
34.3 PS02492 1 SHEET シート OT
35 H5321A 4 BOLT, HEX SOCKET ボルト 六角穴 M06X012 FE
36 W1013A 4 WASHER, CONICAL ワッシャ 皿 M- 6-H FE
37 H5289A 1 BOLT, HEX SOCKET ボルト 六角穴 M04X012 FE
38 W1022A 1 WASHER, LOCK ワッシャ スプリング 4M/M FE
39 PX02970 1 SEAL, BAR CODE シール バーコード OT
39.1 PX03900 1 SEAL, BAR CODE シール バーコード OT Thin panel option
40 AA45L03 1 PULLEY プーリ OT
40.1 AA63K00 1 PULLEY プーリ OT Thin panel option
41 PM04AA0 1 BLOCK, STOPPER ブロック ストッパ FE
42 H5290A 2 BOLT, HEX SOCKET ボルト 六角穴 M04X015 FE
43 W1011A 2 WASHER, CONICAL ワッシャ 皿 M- 4-L FE
44 H5275A 1 BOLT, HEX SOCKET ボルト 六角穴 M03X008 FE
45 W1021A 1 WASHER, LOCK ワッシャ スプリング 3M/M FE
46 W1042A 1 WASHER, FLAT ワッシャ 平 4W- 3 FE
6. CONVEYOR / コンベア
66
PTS-NXT-10JE Vol.2

This page intentionally blank.
6. CONVEYOR / コンベア
67
PTS-NXT-10JE Vol.2

A
27
28
26
25.1
7
4
5
8
6
9
2
31
1
3
1
5
4
22
25.1
6
26
3
2
21
8
9
7
16
19
20
18
17
23
33
29
32
30
35
31.1
31.2
31.3
21.1
21.2
21.3
24
25
24
25
34,
34.1
37
36
36
37
UQ01557
6. CONVEYOR / コンベア
68
PTS-NXT-10JE Vol.2