PTS-NXT-10JE.pdf - 第367页
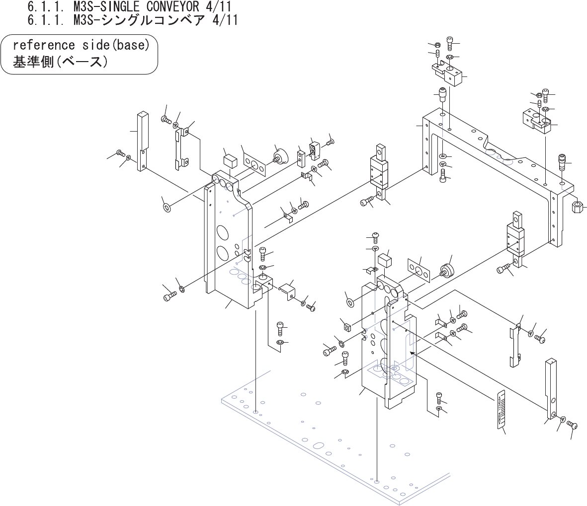
6.1.1. M3S-SINGLE CONVEYOR 4/11 6.1.1. M3S- シングルコンベア 4/11 UQ01460 No. Drg.No. & Code No. QTY Description Rating Materials Remarks 番号 図番 & コード番号 個 数 品名 規格 材質 備考 1 PM01890 1 PIN, LOCATING ピン 位置決め FE 2 H5275A 1 BOL…

A
23
32
33
31
29
30
28
50
52
51
54
21.1
22
55
53
21.1
22
38
43,
43.1
45
46
44
47
47
49
49
48
48
31
33
32
28
30
29
17
15
9
8
13
14
41
42
26
27
2
3
4
19
1
39
40
24
25
23.1
23.2
23.3
38.1
38.2
38.3
62
63
64
6
7
5
11
12
10
21
20
21
20
35,
35.1
36
37
60
59
61
UQ01460
6. CONVEYOR / コンベア
26
PTS-NXT-10JE Vol.2

6.1.1. M3S-SINGLE CONVEYOR 4/11
6.1.1. M3S-シングルコンベア 4/11 UQ01460
No. Drg.No. & Code No. QTY Description Rating Materials Remarks
番号 図番 & コード番号 個数 品名 規格 材質 備考
1 PM01890 1 PIN, LOCATING ピン 位置決め FE
2 H5275A 1 BOLT, HEX SOCKET ボルト 六角穴 M03X008 FE
3 W1021A 1 WASHER, LOCK ワッシャ スプリング 3M/M FE
4 W1042A 1 WASHER, FLAT ワッシャ 平 4W- 3 FE
5 PM049Y1 1 BLOCK, STOPPER ブロック ストッパ FE
6 H5290A 2 BOLT, HEX SOCKET ボルト 六角穴 M04X015 FE
7 W1011A 2 WASHER, CONICAL ワッシャ 皿 M- 4-L FE
8 N4023B 1 SCREW, HEX SOCKET SET ネジ 六角穴止め M03X010 マルサキ FE
9 N1077H 1 NUT, HEX ナット 六角 M 3 P=0.5 3シュ FE
10 PM049Z1 1 BLOCK, STOPPER ブロック ストッパ FE
11 H5290A 2 BOLT, HEX SOCKET ボルト 六角穴 M04X015 FE
12 W1011A 2 WASHER, CONICAL ワッシャ 皿 M- 4-L FE
13 N4023B 1 SCREW, HEX SOCKET SET ネジ 六角穴止め M03X010 マルサキ FE
14 N1077H 1 NUT, HEX ナット 六角 M 3 P=0.5 3シュ FE
15 PM01900 1 PIN, LOCATING ピン 位置決め FE
17 N10035 1 NUT ナット NT6 OT
19 PM27299 1 BKT, SLIDE BKT スライド FE
20 XG00141 2 GUIDE, RAIL ガイド レール OT
21 H5274A 8 BOLT, HEX SOCKET ボルト 六角穴 M03X006 FE
21.1 H5274A 8 BOLT, HEX SOCKET ボルト 六角穴 M03X006 FE
22 W1010A 8 WASHER, CONICAL ワッシャ 皿 M- 3-L FE
23 PM02FW3 1 BKT BKT FE
23.1 PJ13261 1 SHEET シート OT
23.2 PJ12922 2 WASHER ワッシャ OT
23.3 PS02492 1 SHEET シート OT
24 H5321A 3 BOLT, HEX SOCKET ボルト 六角穴 M06X012 FE
25 W1013A 3 WASHER, CONICAL ワッシャ 皿 M- 6-H FE
26 H5299A 1 BOLT, HEX SOCKET ボルト 六角穴 M05X012 FE
27 W1012A 1 WASHER, CONICAL ワッシャ 皿 M- 5-L FE
28 PP00690 2 RETAINER, WIRING 押え 配線 FE
29 K5255A 4 SCREW, HEX SOCKET BUTTON 小ネジ 六角穴ボタン M03X004 FE
30 W1021A 4 WASHER, LOCK ワッシャ スプリング 3M/M FE
31 AA1BA02 2 PLATE, REFERENCE プレート 基準 OT
32 K5255T 4 SCREW, HEX SOCKET BUTTON 小ネジ 六角穴ボタン M03X006 FE
33 W1010A 4 WASHER, CONICAL ワッシャ 皿 M- 3-L FE
35 AA45L03 1 PULLEY プーリ OT
35.1 AA63K00 1 PULLEY プーリ OT Thin panel option
36 ADBPP8012 1 PULLEY プーリ OT
6. CONVEYOR / コンベア
27
PTS-NXT-10JE Vol.2

6.1.1. M3S-SINGLE CONVEYOR 4/11
6.1.1. M3S-シングルコンベア 4/11 UQ01460
No. Drg.No. & Code No. QTY Description Rating Materials Remarks
番号 図番 & コード番号 個数 品名 規格 材質 備考
37 N10790 1 NUT, SQUARE ナット 四角 M 4 P=0.7(3カ シロ) FE
38 PM02FX2 1 BKT BKT FE
38.1 PJ13261 1 SHEET シート OT
38.2 PJ12922 2 WASHER ワッシャ OT
38.3 PS02492 1 SHEET シート OT
39 H5321A 3 BOLT, HEX SOCKET ボルト 六角穴 M06X012 FE
40 W1013A 3 WASHER, CONICAL ワッシャ 皿 M- 6-H FE
41 H5299A 1 BOLT, HEX SOCKET ボルト 六角穴 M05X012 FE
42 W1023A 1 WASHER, LOCK ワッシャ スプリング 5M/M FE
43 PX02960 1 SEAL, BAR CODE シール バーコード OT
43.1 PX03890 1 SEAL, BAR CODE シール バーコード OT Thin panel option
44 PP00440 1 RETAINER, WIRING 押え 配線 FE
45 K5255A 1 SCREW, HEX SOCKET BUTTON 小ネジ 六角穴ボタン M03X004 FE
46 W1021A 1 WASHER, LOCK ワッシャ スプリング 3M/M FE
47 PB05470 2 RETAINER, WIRING 押え 配線 FE
48 K5255A 2 SCREW, HEX SOCKET BUTTON 小ネジ 六角穴ボタン M03X004 FE
49 W1021A 2 WASHER, LOCK ワッシャ スプリング 3M/M FE
50 PP00440 2 RETAINER, WIRING 押え 配線 FE
51 K5255A 2 SCREW, HEX SOCKET BUTTON 小ネジ 六角穴ボタン M03X004 FE
52 W1021A 2 WASHER, LOCK ワッシャ スプリング 3M/M FE
53 PB05470 1 RETAINER, WIRING 押え 配線 FE
54 K5255A 1 SCREW, HEX SOCKET BUTTON 小ネジ 六角穴ボタン M03X004 FE
55 W1021A 1 WASHER, LOCK ワッシャ スプリング 3M/M FE
59 PM47460 1 SPACER スペーサ FE
60 PH00782 1 BRUSH ブラシ OT
61 K5358K 2 SCREW, HEX SOCKET COUNTERSUNK 小ネジ 六角穴皿 M03X016 FE
62 PP00450 1 RETAINER, WIRING 押え 配線 FE
63 K5255A 1 SCREW, HEX SOCKET BUTTON 小ネジ 六角穴ボタン M03X004 FE
64 W1021A 1 WASHER, LOCK ワッシャ ス
プ
リン
グ
3M/M FE
6. CONVEYOR / コンベア
28
PTS-NXT-10JE Vol.2