PTS-NXT-10JE.pdf - 第141页
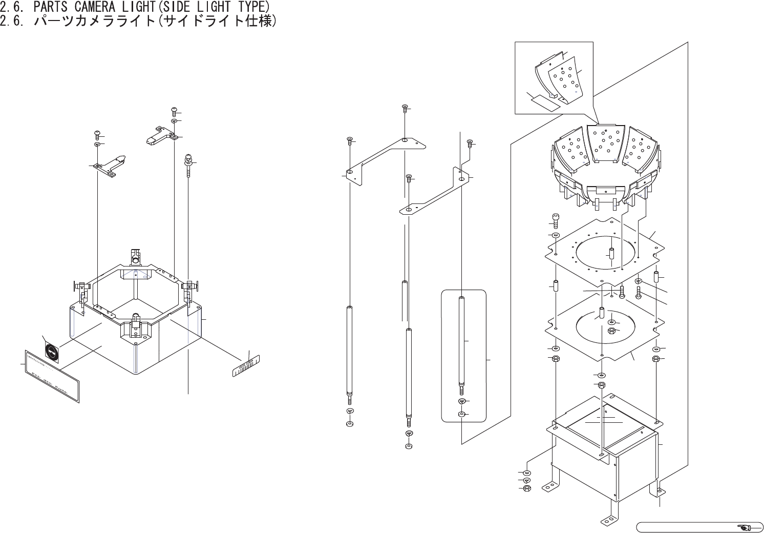
2.6. PARTS CAMERA LIGHT(SIDE LIGHT TYPE) 2.6. パーツカメラライト(サイドライト仕様) UG00514 No. Drg.No. & Code No. QTY Description Rating Materials Remarks 番号 図番 & コード番号 個 数 品名 規格 材質 備考 1 AA1KL05 2 COVER, GLASS カバー ガラス OT 2 K5255…

AA
BB
BB
Ref.
PARTS CAMERA(SIDE LIGHT)
12
15
14
13
7
6
21
20
20
22
20
20
22
22
22
15
15
15
16
22
15
43
44
45
46
8
11
10
48
18
17
17
49
39
24
5
1
1
2
3
2
3
47
47
47
47
23
UG00514
2. VISION SYSTEM / 画像処理
140
PTS-NXT-10JE Vol.1

2.6. PARTS CAMERA LIGHT(SIDE LIGHT TYPE)
2.6. パーツカメラライト(サイドライト仕様) UG00514
No. Drg.No. & Code No. QTY Description Rating Materials Remarks
番号 図番 & コード番号 個数 品名 規格 材質 備考
1 AA1KL05 2 COVER, GLASS カバー ガラス OT
2 K5255H 4 SCREW, HEX SOCKET BUTTON 小ネジ 六角穴ボタン M03X005 FE
3 W1021A 4 WASHER, LOCK ワッシャ スプリング 3M/M FE
5 AA3WZ02 4 BOLT ボルト OT
6 PM60312 4 BOLT ボルト FE
7 W1022A 4 WASHER, LOCK ワッシャ スプリング 4M/M FE
8 PM98130 4 WASHER ワッシャ FE NOTE.1 t=2.0
10 DBGC1672 8 HOLDER, LIGHT ホルダ ライト OT
11 XK05480 8 BOARD, PRINTED CIRCUIT 基板 プリント OT
12 XK04760 1 BOARD, PRINTED CIRCUIT 基板 プリント OT
13 H5282A 4 BOLT, HEX SOCKET ボルト 六角穴 M03X030 FE
14 W1021A 4 WASHER, LOCK ワッシャ スプリング 3M/M FE
15 W1040R 8 WASHER, FLAT ワッシャ 平 3M/MX0.5X7(1W-3)(3カ クロ) FE
16 W1042A 4 WASHER, FLAT ワッシャ 平 4W- 3 FE
17 N4001S 16 SCREW ネジ U-2506-S1 セムスネジ FE
18 W10017 1 WASHER ワッシャ EE-0306-05R FE
20 S32270 4 SPACER スペーサ CZ-315 OT
21 XK05390 1 BOARD, PRINTED CIRCUIT 基板 プリント OT
22 N10795 8 NUT, HEX ナット 六角 M03(3カ クロ) FE
23 AA71M03 1 LAMP ランプ OT
24 AA2HT05 1 LAMP ランプ OT
39 K51981 4 SCREW, WASHER ASS'Y 小ネジ 座金組込み M03X006 P=4 ナベセムス(3カ シロ) FE
43 PX04032 1 SEAL, BAR CODE シール バーコード OT
44 PZ25701 1 SEAL シール PL
45 PB33378 1 PLATE プレート FE
46 PB33388 1 PLATE プレート FE
47 K5358F 4 SCREW, HEX SOCKET COUNTERSUNK 小ネジ 六角穴皿 M03X14 FE
48 PZ37160 1 TAPE テープ OT 100pieces/set
49 PX08560 1 NAMEPLATE 銘板 OT
NOTE.1:[Interchangeable parts/選択部品] PM03AM1(t=1.7),PM03AN1(t=1.8),PM03AR1(t=1.9),PM03AS1(t=2.1),PM03AT1(t=2.2),PM03AW1(t=2.3)
2. VISION SYSTEM / 画像処理
141
PTS-NXT-10JE Vol.1

AA
Ref.
PARTS CAMERA LIGHT
1
10
6
10
12
11
1
14
7
8
9
10
10
15
16
2
5
4
3
13
5
4
3
5
4
3
UG00811
2. VISION SYSTEM / 画像処理
142
PTS-NXT-10JE Vol.1