文档中心
/
SI-G200MK7_操作说明.pdf
SI-G200MK7_操作说明.pdf - 第445页
附录 附 5-1 电子零件装着机 SI-G200MK7 (CS) 附录 5 电子组件框图
目录
100%
显示:宽度
宽度
1 / 449
回到旧版
旧版
?
附录
附
5-1
电子零件装着机
SI-G200MK7 (CS)
附录
5
电子组件框图
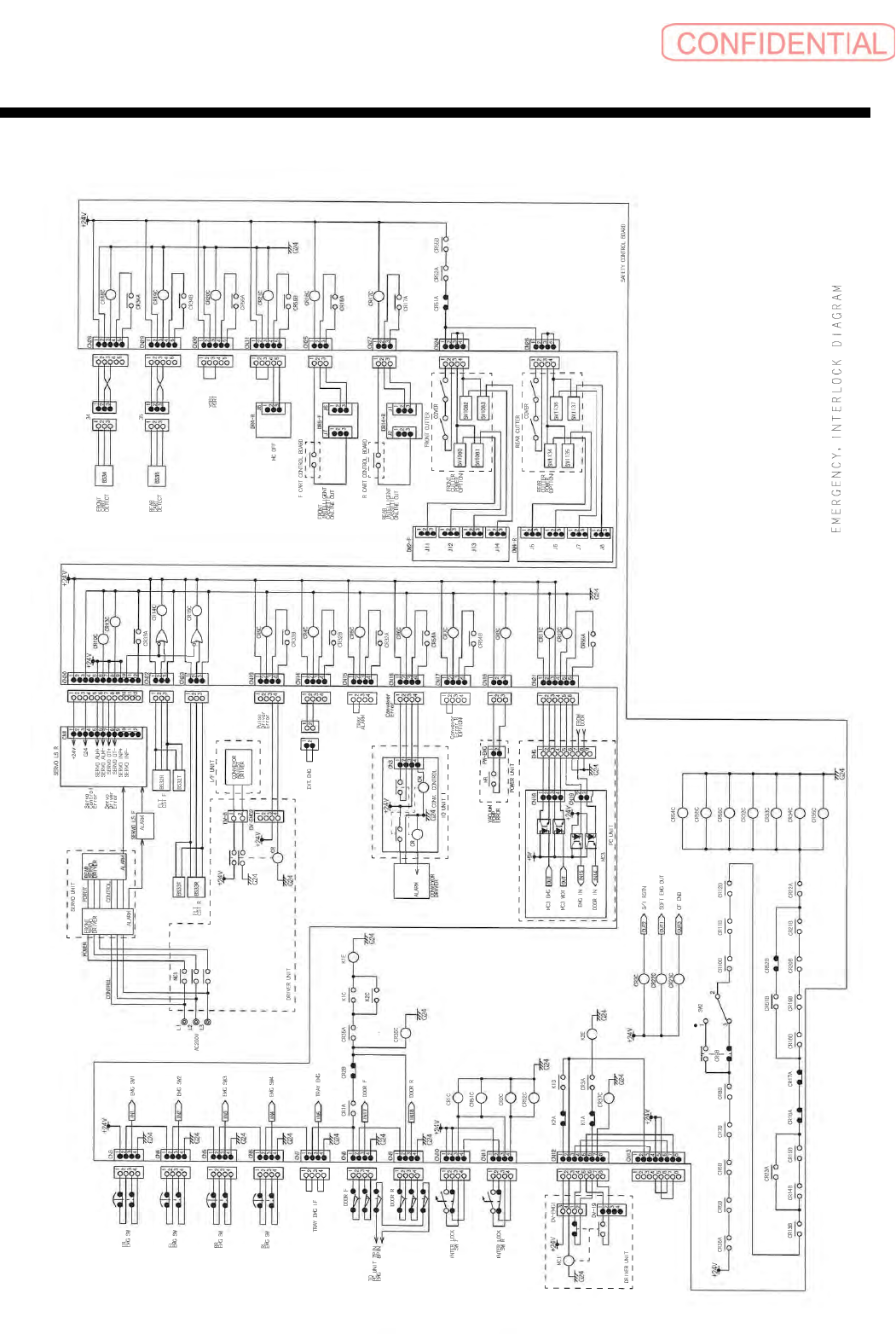
附录
电子零件装着机
SI-G200MK7
(CS)
附
6-1
附录
6
紧急停止联锁示意图
该页面需要启用 JavaScript 才能进行交互式预览。