PW6001_user_manual_chi_20191018H.pdf - 第246页
240 运算公式规格 三相 3 线 (3P3W3M) Load Source Line A ± CH (i +1) ± CH (i) Line C Line B ± CH (i +2) U U U Probe1 Probe2 Probe1 Probe2 Probe1 Probe2 三相 4 线 (3P4W) Load Source Line A ± CH (i +1) ± CH (i) Line C Line B ± CH (i +2)…

239
运算公式规格
三相
3线 (3P3W2M)
Load
Source
Line A
±
CH (i +1)
±
CH (i)
Line C
Line B
U
U
Probe1
Probe2
Probe1
Probe2
三相 3 线 (3V3A)
Load
Source
Line A
±
CH (i +1)
±
CH (i)
Line C
Line B
±
CH (i +2)
U
U
U
Probe1
Probe2
Probe1
Probe2
Probe1
Probe2
10

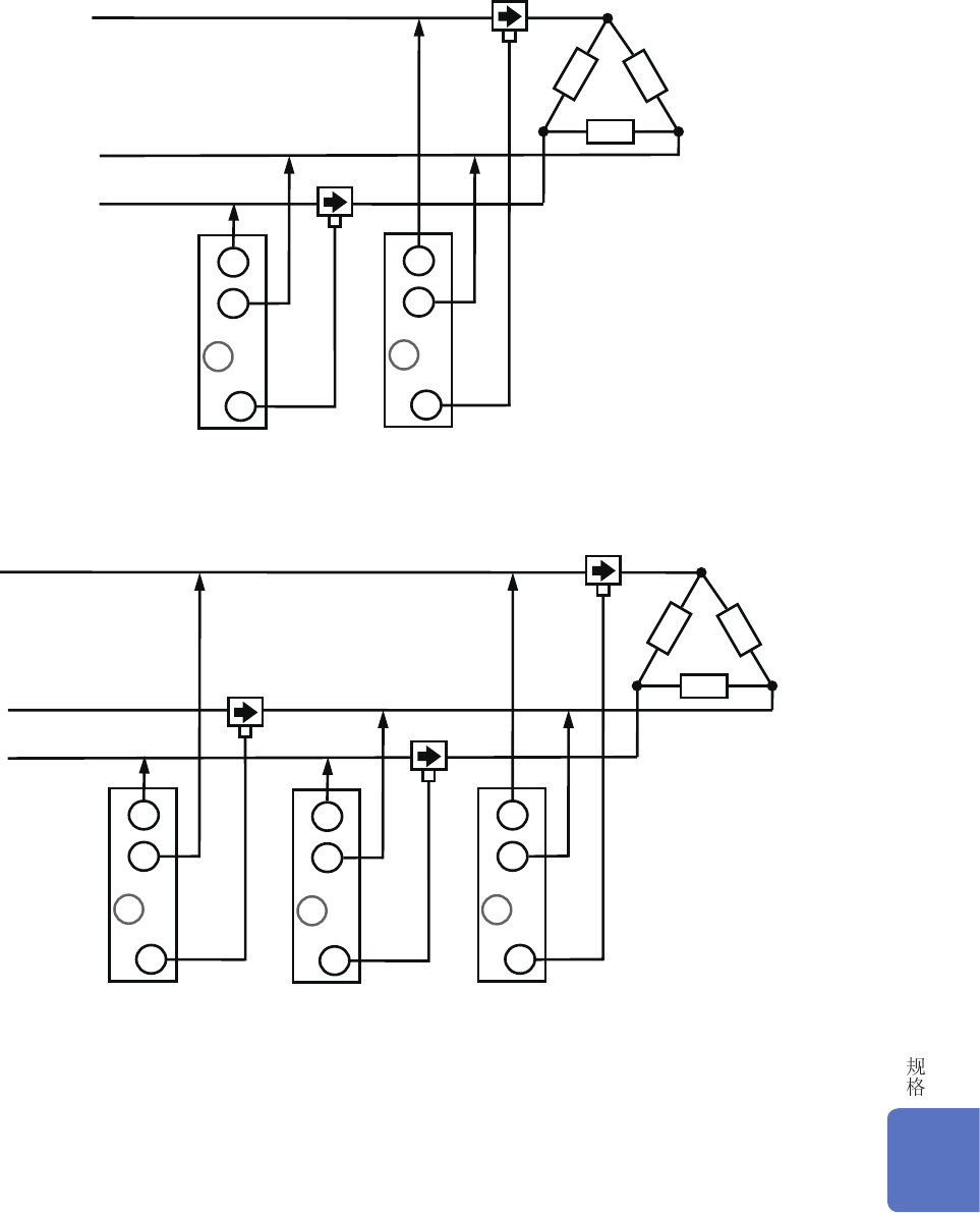
240
运算公式规格
三相
3线 (3P3W3M)
Load
Source
Line A
±
CH (i +1)
±
CH (i)
Line C
Line B
±
CH (i +2)
U
U
U
Probe1
Probe2
Probe1
Probe2
Probe1
Probe2
三相 4 线 (3P4W)
Load
Source
Line A
±
CH (i +1)
±
CH (i)
Line C
Line B
±
CH (i +2)
Neutral
U
U
U
Probe1
Probe2
Probe1
Probe2
Probe1
Probe2

241
运算公式规格
框图
U
±
Range
A/D
4 MΩ
LPF
Range
A/D
1 MΩ
LPF
I1
±
Isolator
Range
A/D
1 MΩ
LPF
OFF/1 kHz
Isolator
D/A
100Ω
BNC
Range
A/D
1 MΩ
LPF
OFF/1 kHz
Isolator
BNC
1 MΩ
Isolator
BNC
1 MΩ
Isolator
BNC
I2
±
1 MΩ
BNC
OFF/500 kHz
OFF/500 kHz
1CH to
20CH
CH1 to CH6
输入电路
电压输入电路
电流传感器电路
绝缘
绝缘
绝缘
绝缘
绝缘
100
Ω
高速功率分析
引擎
CPU
9
寸 WVGA
LCD
(触摸面板)
USB端口
(存储器)
RS-232C
LAN
同步控制
(光纤通讯)
零交叉检测
零交叉检测
零交叉检测
零交叉检测
GP-IB
键
HiPAC II
马达分析输入电路(选件)
CH A输入电路
CH B输入电路
CH C输入电路
CH D输入电路
D/A输出电路(选件)
10