PW6001_user_manual_chi_20191018H.pdf - 第258页
252 错误显示

251
错误显示
错误显示 原因 处理方法和参照位置
不能读取设置文件。 累计、
HOLD、同步操作期间读取了设置文件。
请将累计复位状态、
HOLD解除状
态、同步控制设为
OFF。
写入失败。
U盘写入保存失败。
请再次执行。
读取失败。 从
U盘读取失败。
不能生成文件。
因某些原因不能生成文件。
请再次执行。
不能生成文件夹。
因某些原因不能生成文件夹。
版本不同。
保存设置文件时的版本与读取时的本仪器版本
不同。
请重新进行设置。
校验和错误。 设置文件损坏。
该
U 盘不支持。不能在本仪器
中使用。
使用了不支持的
U盘。
文件系统不为
FAT 时,请格式化为
FAT32 并修复。参照 :“7.1 U 盘
的插拔”(第
135页)
由于不是空文件夹,因此不能
删除。
要删除内部还有文件、文件夹的文件夹时。 请删除内部文件、文件夹。
内存中没有数据。
要在内存中没有数据的情况下将数据复制到
U盘时。
请在保存到内存之后重新执行。
不能存取
U盘。 不能进行 U盘操作时。 请进行格式化。
未定义错误 发生意想不到的错误。
持续异常操作时,请垂询销售店(代
理店)或最近的
HIOKI营业据点。
12
252
错误显示

附
1
附录
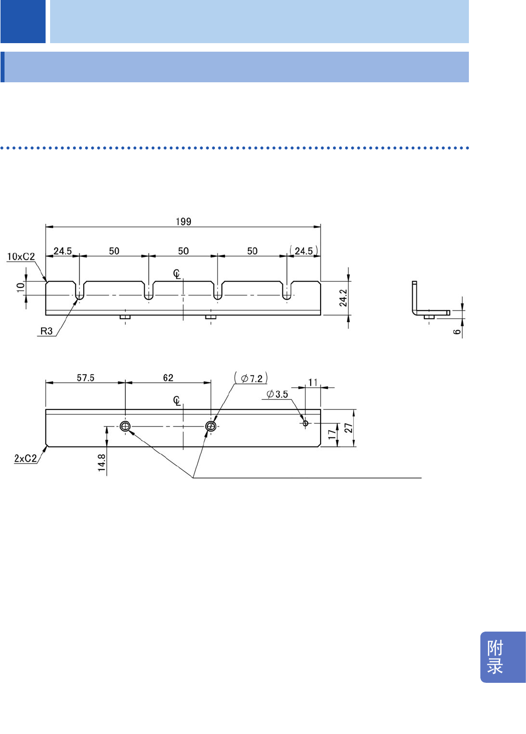
附录 1 支架安装
本仪器使用时可安装支架安装件。
支架安装件
JIS标准(右侧用)
材质 :A5052
厚度 :t3
2×M5用垫片(参考 :FABACE FK-M5-6)
(单位 :mm)
附录
10
9
8
6
4
2
1