PW6001_user_manual_chi_20191018H.pdf - 第247页
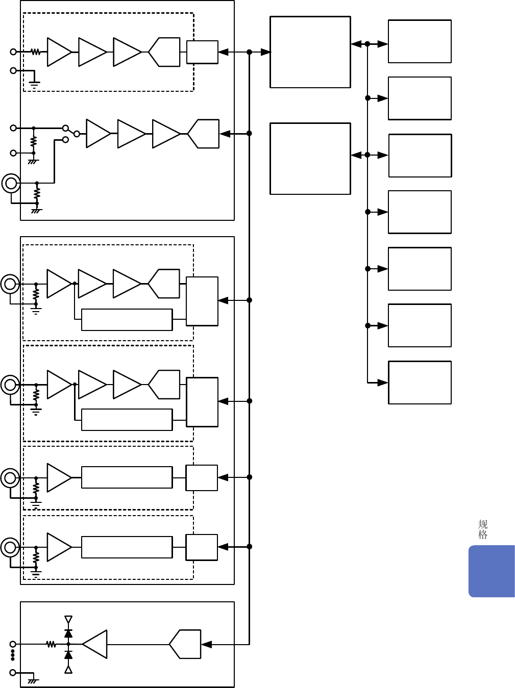
241 运算公式规格 框图 U ± Range A/D 4 MΩ LPF Range A/D 1 MΩ LPF I1 ± Isolator Range A/D 1 MΩ LPF OFF/1 kHz Isolator D/A 100Ω BNC Range A/D 1 MΩ LPF OFF/1 kHz Isolator BNC 1 MΩ Isolator BNC 1 MΩ Isolator BNC I2 ± 1 MΩ BNC O FF / …

240
运算公式规格
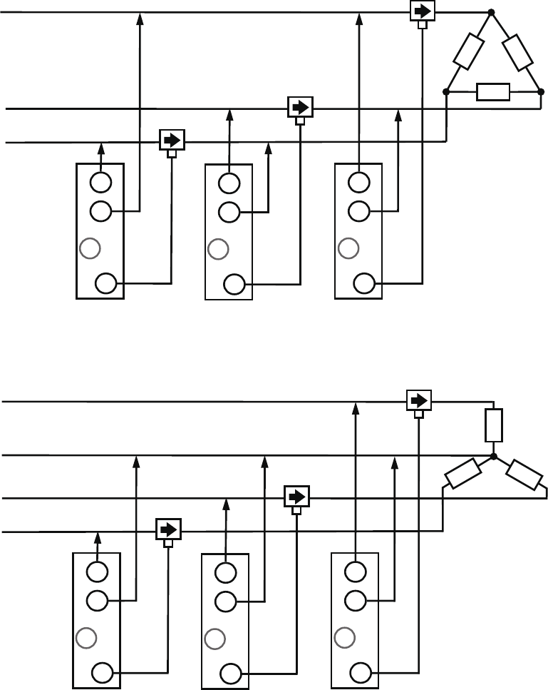
三相
3线 (3P3W3M)
Load
Source
Line A
±
CH (i +1)
±
CH (i)
Line C
Line B
±
CH (i +2)
U
U
U
Probe1
Probe2
Probe1
Probe2
Probe1
Probe2
三相 4 线 (3P4W)
Load
Source
Line A
±
CH (i +1)
±
CH (i)
Line C
Line B
±
CH (i +2)
Neutral
U
U
U
Probe1
Probe2
Probe1
Probe2
Probe1
Probe2

241
运算公式规格
框图
U
±
Range
A/D
4 MΩ
LPF
Range
A/D
1 MΩ
LPF
I1
±
Isolator
Range
A/D
1 MΩ
LPF
OFF/1 kHz
Isolator
D/A
100Ω
BNC
Range
A/D
1 MΩ
LPF
OFF/1 kHz
Isolator
BNC
1 MΩ
Isolator
BNC
1 MΩ
Isolator
BNC
I2
±
1 MΩ
BNC
OFF/500 kHz
OFF/500 kHz
1CH to
20CH
CH1 to CH6
输入电路
电压输入电路
电流传感器电路
绝缘
绝缘
绝缘
绝缘
绝缘
100
Ω
高速功率分析
引擎
CPU
9
寸 WVGA
LCD
(触摸面板)
USB端口
(存储器)
RS-232C
LAN
同步控制
(光纤通讯)
零交叉检测
零交叉检测
零交叉检测
零交叉检测
GP-IB
键
HiPAC II
马达分析输入电路(选件)
CH A输入电路
CH B输入电路
CH C输入电路
CH D输入电路
D/A输出电路(选件)
10

242
运算公式规格
组合精度的计算
(未规定 PW6001 主机与传感器的组合精度时)
有功功率的测试精度为主机的精度与使用电流传感器的精度之和。
rdg.精度 = 有功功率 rdg.精度 +传感器 rdg. 精度
f.s. 精度 = 有功功率 f.s. 精度 +(传感器额定值 /电流量程)× 传感器 f.s. 精度
例: 传感器 CT6862(50A额定值)、精度 ±0.05% rdg.±0.01% f.s.
主机设置
接线 :
1P2W
电压量程 : 600 V
电流量程 : 10 A
功率量程 : 6.0000 kW、精度 ±0.02% rdg.±0.03% f.s.
被测对象 400 V、5 A、20.0000 kW、50 Hz
rdg.
精度 = 0.02% + 0.05% = ±0.07% rdg.
f.s.
精度 = 0.03% + (50 A/10 A) × 0.01% = ±0.08% f.s.
有功功率精度为 ±0.07 rdg.±0.08% f.s.(功率量程 6 kW为 f.s.)。