AIM 系统手册 QD049-04.pdf - 第149页
QD049-04 5. 换线 AIM 系统手册 135 料盘高度和搭载条件 5.5.6 料盘插入时的注意事项 · 料盘具有方向性。将料盘插入料盘 单元 -M 时,请注意方 向。 · 开闭料盘单元 -M 的正 门时, 请不要有冲击小心进行。 有可能发生元件偏移或元件 从料盘上飞出。 从安全上考虑, 这些门实施了自动锁定而有可能不能打开 ,此时 请不要硬开。 · 请不要使用右前方有缺口的料盘。

5. 换线 QD049-04
134 AIM 系统手册
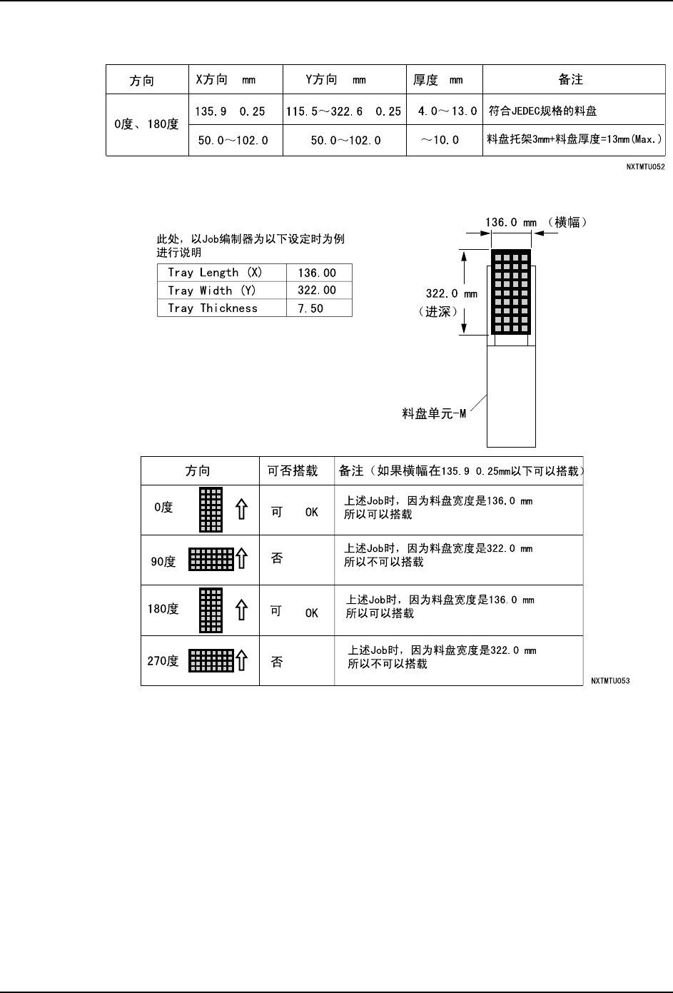
5.5.5 料盘单元 -M 中可以使用的料站尺寸
料盘方向和搭载条件
–
–
–

QD049-04 5. 换线
AIM 系统手册 135
料盘高度和搭载条件
5.5.6 料盘插入时的注意事项
·料盘具有方向性。将料盘插入料盘单元 -M 时,请注意方向。
·开闭料盘单元 -M 的正门时,请不要有冲击小心进行。有可能发生元件偏移或元件
从料盘上飞出。从安全上考虑,这些门实施了自动锁定而有可能不能打开,此时
请不要硬开。
·请不要使用右前方有缺口的料盘。

5. 换线 QD049-04
136 AIM 系统手册
5.6 支撑销的更换
5.6.1 更换支撑销的向导画面
5.6.2 支撑销的卸下和安装
如果是使用支撑销的生产 Job,机器判断出需要进行支撑销更换,自动进行工作头退避,将
搬运轨道扩展到最大宽度。在此,操作者请配置支撑销。
1. 按下 START 按钮。
在进行了工作头的退避、搬运轨道的移动、解除安全门的锁定后,接着显示料站托架卸
下向导画面。
备注 ) 对于连接着料盘单元 -L 的模组,显示料盘单元 -L 的卸下向导。请根据向导卸下料盘单元 -L。
2. 请卸下料站托架。(详细请参照 [5.8.2 料站托架的卸下 ])
3. 料站托架被松开,显示支撑销卸下向导画面。
备注 ) 当按下 CANCEL 按钮后,机器就会判断出不需要进行支撑销更换,不显示支撑销卸下向导画面
而进入下一步的换线。