CX-1_动作说明书.pdf - 第114页
R e v 2 . 0 0 动作说明书 5- 26 5-1-12 I-CX 基板 本基板用于连接 CX-1 中追加的大部分电气功能,并进行控制。 因为已经比 CX-1 增加了向 IN 及 OUT 电机驱动器发出任意脉冲的功能和测力传感器等, 所以本基板的 具体的作用是,控制测力传感器的放大器、把来自测力传感器的模拟信号变换成数字信号,这些都是 基本的使用功能。 除此之外,为配合个别 CX-1 的特殊设计要求,设置有 3 个 8 位通用接…

Rev 2.00
动作说明书
5-
25
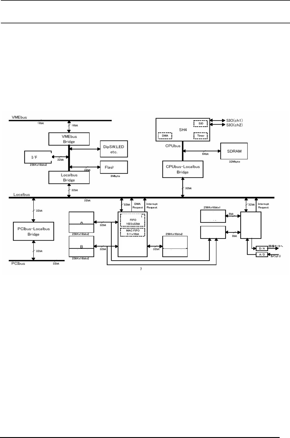
5-1-11 IP-X3机板
本基板是处理OCC、VCS摄像机拍摄的基板标记、IC标记、IC芯片等图像数据,计算基板的位置修正、
元件位置修正需要的数值的图像基板。图 1 是基板方块图。
存 储
器
存 储
器
录 像存储 器
录 像存储 器
演算结 果
图 像 处 理
装置
锥 型
锥 型
样 品存储 器
锥 型
覆盖
存 储 器
图 像数据
选择器
图 像
输 出入
装置
图5-1-4 IP-X3基板方块图

Rev 2.00
动作说明书
5-
26
5-1-12 I-CX基板
本基板用于连接 CX-1 中追加的大部分电气功能,并进行控制。
因为已经比 CX-1 增加了向 IN 及 OUT 电机驱动器发出任意脉冲的功能和测力传感器等,所以本基板的
具体的作用是,控制测力传感器的放大器、把来自测力传感器的模拟信号变换成数字信号,这些都是
基本的使用功能。
除此之外,为配合个别 CX-1 的特殊设计要求,设置有 3 个 8 位通用接口或 1 个 RS-232C 接口、5 个
A/D 变换器的通道作为备用,能从短地址访问进行控制。
图 1 中列出了基板的方框图。
另外,方框图中所示的 CPLD 以及通用集成块 TE7760 的电源电压为 3.3V。3.3V 是由装在基板上的
DC-DC 变换器(5V→3.3V)所输出的,在这一 DC-DC 变换器尚未进行调整的状态下,由于输出电压不到
3.3V,基板不会工作。
VMEbus
ADDRESS DECODER
&
VMEbus CONTROLER
&
IONIZER CONTROL
(CPLD)
MOTOR PULSE CONTROLER
PCD4521
TE7760
IONIZER 1-6 CONTROL
LOAD CELL
ANALOG DATA
LOAD CELL AMP
CONTROL
MOTOR DRIVER1
MOTOR DRIVER2
图 1.I-CX 方框图
测力传感器
模拟数据
VME 总线
地址译码器
&
VME 总线控制器
&
电离器控制
(CPLD)
电离器 1-6 控制
地址 地址
TE7760
RS
-
232C
测力传感器
放大器控制
电机脉冲控制器
PCD4521
电机驱动器 2 电机驱动器 1
测力传感器
模拟数据

Rev 2.00
动作说明书
5-
27
5-1-13 SIGNAL CONVERT(信号变换)基板
本基板用来变换 CX-1 中使用的电磁标尺的信号。
在 CX-1 中,X、YL、YR 轴各使用 1 块信号变换基板,所以每台使用 3 块相同的基板。
具体的变换内容是,由于来自电磁标尺的警报信号是以 C-MOS 输出的,故要将该警报信号变换为差动,
向 SYNQNET 中继基板输出。
此外,还装有 2 个 LED,用于显示电磁标尺的电源供给和警报状态。
LED 状态
红灯:电磁标尺输出了警报信号时点亮
蓝灯:正常工作时点亮
熄灯:无电源供给
另外,还装有用于电磁标尺信号监视器的测试脚,接上测试仪器后就可以监控各相位的输出信号。测试
脚之位置与信号的关系如下表。
测试脚 No. 信号名 备注
TP1 警报
TP2 A
TP3 A_N
TP4 B
TP5 B_N
TP6 Z 仅 X 轴
TP7 Z_N 仅 X 轴
TP8 +5V
TP9 GND
TP10 N.C.