AltaPail II Bulk Melters Product Manual.pdf - 第161页
Troubleshooting 9-14 Part 1121836_03 E 11/2014 Nordson Corporation Flow Chart Platen Contr ol 8S61 8S61 8S61 8S21 8S11 8S31 7S31 7S21 2V4 81A1/XT5 1V6 2V3 2V5 1V3 0V3 0V1

Troubleshooting
9-13
Part 1121836_03
E 11/2014 Nordson Corporation
Material Residue in Pail
Possible Cause Possible Fault / Troubleshooting Corrective Action
1. Platen setpoint
temperature set too
high
— Correct temperature setting
Material of low quality or not
appropriate for application
(temperature resistance poor)
Consult material supplier
Material Hardens in Pail
Possible Cause Possible Fault / Troubleshooting Corrective Action
1. Platen setpoint
temperature set too
high/too low
— Correct temperature setting
Others
Problem Possible Cause Corrective Action
1.
Leakage
at
pump
shaft seal
Pump shaft seal is worn Tighten the gland bolt
— Replace pump
2. Material pressure too
low, output quantity
too low
Pump is worn Replace pump
3.
Pump
blocked
Processed material too cold Correct temperature setting (observe
data sheet of material manufacturer)
Foreign material in pump Replace pump
4. Leakage at applicator
during heatup phase
Safety valve does not open
(expansion pressure)
Replace safety valve
S
Separate document Wiring Diagram.

Troubleshooting
9-14
Part 1121836_03
E 11/2014 Nordson Corporation
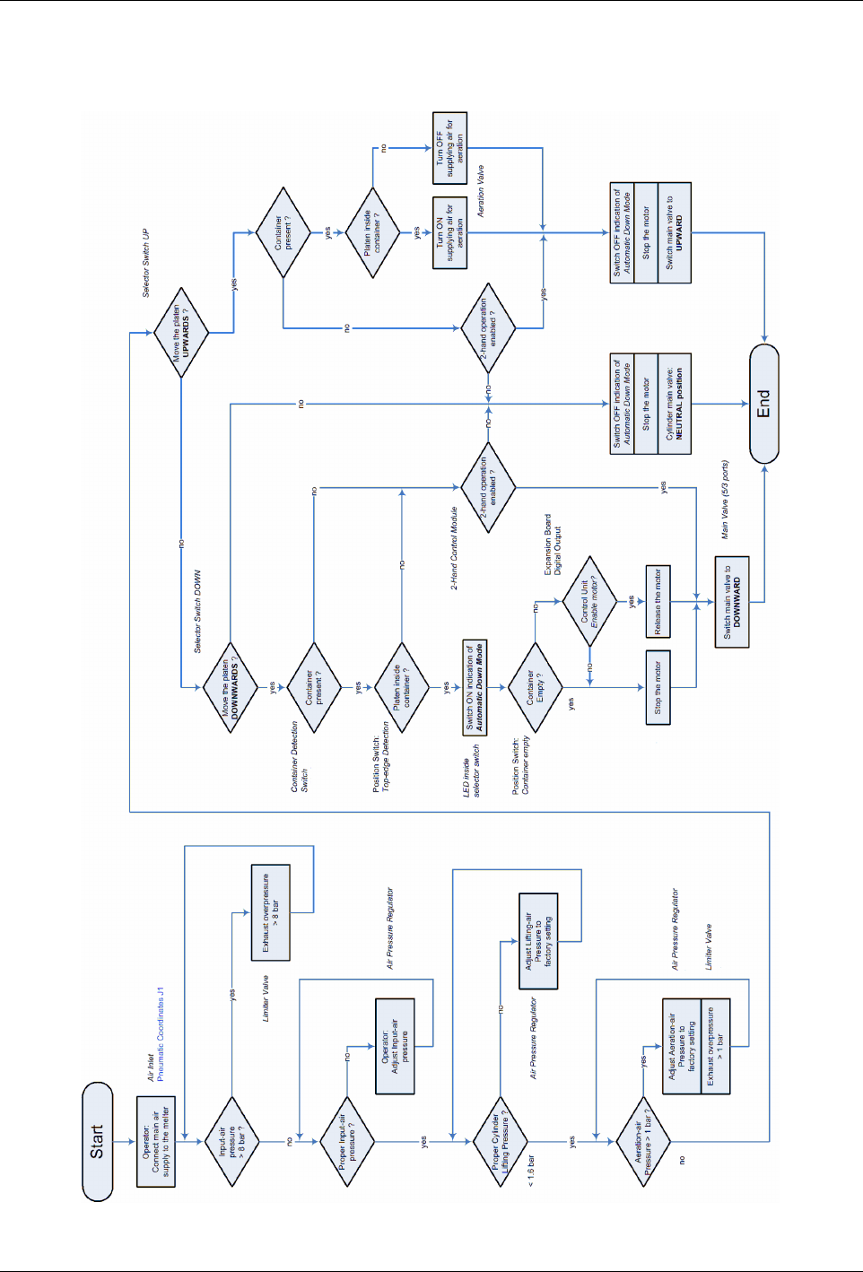
Flow Chart Platen Control
8S61
8S61
8S61
8S21
8S11
8S31
7S31
7S21
2V4
81A1/XT5
1V6
2V3
2V5
1V3
0V3
0V1

Troubleshooting
9-15
Part 1121836_03
E 11/2014 Nordson Corporation
This page intentionally left blank.